GM Service Manual Online
For 1990-2009 cars only

    Object Number: 2128097  Size: SH

    Caution: Never attempt to remove the intake manifold from a hot engine, allow the engine to cool to ambient temperature. The intake manifold is made of a composite plastic and can be damaged if it is removed when the engine is hot.

  1. Remove the evaporative emission (EVAP) canister valve tube (1).
  2. Remove the EVAP canister valve (2).

  3. Object Number: 1867007  Size: SH
  4. Remove the throttle body bolts.
  5. Remove the throttle body.

  6. Object Number: 2182426  Size: SH
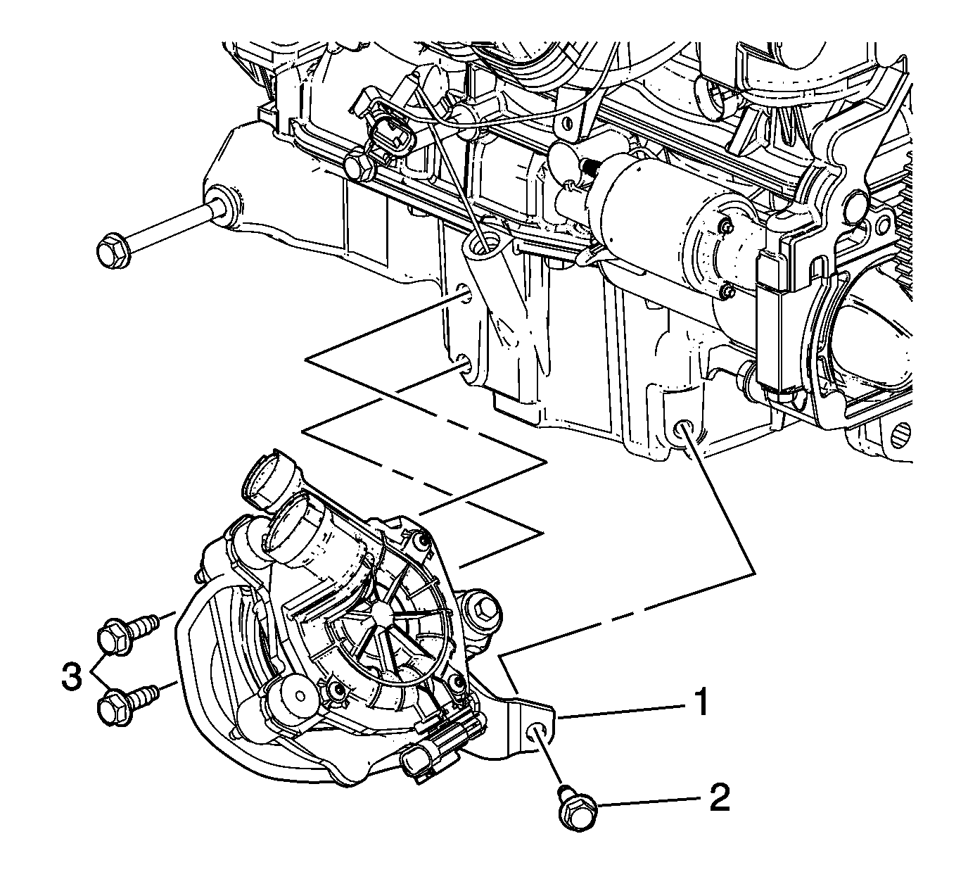
  7. Remove the air pump assembly bolts (2, 3).
  8. Remove the air pump assembly (1).

  9. Object Number: 1867008  Size: SH
  10. Remove fuel pipes and clip. Remove the fuel rail assembly.

  11. Object Number: 1867010  Size: SH
  12. Remove the fuel injector tip insulators and discard.

  13. Object Number: 1867012  Size: SH
  14. Remove the intake manifold retaining nuts and bolts.
  15. Remove the intake manifold.
  16. Remove the intake manifold gasket, if necessary. The gasket can be used again if it is not damaged.
  17. If the intake manifold needs to be replaced, transfer the throttle body to the new intake manifold.