GM Service Manual Online
For 1990-2009 cars only

Battery Negative Cable Replacement With LY7

Removal Procedure


    Object Number: 1831368  Size: SH
  1. Remove the battery box cover.
  2. Remove the air intake duct. Refer to Air Cleaner Outlet Duct Replacement.

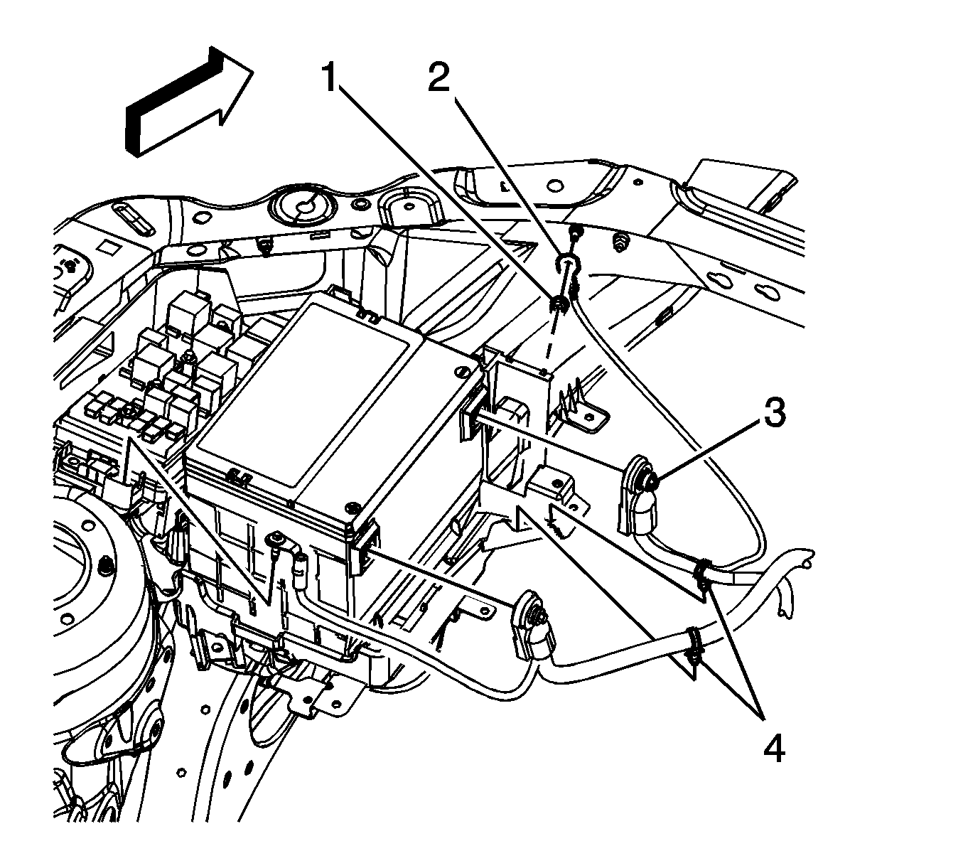
  3. Object Number: 1831761  Size: SH
  4. Disconnect the negative battery cable (3). Refer to Battery Negative Cable Disconnection and Connection.
  5. If appcable, disconnect the battery current sensor harness connector.
  6. Remove the retaining nut (1)  from the ground wire (2).
  7. Remove the ground wire (2).
  8. Remove the retaining clip for the negative battery cable (4).

  9. Object Number: 1831712  Size: SH
  10. Remove the retaining nut for the ground wire (4).
  11. Remove the engine harness ground lead (3).
  12. Remove the battery cable ground lead (2) from the studnut (1).

  13. Object Number: 1832077  Size: SH
  14. Remove the negative battery cable from the engine harness.

Installation Procedure


    Object Number: 1832077  Size: SH
  1. Position the negative cable between the battery and the engine block.

  2. Object Number: 1831712  Size: SH
  3. Install the negative cable ground (2) stud/nut (1).
  4. Install the engine harness ground lead (3).
  5. Caution: Refer to Fastener Caution in the Preface section.

  6. Install the retaining nut for the ground wire (4) and tighten to 25 N·m (18 lb ft).

  7. Object Number: 1831761  Size: SH
  8. Install the retaining clip for the battery cable (4).
  9. Install the ground wire (2).
  10. Install the retaining nut (1)  for the ground wire (2).
  11. If appcable, connect the battery current sensor harness connector.
  12. Connect the negative cable (3). Refer to Battery Negative Cable Disconnection and Connection.

  13. Object Number: 1831368  Size: SH
  14. Install the battery box cover.
  15. Install the air cleaner outlet duct. Refer to Air Cleaner Outlet Duct Replacement.

Battery Negative Cable Replacement With LE5

Removal Procedure


    Object Number: 1578419  Size: SH
  1. Disconnect the negative battery cable. Refer to Battery Negative Cable Disconnection and Connection.
  2. If appcable, disconnect the battery current sensor harness connector.
  3. Remove the negative cable ground terminal nut at the tie bar.
  4. Remove the negative battery cable clip (3) from the battery tray.

  5. Object Number: 1578421  Size: SH
  6. Remove the tape holding the positive cable to the negative cable.
  7. Remove the negative cable from the retainers.
  8. Raise and support the vehicle. Refer to Lifting and Jacking the Vehicle.
  9. Remove the radiator lower air baffle. Refer to Radiator Air Lower Baffle and Deflector Replacement.
  10. Remove the engine harness ground lead bolt (1).
  11. Remove the negative cable (6).

Installation Procedure


    Object Number: 1578421  Size: SH
  1. Install the negative cable.
  2. Position the negative battery cable terminal (6) in front of the engine harness ground terminal (5).
  3. Caution: Refer to Fastener Caution in the Preface section.

  4. Install the engine harness ground lead bolt (1) and tighten to 25 N·m (18 lb ft).
  5. Install the radiator lower air baffle. Refer to Radiator Air Lower Baffle and Deflector Replacement.
  6. Lower the vehicle.
  7. Install the negative cable to the retainers.
  8. Install tape holding the positive cable to the negative cable.

  9. Object Number: 1578419  Size: SH
  10. Install the negative battery cable clip (3) to the battery tray.
  11. Install the negative cable ground terminal nut at the tie bar and tighten to 10 N·m (89 lb in).
  12. If appcable, connect the battery current sensor harness connector.
  13. Connect the negative battery cable. Refer to Battery Negative Cable Disconnection and Connection.

Battery Negative Cable Replacement LZ9

Removal Procedure


    Object Number: 1578419  Size: SH
  1. Disconnect the negative battery cable. Refer to Battery Negative Cable Disconnection and Connection.
  2. Remove the negative cable ground terminal nut at the tie bar (1).
  3. Remove the negative battery cable clip (3) from the battery tray.

  4. Object Number: 1583641  Size: SH
  5. Remove the tape holding the positive cable to the negative cable.
  6. Remove the negative cable from the retainers.
  7. Remove the battery cable/ground cable lead nut (2) from the transmission stud.
  8. Remove the engine harness and negative battery cable leads.
  9. Remove the ground cable.

Installation Procedure


    Object Number: 1583641  Size: SH
  1. Install the ground cable.
  2. Caution: Refer to Fastener Caution in the Preface section.

  3. Install the negative battery cable and engine harness leads.
  4. Install the battery cable/ground cable lead nut (2) to the transmission stud.
  5. Tighten
    Tighten the nut to 25 N·m (18 lb ft).

  6. Install the negative cable to the retainers.
  7. Install tape to hold the positive cable to the negative cable.

  8. Object Number: 1578419  Size: SH
  9. Install the negative battery cable clip (3) to the battery tray.
  10. Install the negative cable ground terminal nut at the tie bar (1).
  11. Tighten
    Tighten the nut to 10 N·m (89 lb in).

  12. Connect the negative battery cable. Refer to Battery Negative Cable Disconnection and Connection.

Battery Negative Cable Replacement LZ4

Removal Procedure


    Object Number: 1578419  Size: SH
  1. Disconnect the negative battery cable. Refer to Battery Negative Cable Disconnection and Connection.
  2. Remove the negative cable ground terminal nut at the tie bar (1).
  3. Remove the negative battery cable clip (3) from the battery tray.

  4. Object Number: 1588421  Size: SH
  5. Remove the negative cable ground terminal lead (2) from under the air duct (1).

  6. Object Number: 1588426  Size: SH
  7. Remove the tape holding the positive cable to the negative cable.
  8. Remove the negative cable from the retainers.
  9. Raise and support the vehicle. Refer to Lifting and Jacking the Vehicle.
  10. Remove the lower closeout panel. Refer to Radiator Air Side Baffle and Deflector Replacement.
  11. Remove the battery cable/ground cable lead nut from the transmission stud.
  12. Remove the front transmission mount. Refer to Transmission Front Mount Replacement.
  13. Remove the engine harness (2) and negative battery cable (1) leads.
  14. Remove the ground cable.

Installation Procedure


    Object Number: 1588426  Size: SH
  1. Install the ground cable.
  2. Install the engine harness (2) and negative battery cable (1) leads.
  3. Caution: Refer to Fastener Caution in the Preface section.

  4. Install the front transmission mount. Refer to Transmission Front Mount Replacement.
  5. Install the battery cable/ground cable lead nut (3) to the transmission stud.
  6. Tighten
    Tighten the nut to 25 N·m (18 lb ft).

  7. Install the lower closeout panel. Refer to Radiator Air Side Baffle and Deflector Replacement.
  8. Lower the vehicle.
  9. Install the negative cable to the retainers.
  10. Install the tape holding the positive cable to the negative cable.

  11. Object Number: 1588421  Size: SH
  12. Route the negative cable ground terminal lead (2) under the air duct (1).

  13. Object Number: 1578419  Size: SH
  14. Install the negative battery cable clip (3) to the battery tray.
  15. Install the negative cable ground terminal nut at the tie bar (1).
  16. Tighten
    Tighten the nut to 10 N·m (89 lb in).

  17. Connect the negative battery cable. Refer to Battery Negative Cable Disconnection and Connection.