GM Service Manual Online
For 1990-2009 cars only
Figure 1:

Blower Motor Controls, Ground and Power


Object Number: 2079056  Size: FS
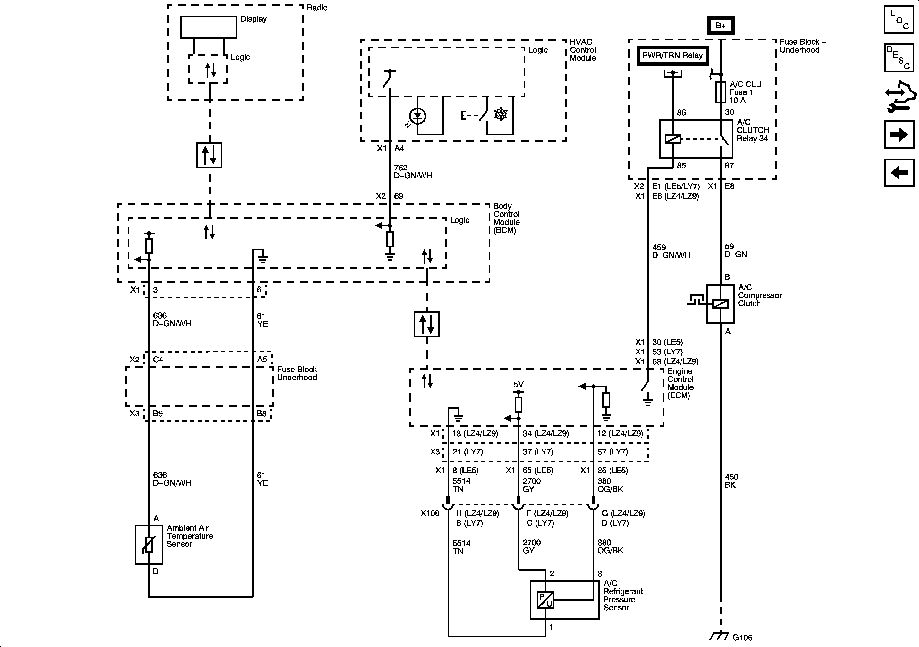
Figure 2:

Ambient Air Temperature Sensor and Compressor Controls


Object Number: 2079058  Size: FS
Figure 3:

Air Temperature and Mode Controls


Object Number: 2079059  Size: FS