| Figure 1: |
Underhood Fuse Block - B+ Bus (1 of 2)
|
| Figure 2: |
Underhood Fuse Block B+ (2 of 2)
|
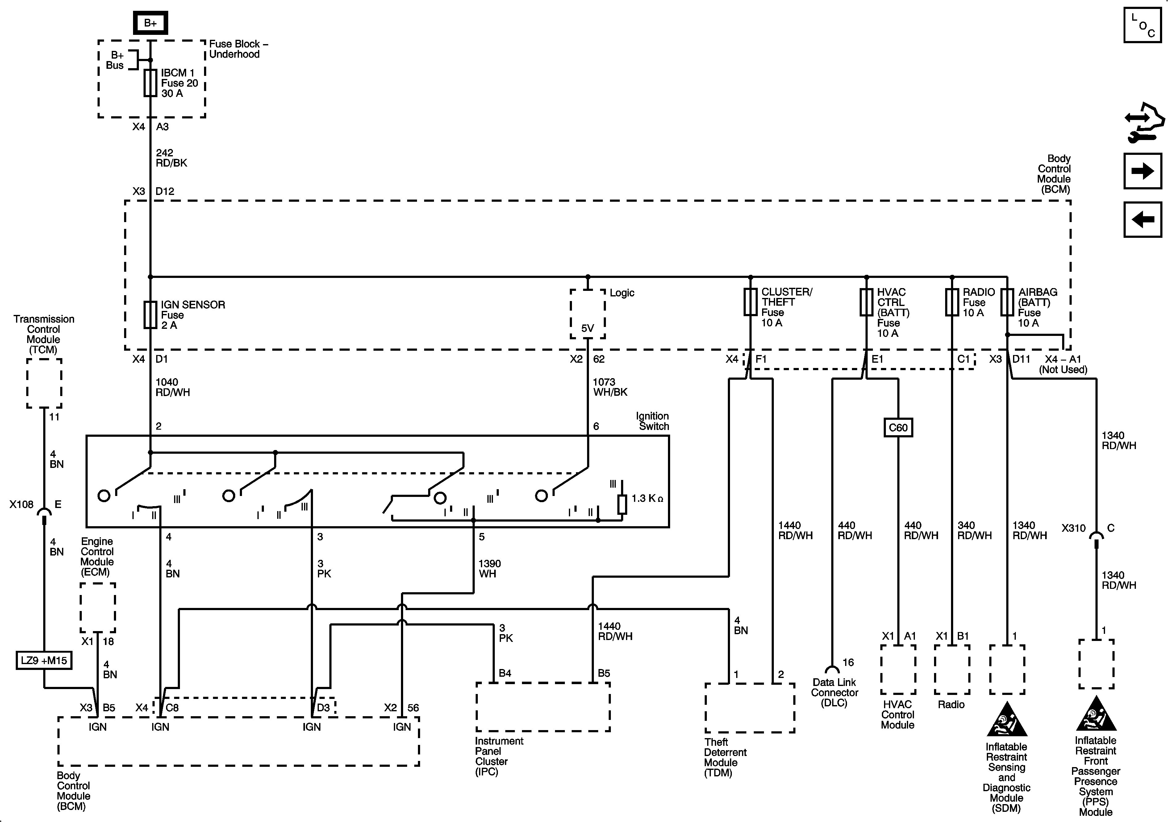
| Figure 3: |
Underhood Fuse Block - IBCM 1, BCM, AIRBAG (BATT), CLUSTER/THEFT, HVAC CTRL (BATT), IGN SENSOR and RADIO Fuses and Ignition Switch
|
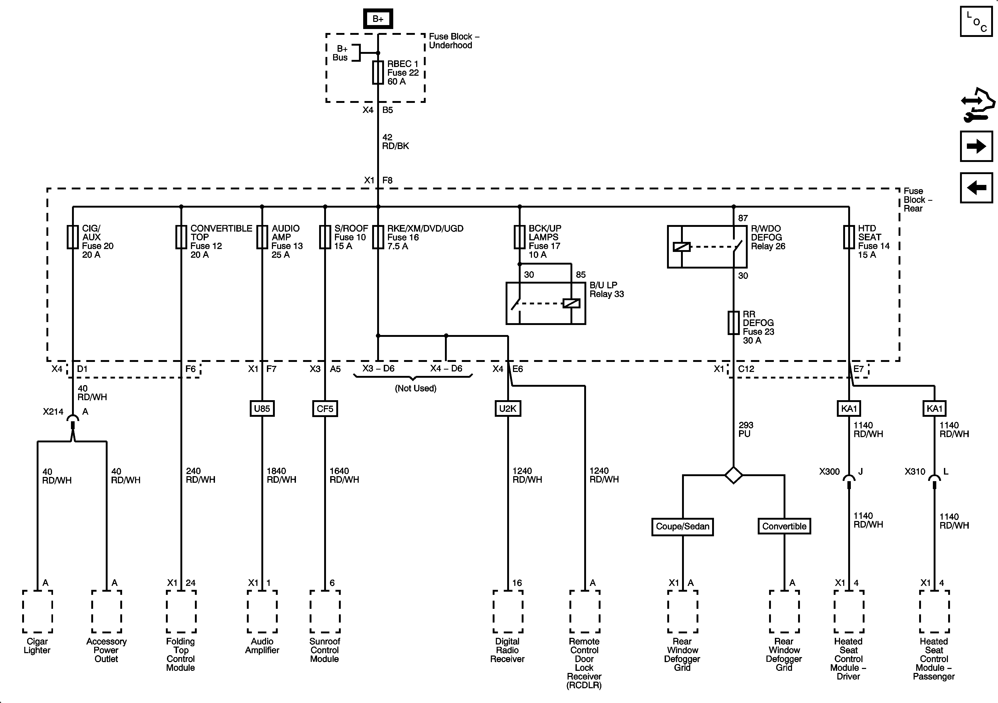
| Figure 4: |
Underhood Fuse Block RBEC 1 and Rear Fuse Block AUDIO AMP, BACK UP LP, CIG/AUX, FOLDING TOP LOGIC POWER HTD ST, RKE/XM/DVD/UGD, RR DEFOG and SUN RF Fuses and BACK UP LP and RR DEFOG Relays
|
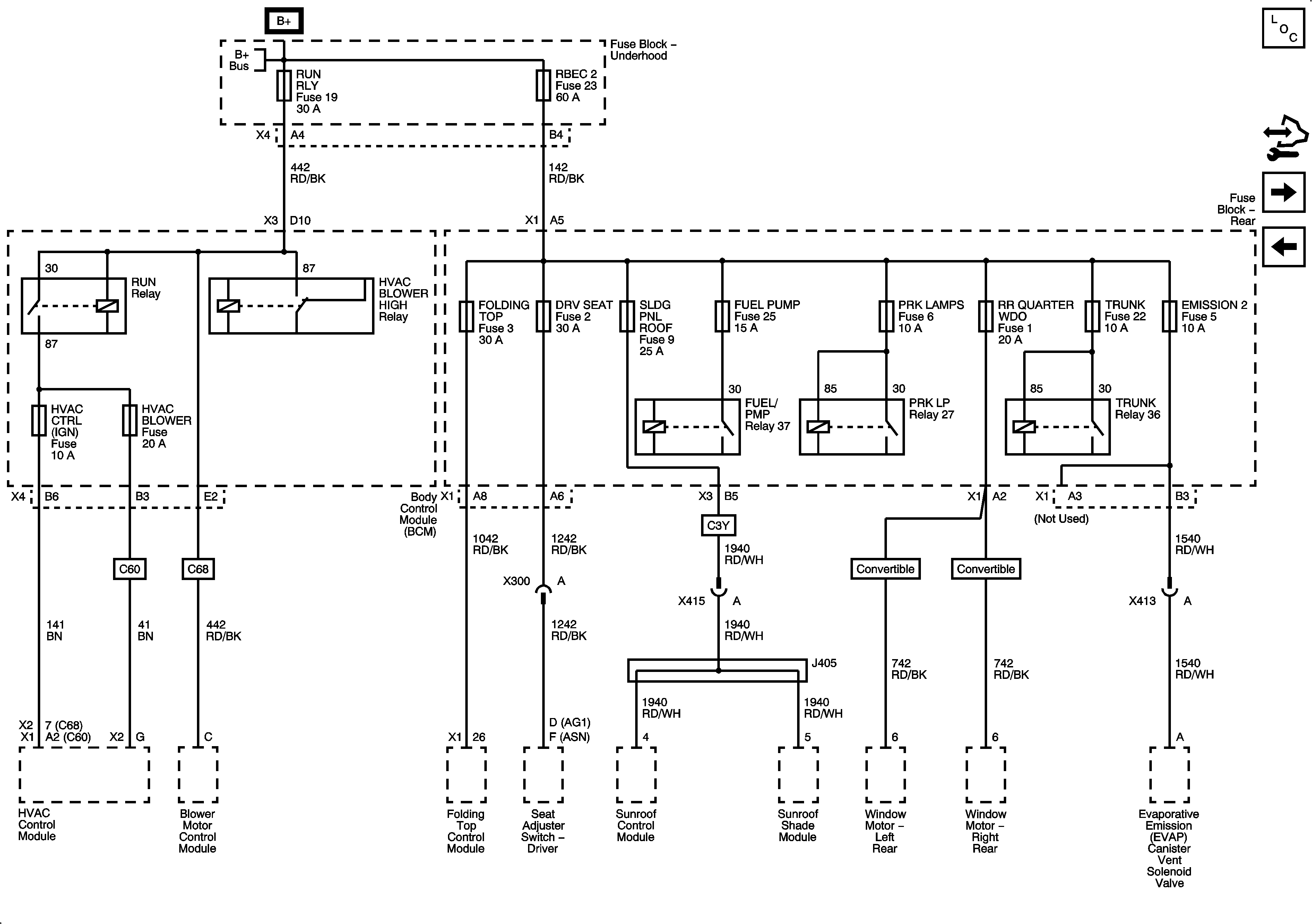
| Figure 5: |
Underhood Fuse Block RBEC 2 Fuse and RUN RLY, BCM, HVAC BLOWER HIGH and RUN Relays, HVAC BLOWER and HVAC CTRL (IGN) Fuses, Rear Fuse Block FUEL, PARK LPS and TRUNK Relays, DRV ST, EMISSION 2, FOLDING T
|
| Figure 6: |
Underhood Fuse Block DRL, LO/BEAM and HI/BEAM Relay, ABS, DRL, EPS, IBCM 1, IBCM 2, LT HI BEAM, LT LOW BEAM, PCM, PWR WDO CPE/CONV, RT HI BEAM, RT LOW BEAM, and TCM Fuses
|
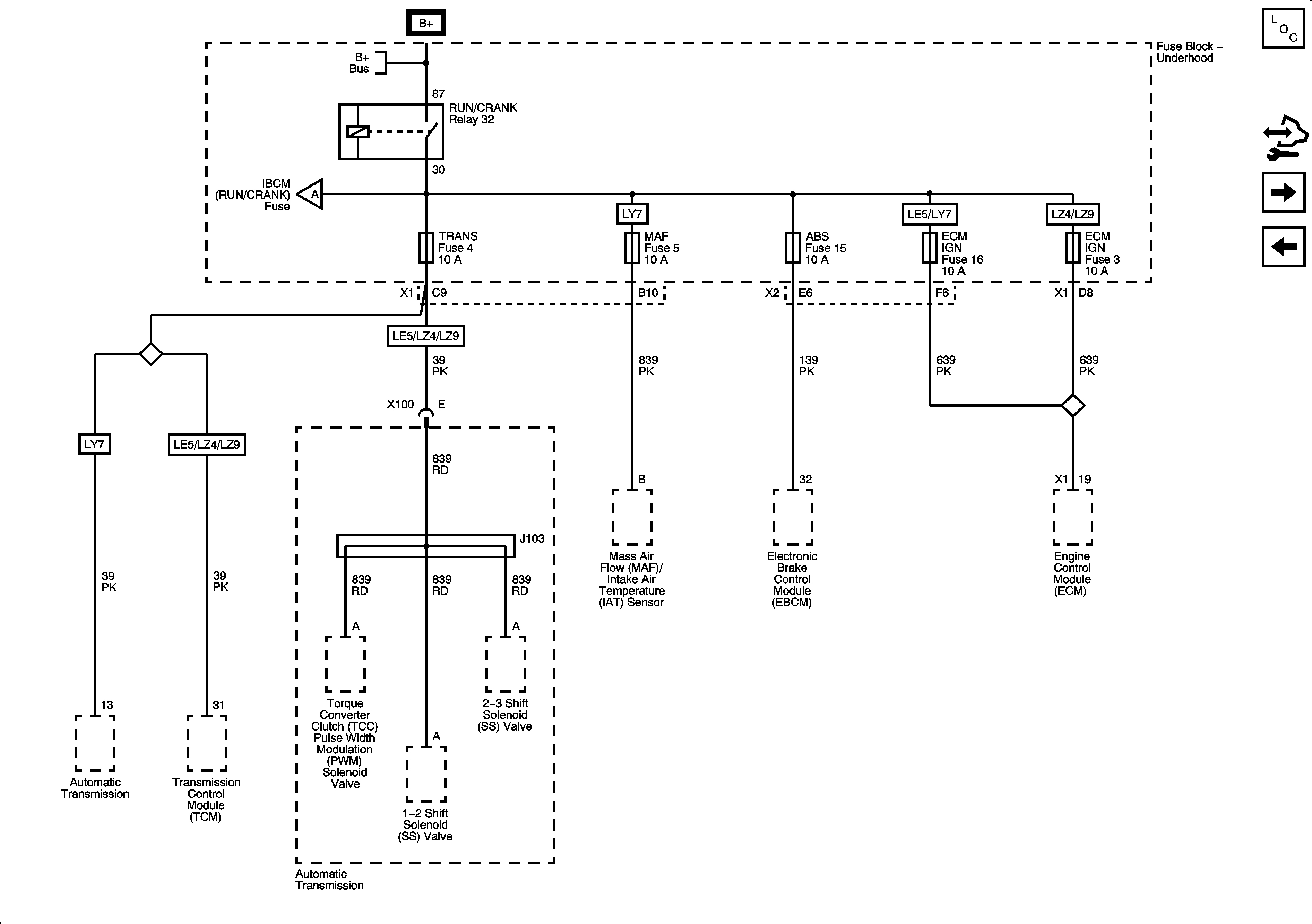
| Figure 7: |
Underhood Fuse Block RUN/CRANK Relay, ABS, IGN 1, INJ, PCM IGN 1 and TRANS Fuses
|
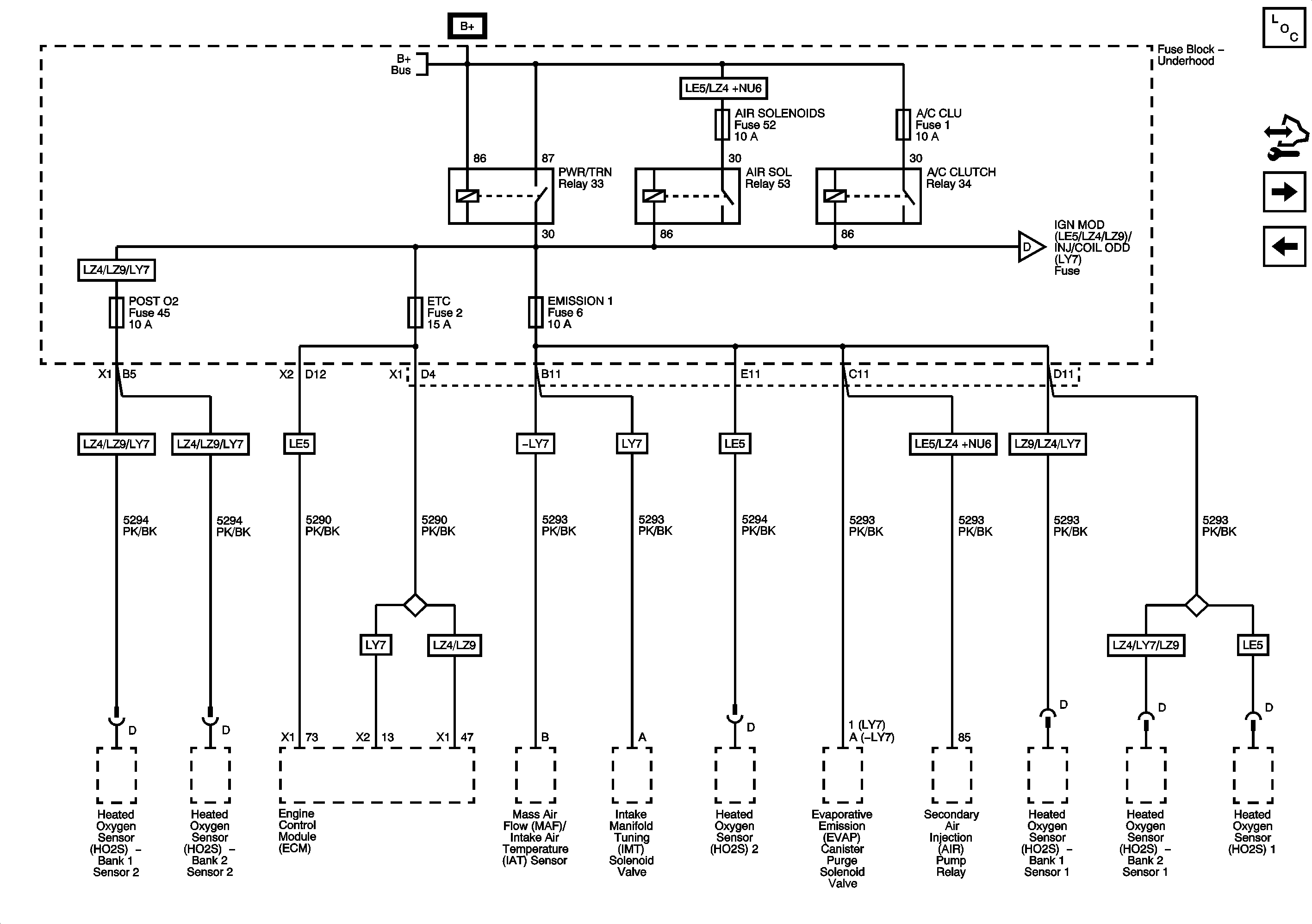
| Figure 8: |
Underhood Fuse Block A/C CLUTCH, AIR SOL (LE5/LZ4 with NU6), and PWR/TRN Relays, EMISSION 1, ETC, POST O2 (LZ4/LZ9/LY7), A/C CLU, and AIR SOLENOIDS (LE5/LZ4 with NU6) Fuses
|
| Figure 9: |
Underhood Fuse Block, IGN MOD (LE5/LZ4/LZ9), INJ/COIL ODD (LY7), INJECTORS (LE5/LZ4/LZ9), and INJ/COIL EVEN (LY7) Fuses
|
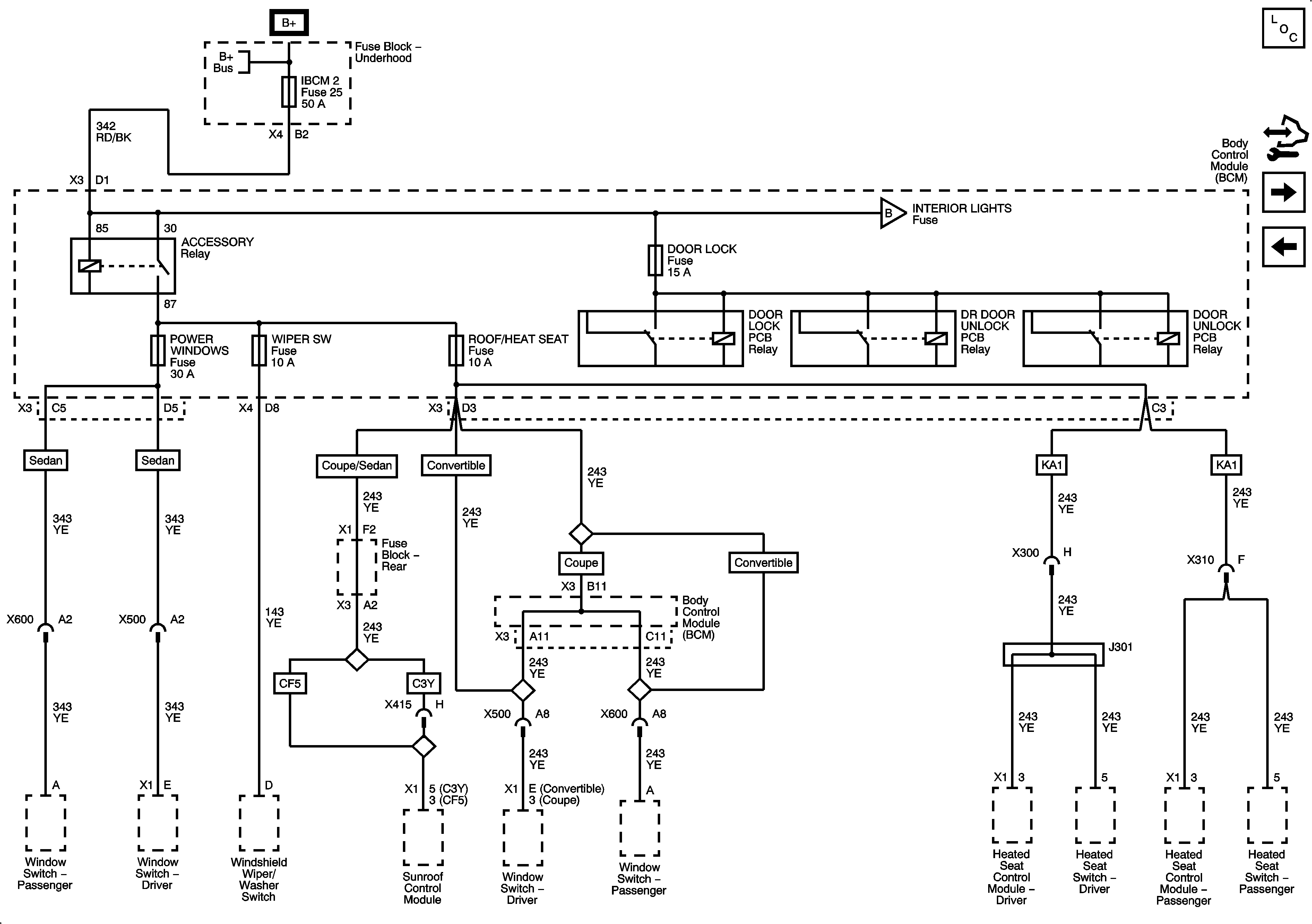
| Figure 10: |
Underhood Fuse Block IBCM 2 Fuse, BCM ACCESSORY Relay, DOOR LOCK, POWER WINDOWS, ROOF/HEAT SEAT and WIPER SW Fuses
|
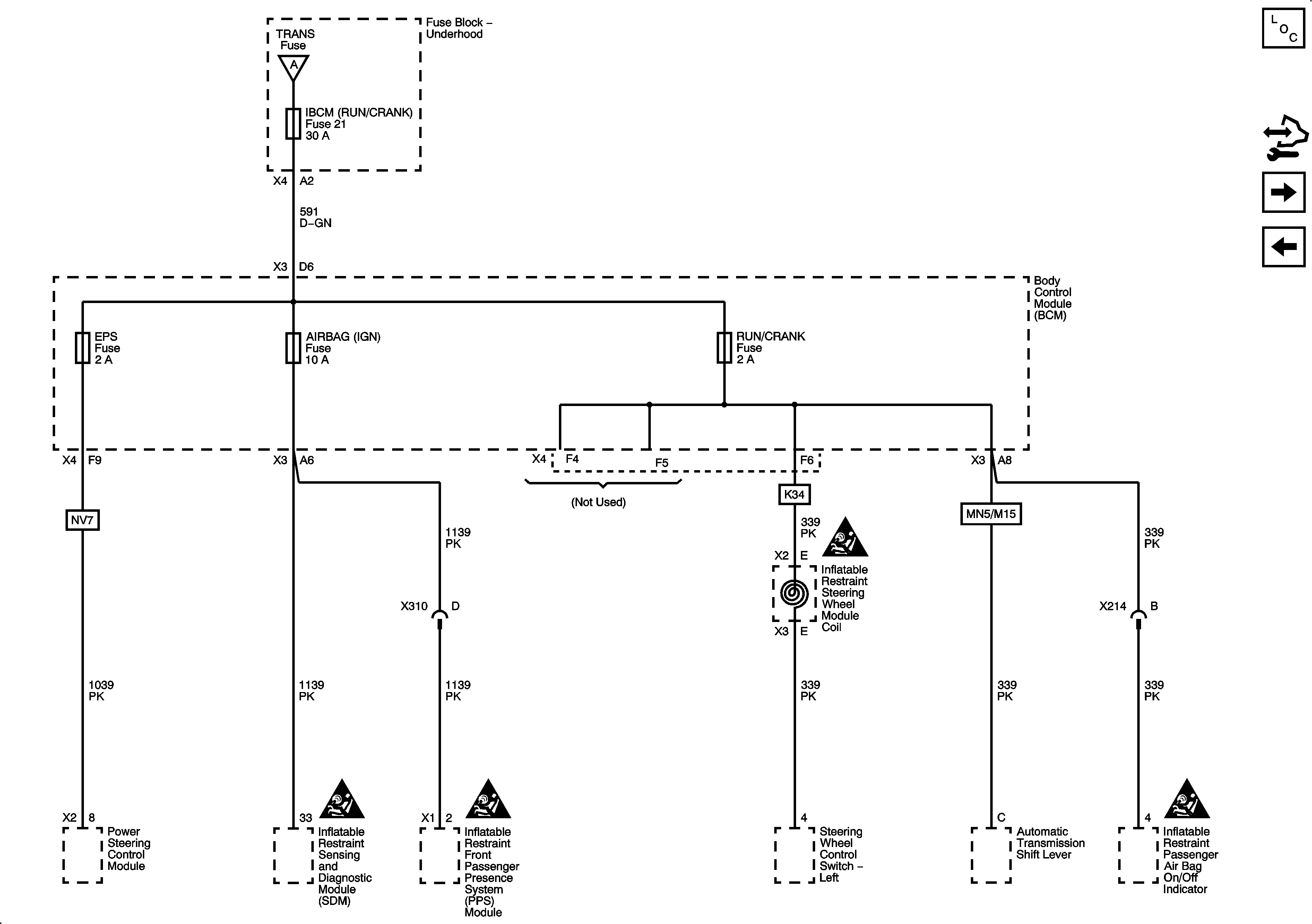
| Figure 11: |
Underhood Fuse Block IBCM (RUN/CRANK), BCM AIRBAG (IGN), EPS and RUN/CRANK Fuses
|
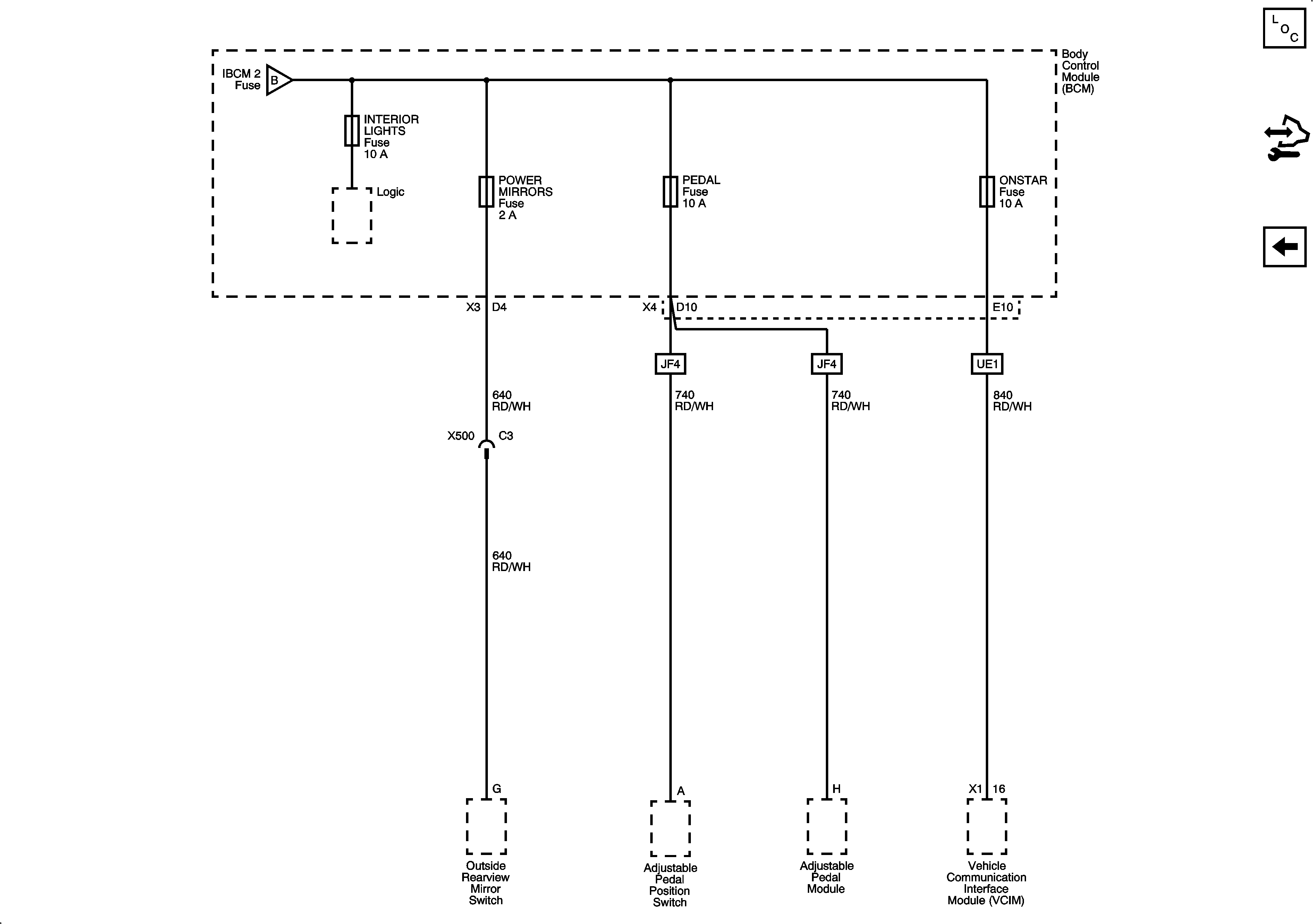
| Figure 12: |
BCM INTERIOR LIGHTS, ONSTAR™, PEDAL and POWER MIRRORS Fuses
|