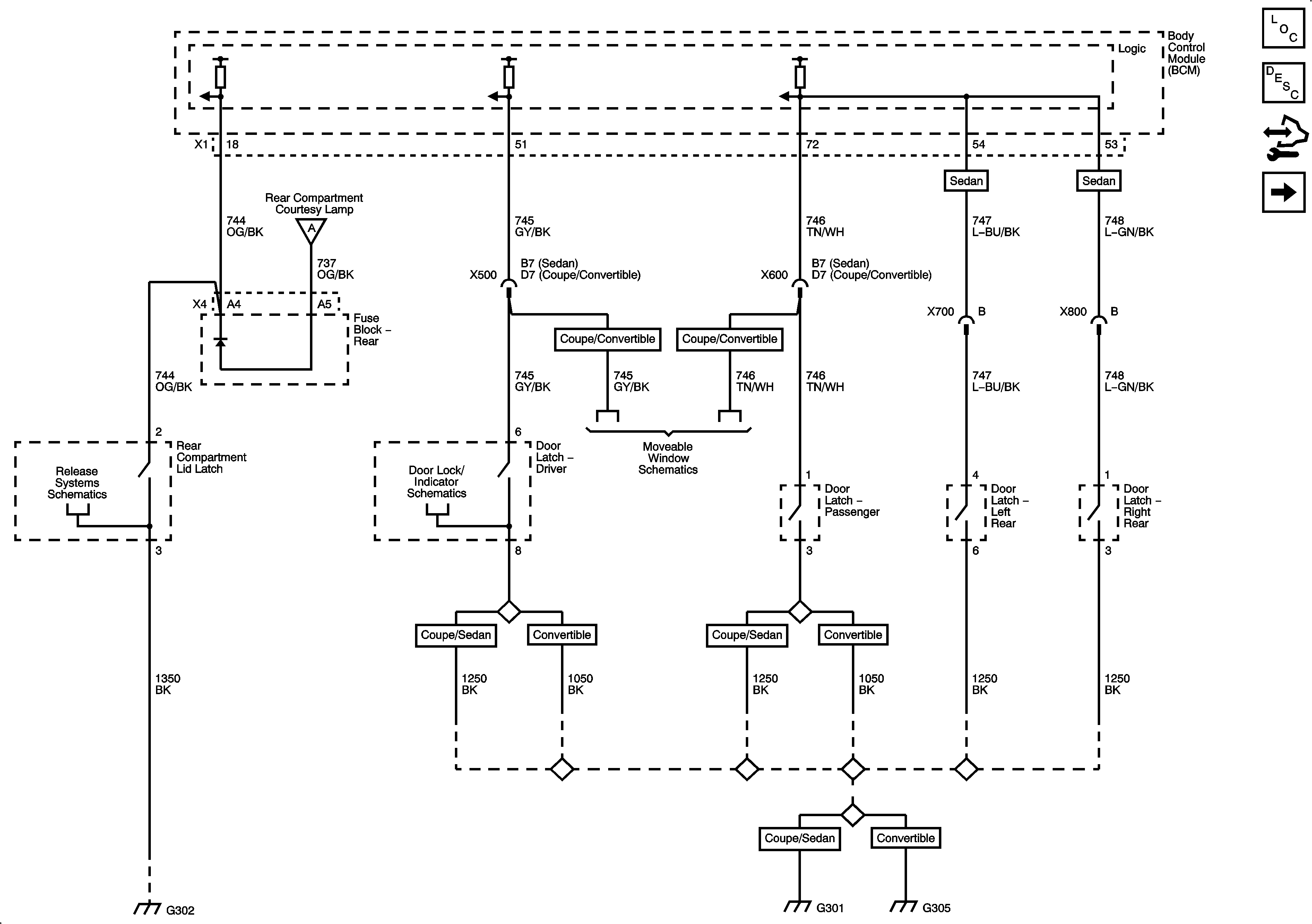
GM Service Manual Online
For 1990-2009 cars only
Figure 1:

Inputs


Object Number: 2078685  Size: FS
Figure 2:

Outputs (Coupe/Sedan)


Object Number: 2078699  Size: FS
Figure 3:

Outputs (Convertible)


Object Number: 2078720  Size: FS