GM Service Manual Online
For 1990-2009 cars only
Makes
🢒
Pontiac
🢒
2009
🢒
G6
🢒
Driver Information and Entertainment
🢒
Displays and Gages
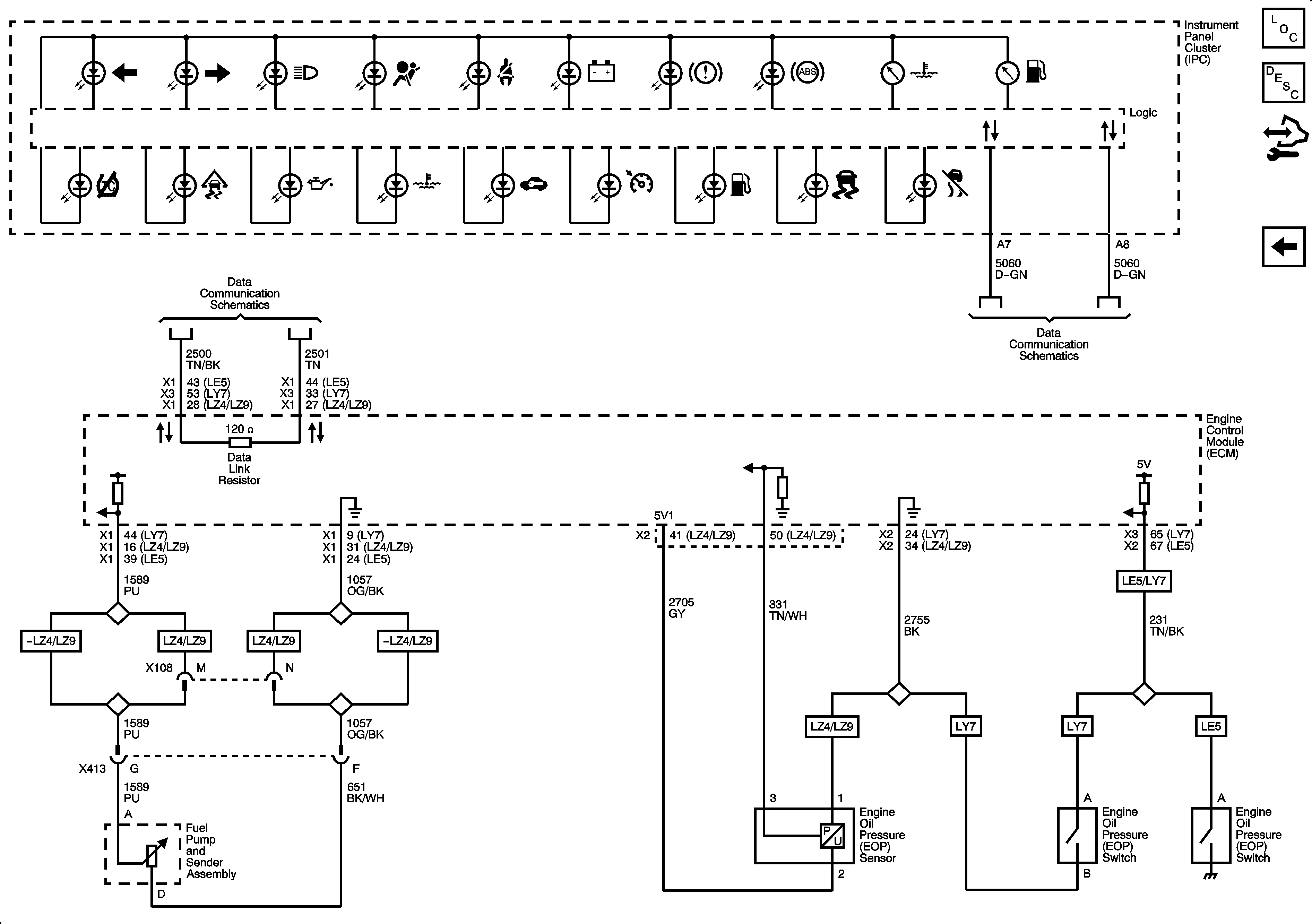
🢒 Instrument Cluster Schematics
Figure
1:
Power, Ground and Illumination
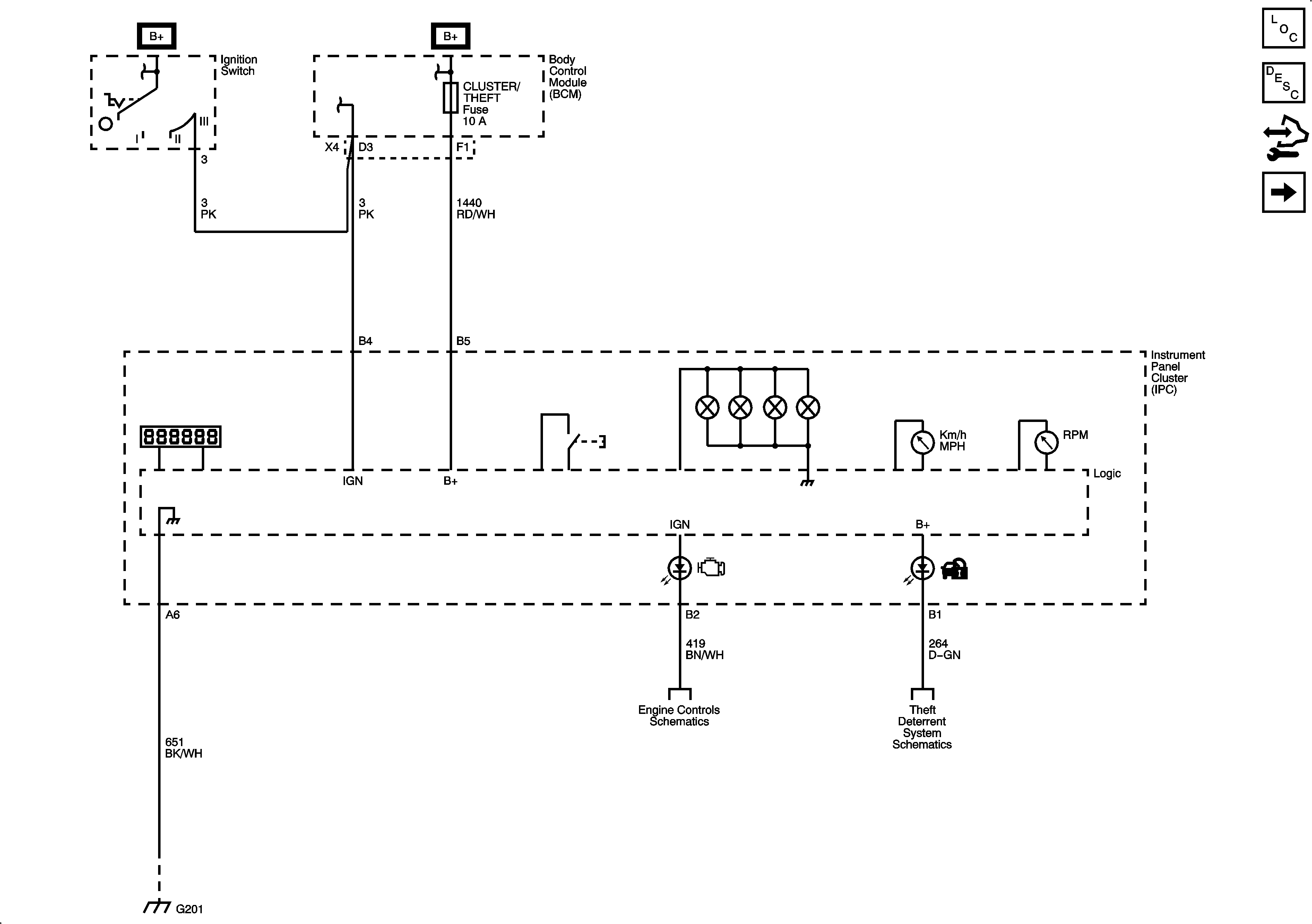
Figure
2:
Indicators