GM Service Manual Online
For 1990-2009 cars only
Figure 1:

Power, Ground, and Serial Data


Object Number: 2079580  Size: FS
Figure 2:

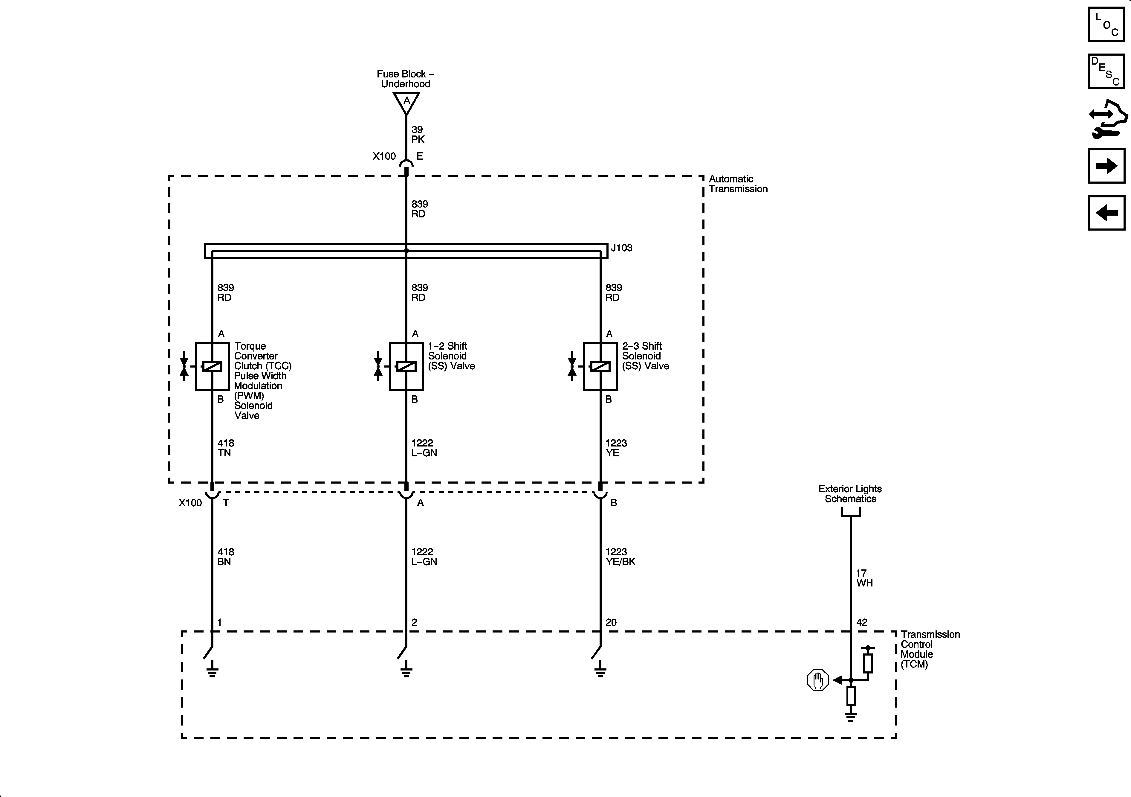
Shift/TCC Solenoids


Object Number: 2079584  Size: FS
Figure 3:

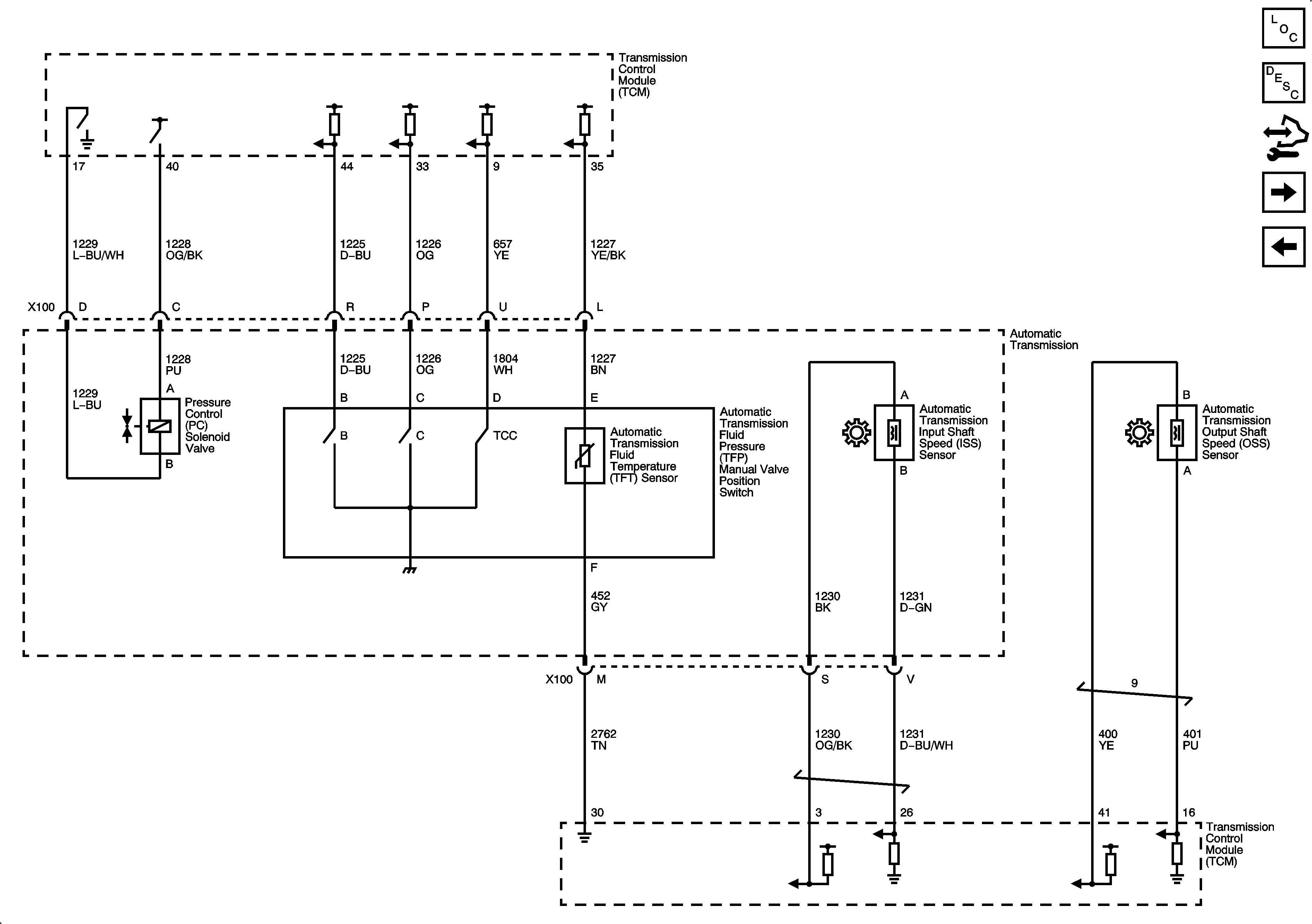
ISS, OSS, PC Solenoid, and TFP Switches


Object Number: 2079588  Size: FS
Figure 4:

PNP Switch


Object Number: 2079592  Size: FS
Figure 5:

Tap Up/Tap Down Switch (LZ4)


Object Number: 2079593  Size: FS