GM Service Manual Online
For 1990-2009 cars only
Figure 1:

DLC, Ground and Power


Object Number: 2079597  Size: FS
Figure 2:

Shift Solenoids, TCC and TFT


Object Number: 2079600  Size: FS
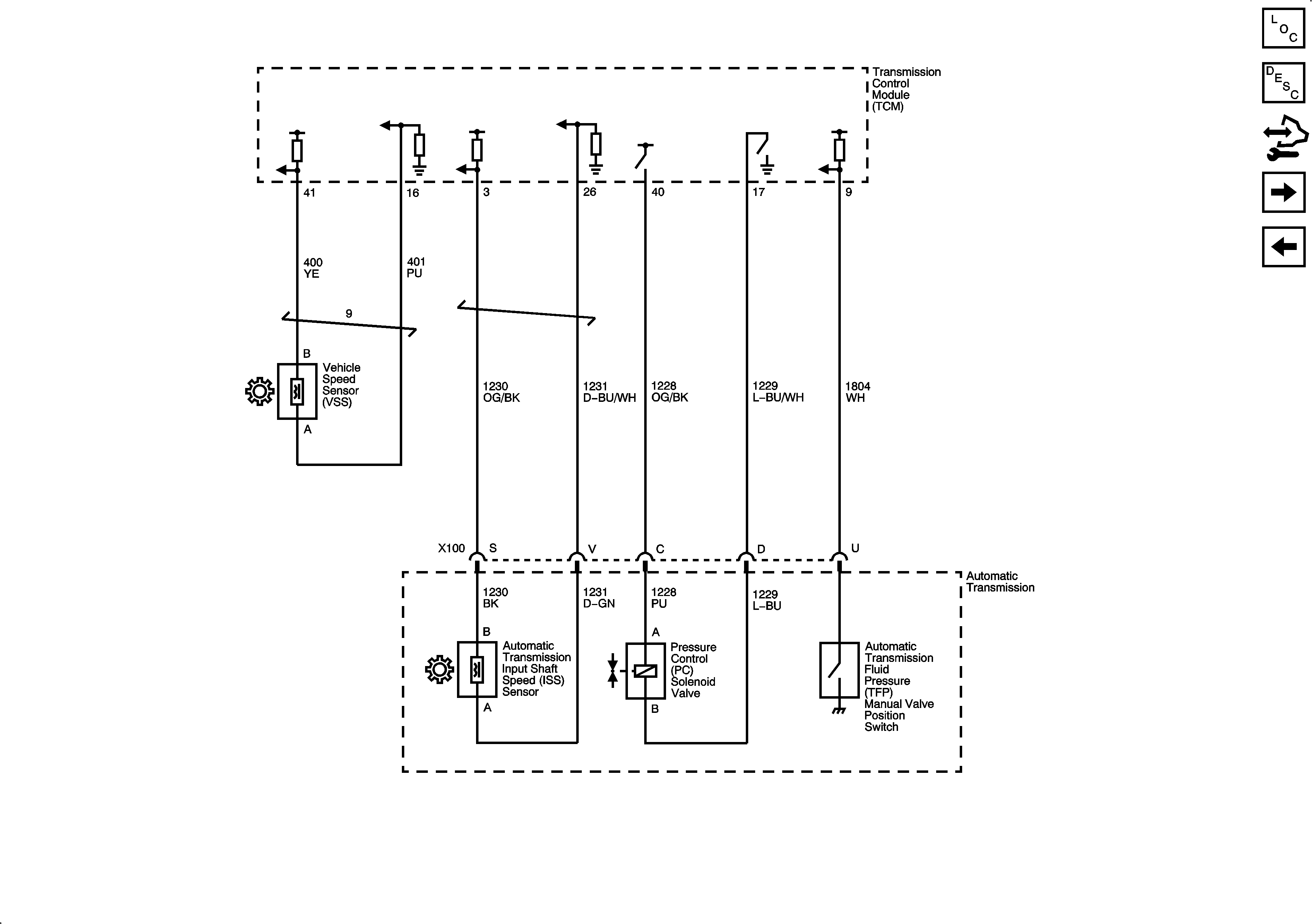
Figure 3:

ISS, Pressure Control and VSS


Object Number: 2079605  Size: FS
Figure 4:

Internal Mode Switch (IMS)


Object Number: 2079609  Size: FS
Figure 5:

Tap Up/Tap Down Switch


Object Number: 2079612  Size: FS