GM Service Manual Online
For 1990-2009 cars only
Makes
🢒
Pontiac
🢒
2009
🢒
G6
🢒
Transmission
🢒
Automatic Transmission - 6T40/6T45
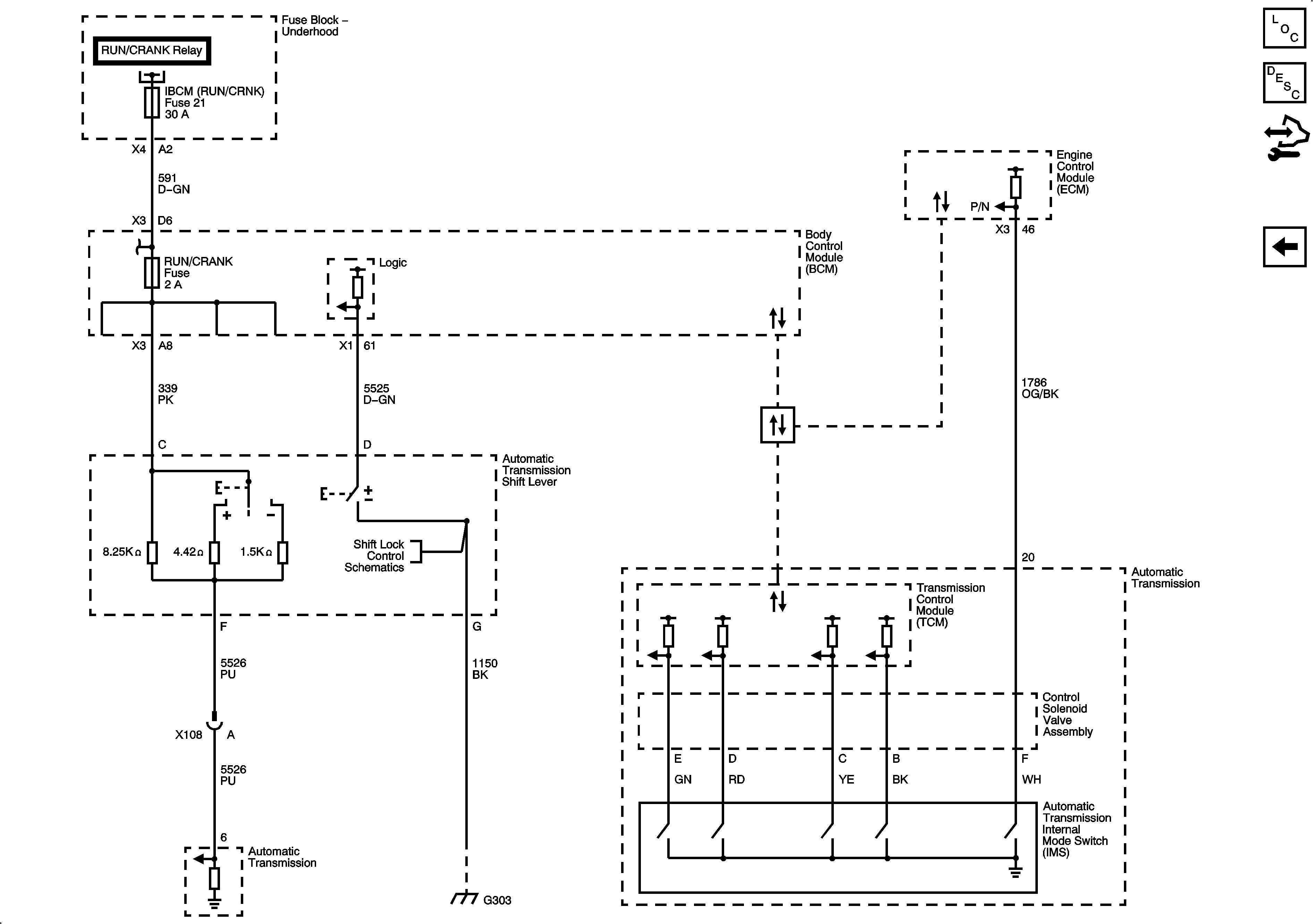
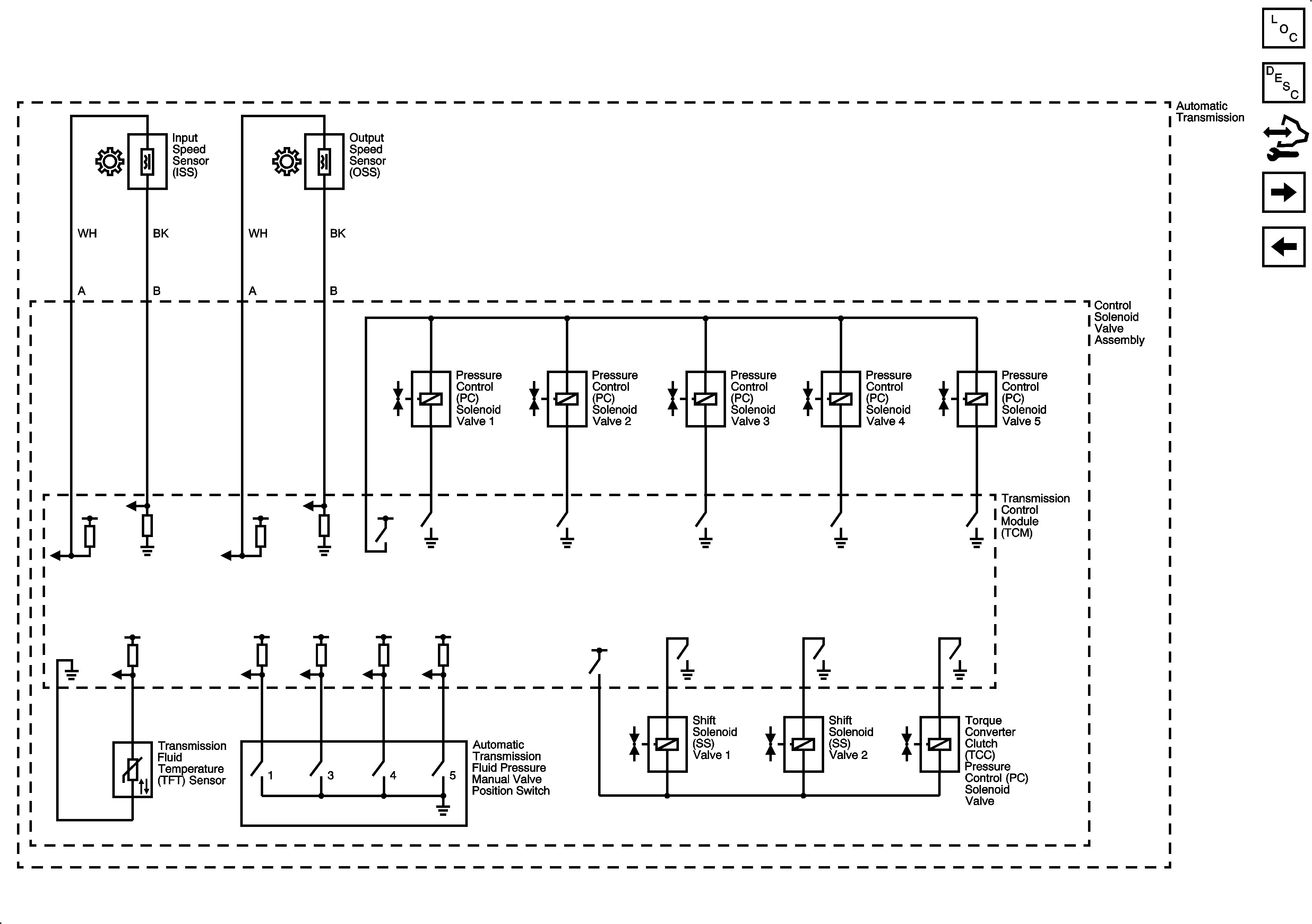
🢒 Automatic Transmission Controls Schematics
Figure
1:
Ground and Power
Figure
2:
BCM, EBCM, ECM
Figure
3:
BCM, Tap Up/Tap Down Switch