GM Service Manual Online
For 1990-2009 cars only
Table 1: Fluid Pump with Valve Trains Assemble
Table 2: Torque Converter Fluid Seal and Fluid Filter Assembly Assemble

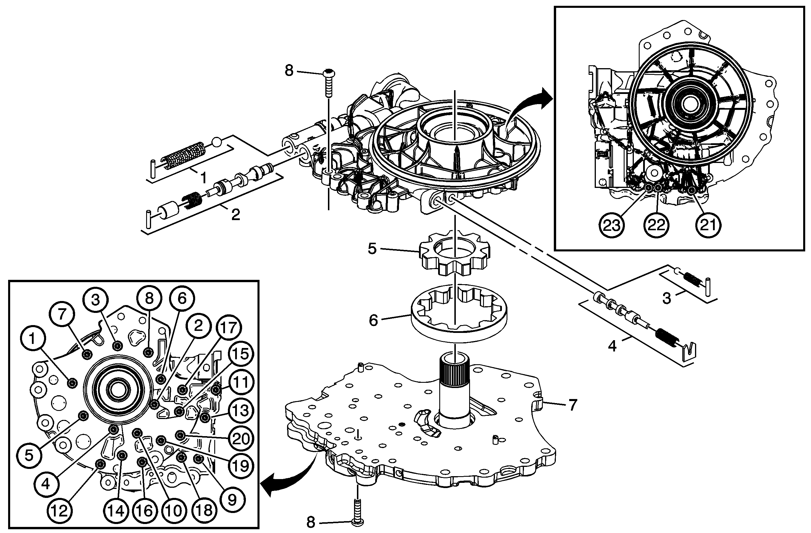
Fluid Pump with Valve Trains Assemble


Object Number: 1891428  Size: MF

Fluid Pump with Valve Trains Assemble

Callout

Component Name

1

TCC Blow Off Ball Valve Train

2

Pressure Regulator Valve Train

3

Fluid Pump Blow Off Ball Valve Train

4

TCC Control Valve Train

5

Fluid Pump Drive Gear

Tip
The chamfer on the drive gear teeth face towards the pump body.

6

Fluid Pump Driven Gear

Tip
The chamfer on the driven gear OD faces the pump body.

7

Fluid Pump Cover

8

Fluid Pump Cover Bolt M6 x 25 (Qty: 23)

Caution: Refer to Fastener Caution in the Preface section.

Tighten
12 N·m (106 lb in)

Torque Converter Fluid Seal and Fluid Filter Assembly Assemble


Object Number: 1891430  Size: MF

Torque Converter Fluid Seal and Fluid Filter Assembly Assemble

Callout

Component Name

1

Torque Converter Fluid Seal Assembly

Tip
The fluid seal assembly must be staked in place using DT-49131 tool to ensure proper seal retention.

Special Tools

    • DT-47792 Seal Installer
    • DT-49131 Seal Staking Tool

2

Torque Converter Fluid Seal

Special Tools

DT-47791 Seal Installer

3

Torque Converter Fluid Seal Retainer

4

Fluid Filter Assembly

Tip
Rotate filter 90 degrees to engage locking tangs.