GM Service Manual Online
For 1990-2009 cars only

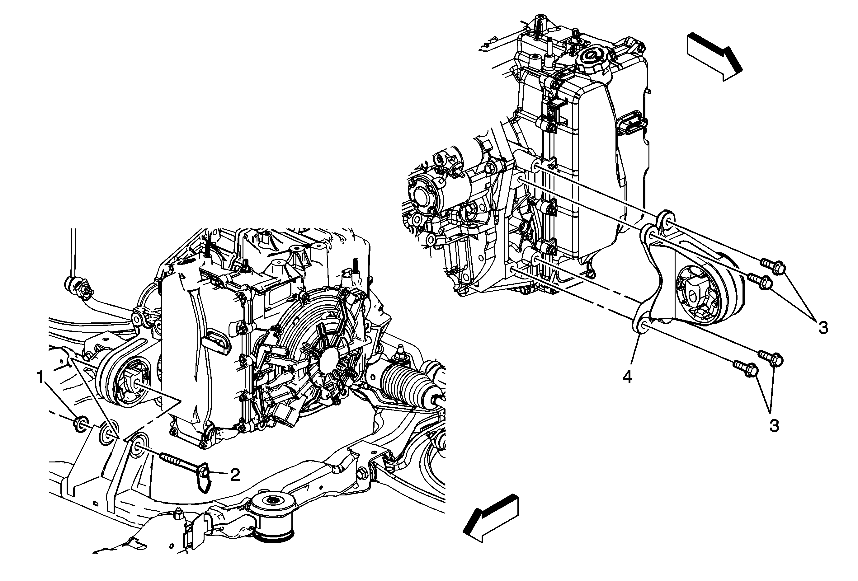
Object Number: 1830957  Size: MF

Callout

Component Name

Preliminary Procedures

  1. Raise and support the vehicle. Refer to Lifting and Jacking the Vehicle.
  2. Support the transmission with a transmission jack.

1

Front Transmission Mount Nut

Caution: Refer to Fastener Caution in the Preface section.

Tighten
90 N·m (66 lb ft)

2

Front Transmission Mount Thru Bolt

3

Front Transmission Mount Bolt (Qty: 4)

Tighten
50 N·m (37 lb ft)

4

Front Transmission Mount