GM Service Manual Online
For 1990-2009 cars only
Makes
🢒
Pontiac
🢒
2008
🢒
G8
🢒
Diagnostic Navigation
🢒
Vehicle Diagnostic Information
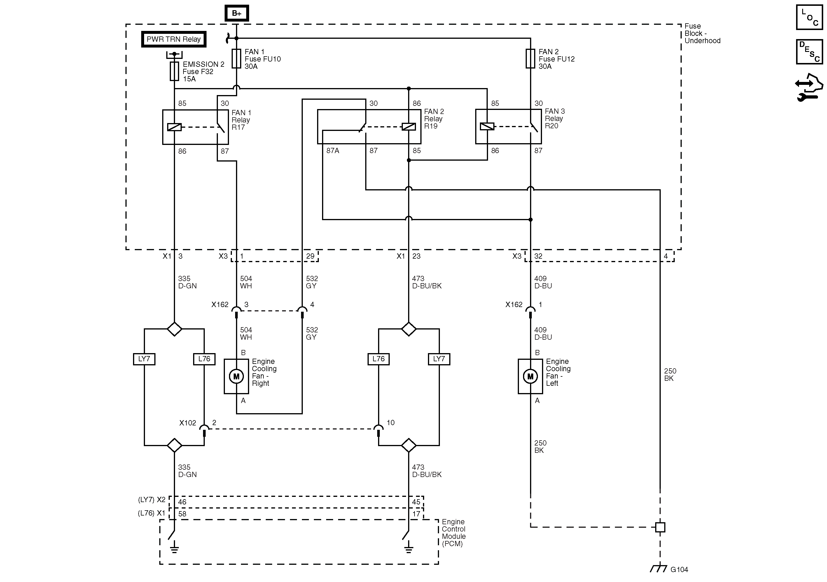
🢒 Engine Cooling Schematics