GM Service Manual Online
For 1990-2009 cars only
Makes
🢒
Pontiac
🢒
2008
🢒
G8
🢒
Body Systems
🢒
Lighting
🢒 Headlights/Daytime Running Lights (DRL) Schematics
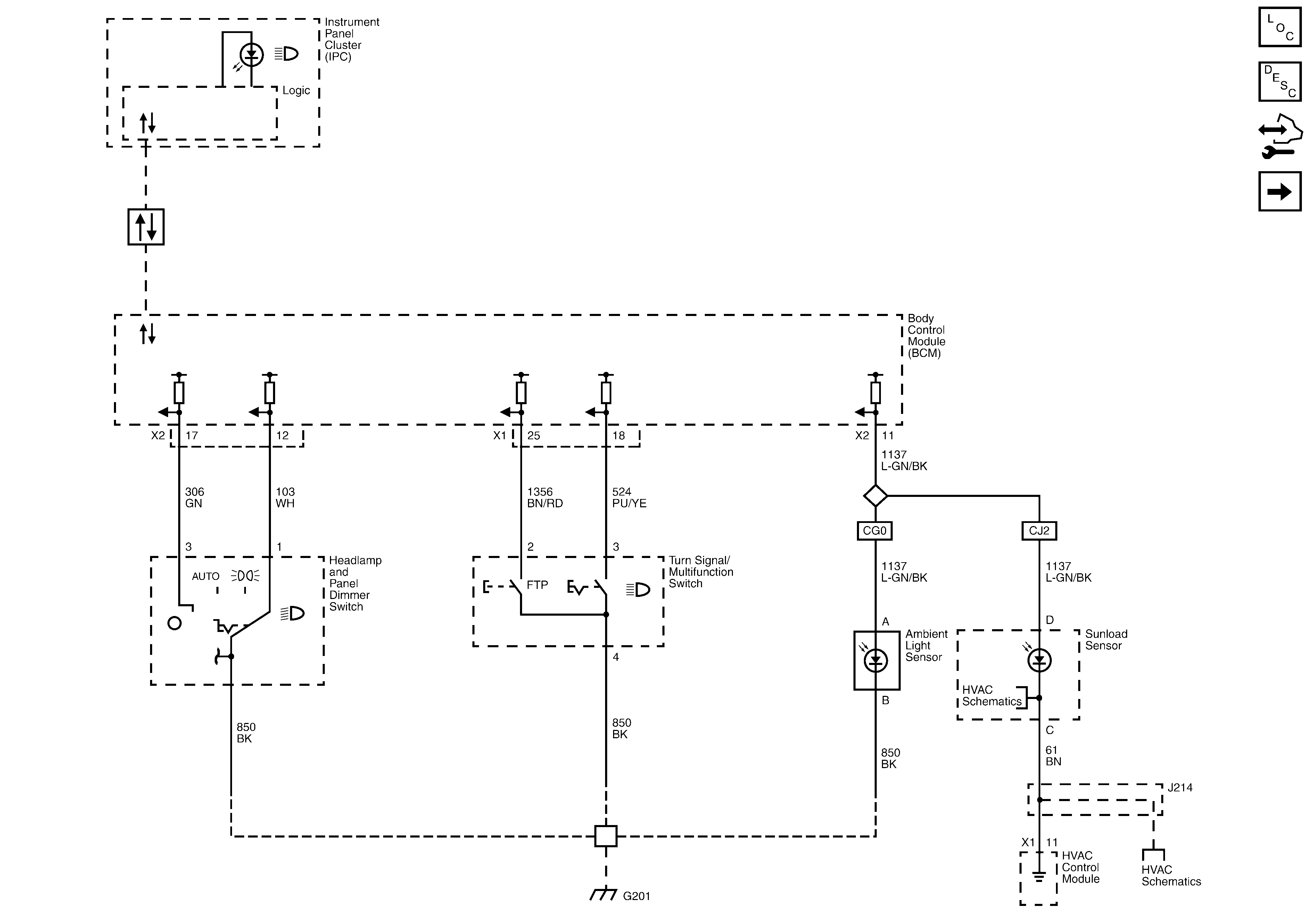
Figure
1:
Headlamp and Turn Signal Multifunction Switches and Ambient Light Sensors
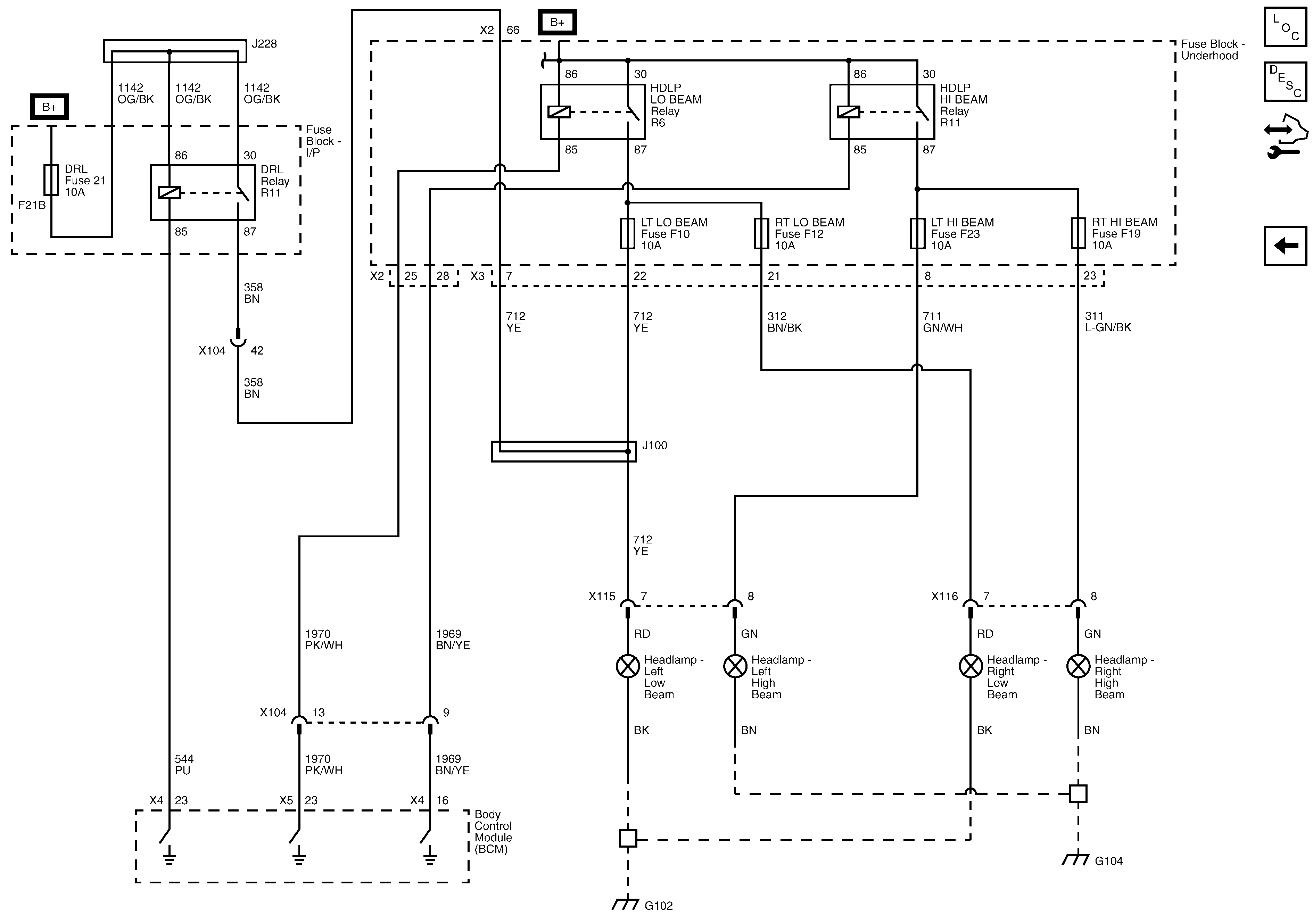
Figure
2:
Headlamps Power and Ground