GM Service Manual Online
For 1990-2009 cars only
Makes
🢒
Pontiac
🢒
2008
🢒
G8
🢒
Body Systems
🢒
Lighting
🢒 Interior Lights Schematics
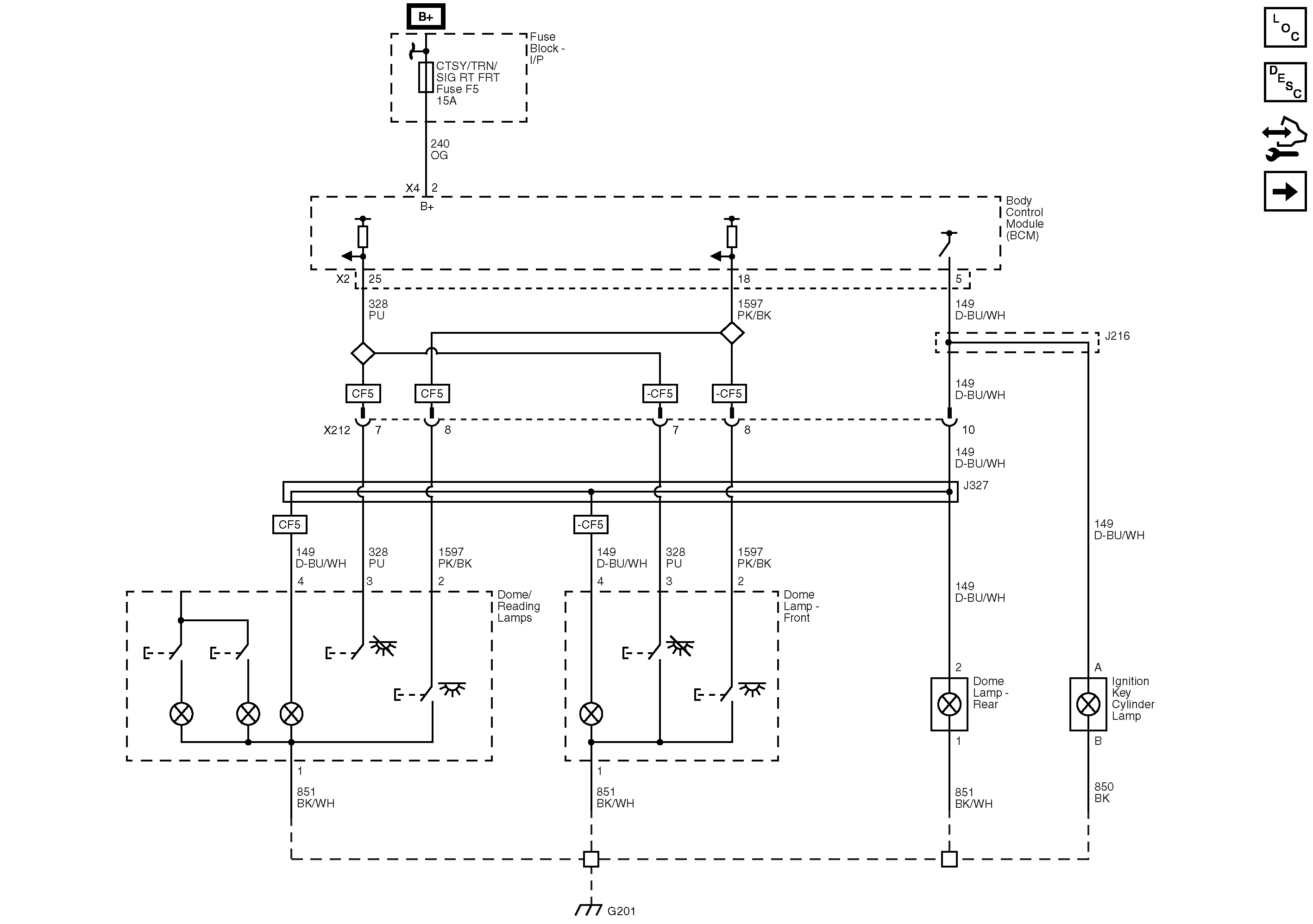
Figure
1:
Courtesy Lamps
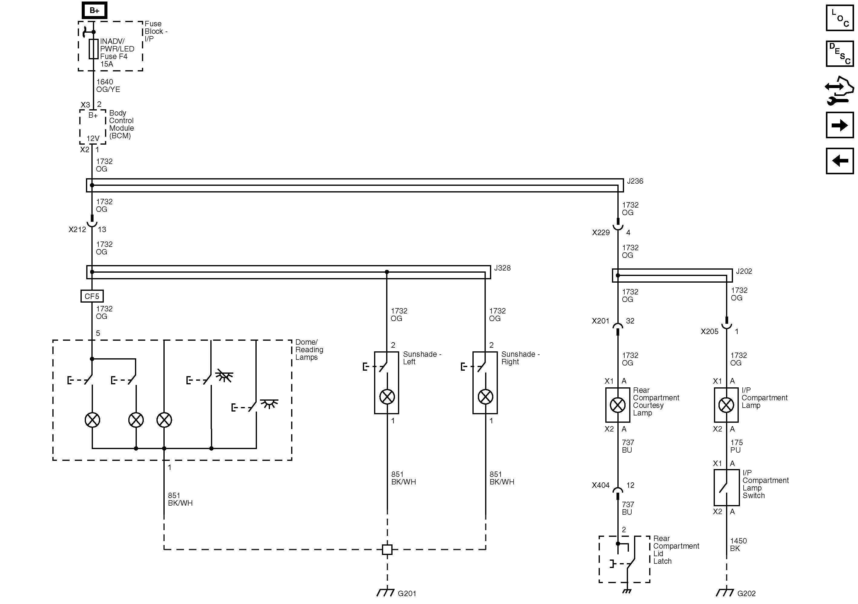
Figure
2:
Inadvertent Lamps