GM Service Manual Online
For 1990-2009 cars only
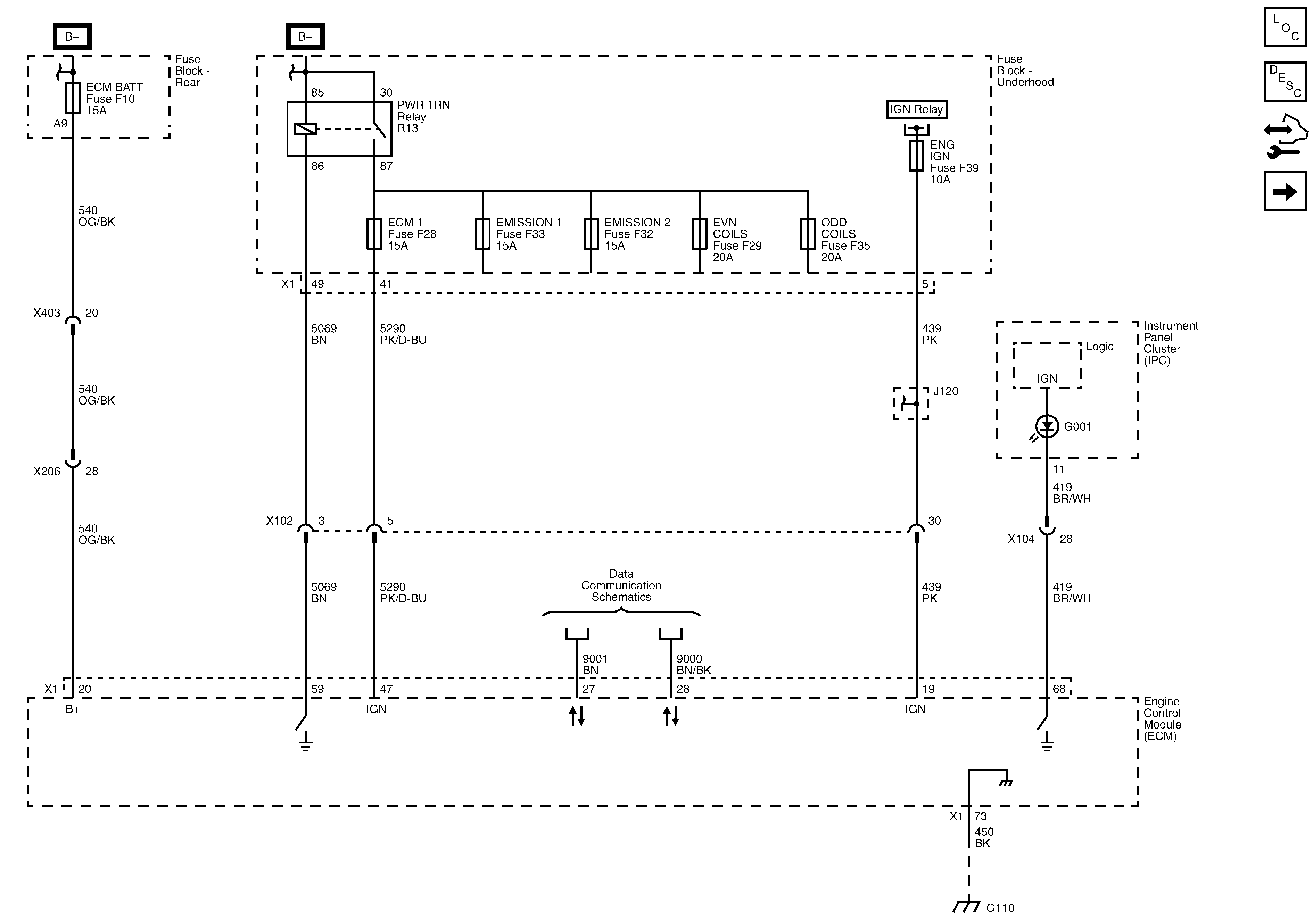
Figure 1:

Module Power, Ground and Serial Data


Object Number: 2034136  Size: FS
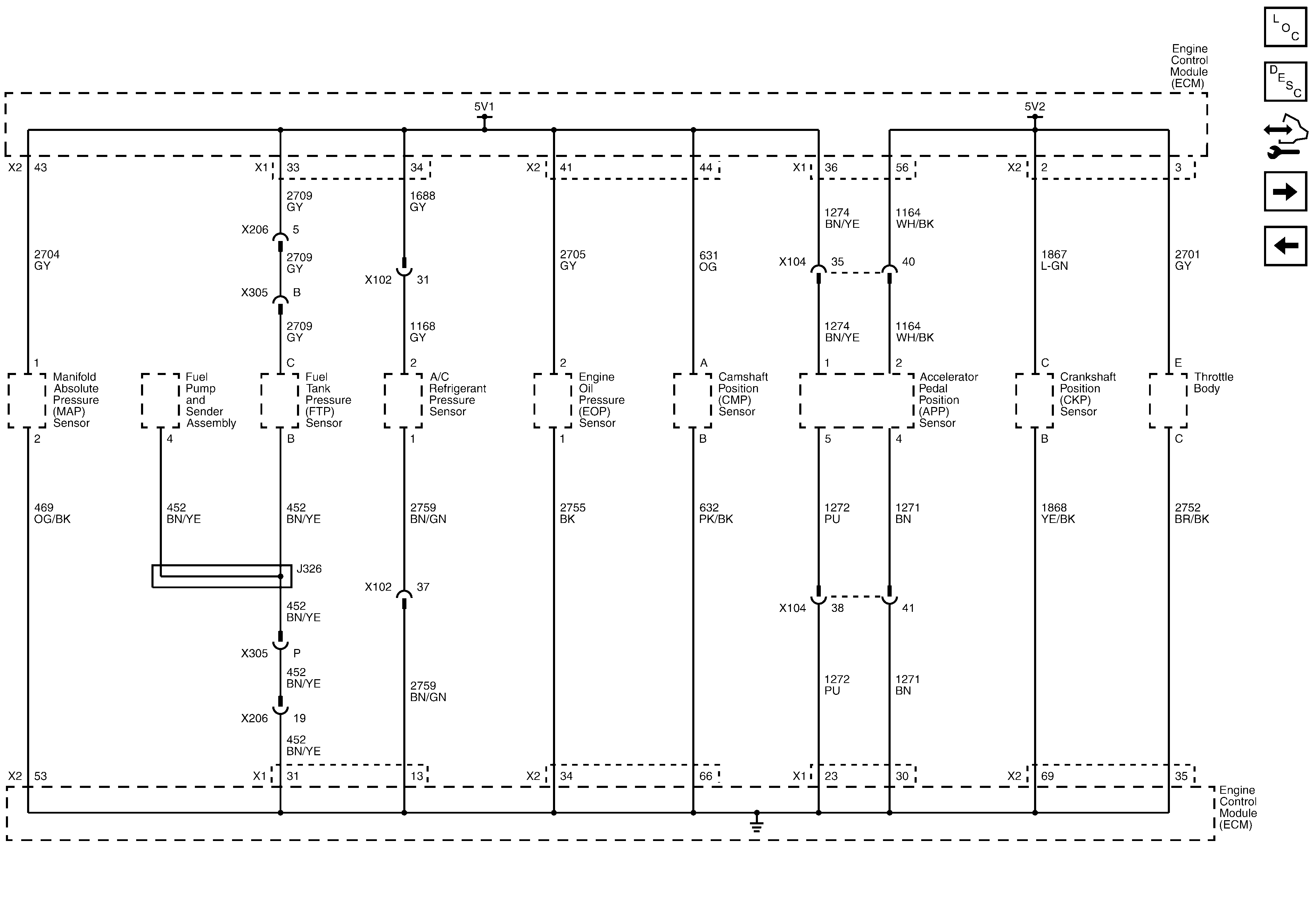
Figure 2:

Engine Data Sensors - 5-Volt and Low Reference


Object Number: 2034152  Size: FS
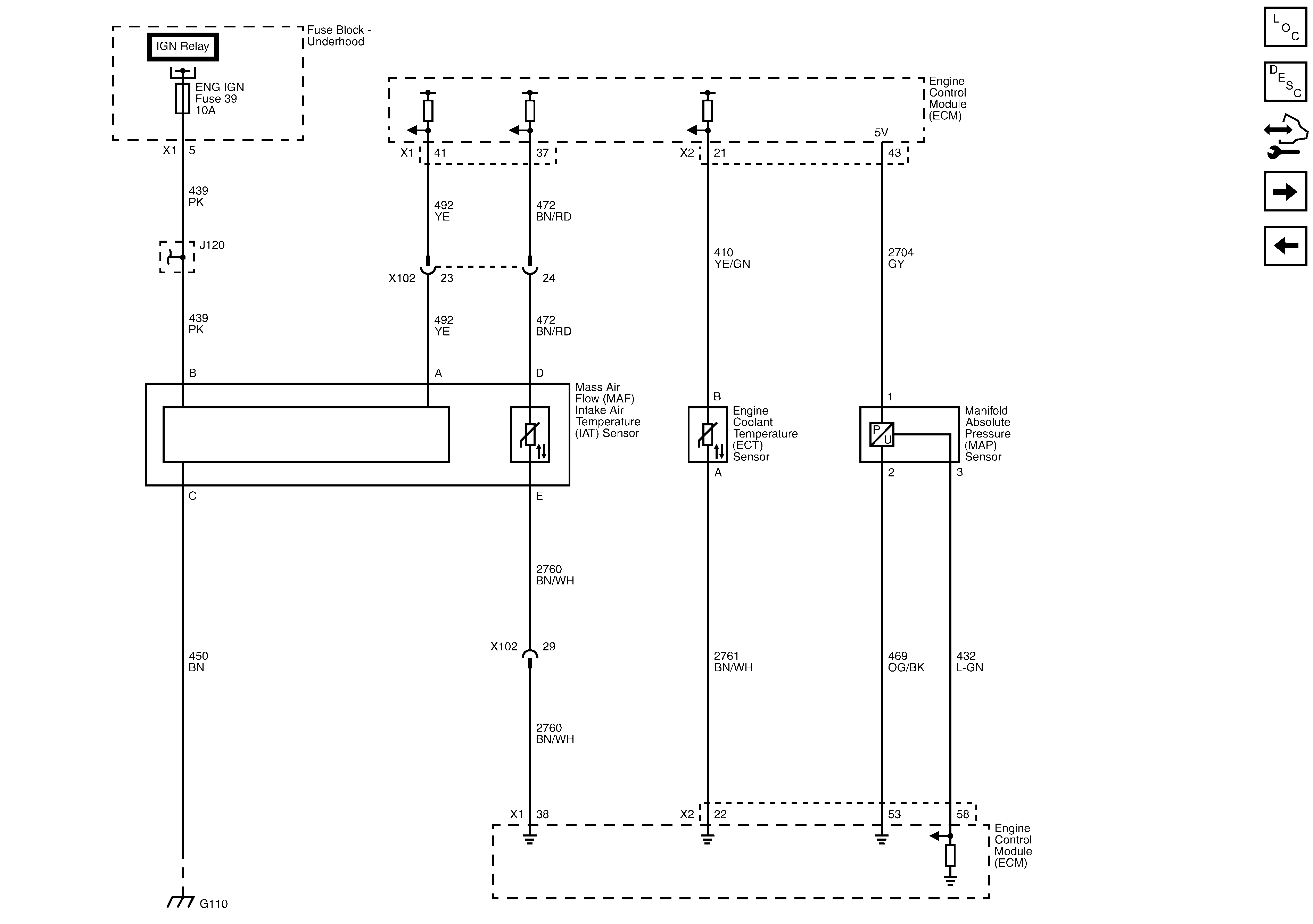
Figure 3:

Engine Data Sensors - Pressure and Temperature


Object Number: 2034135  Size: FS
Figure 4:

Engine Data Sensors - Throttle Controls


Object Number: 2073139  Size: FS
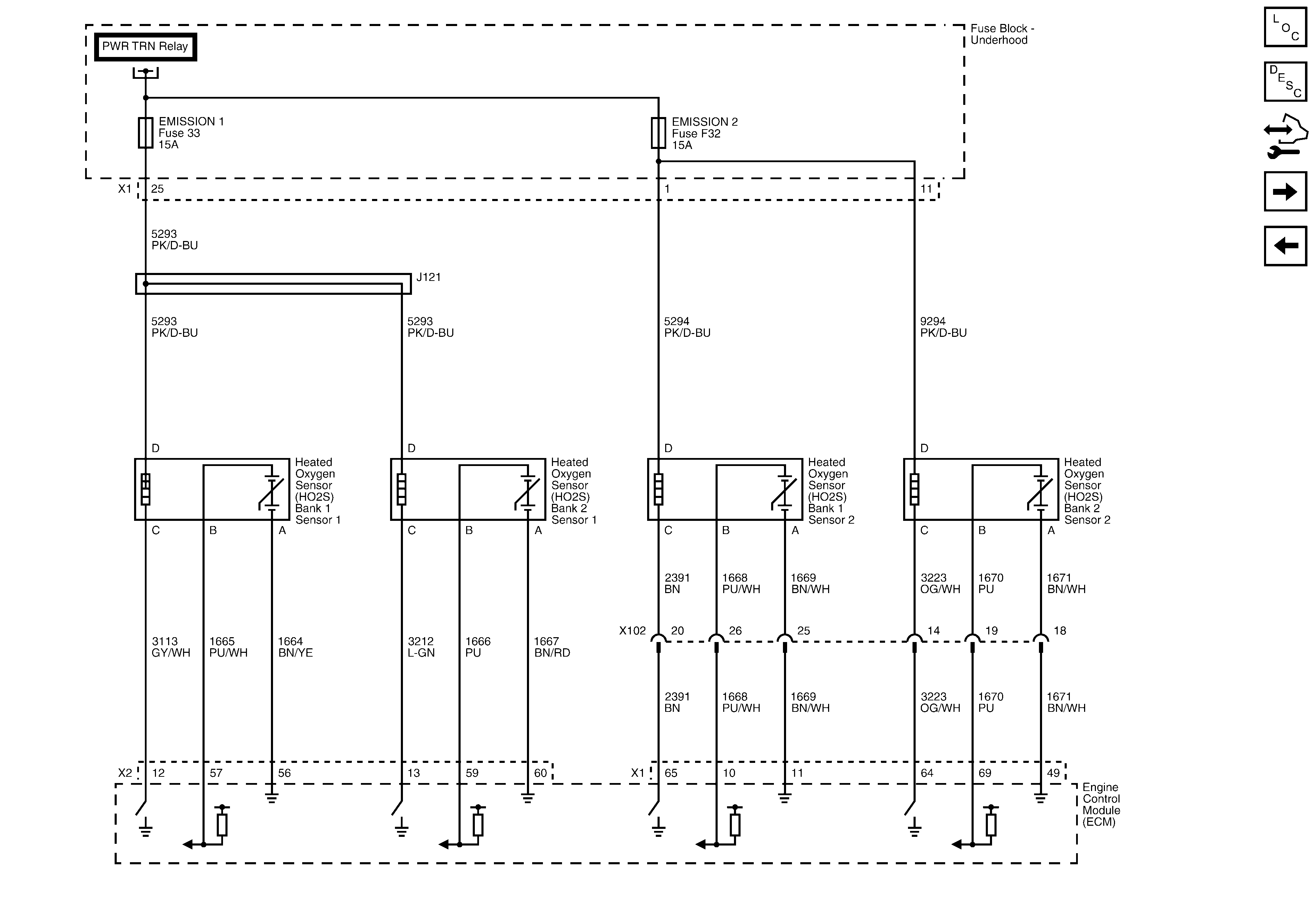
Figure 5:

Engine Data Sensors - Oxygen Sensors


Object Number: 2034155  Size: FS
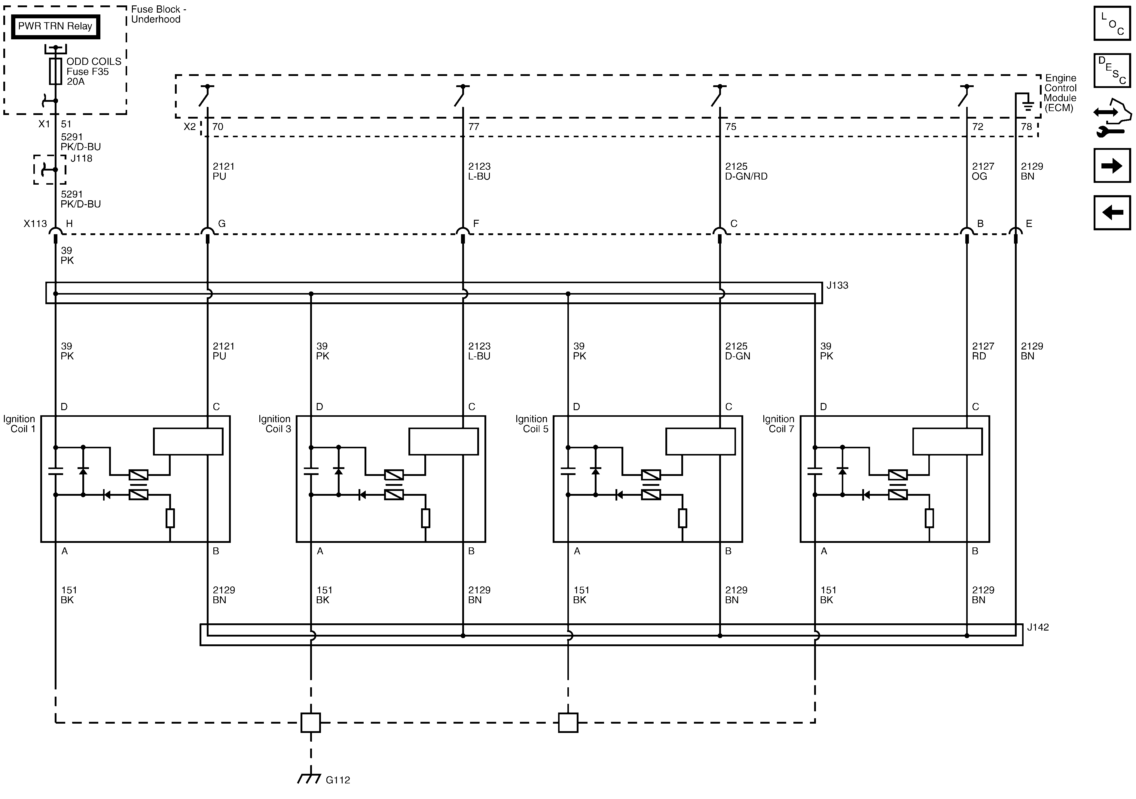
Figure 6:

Ignition Controls - Ignition System Coils 1, 3, 5, and 7


Object Number: 2073141  Size: FS
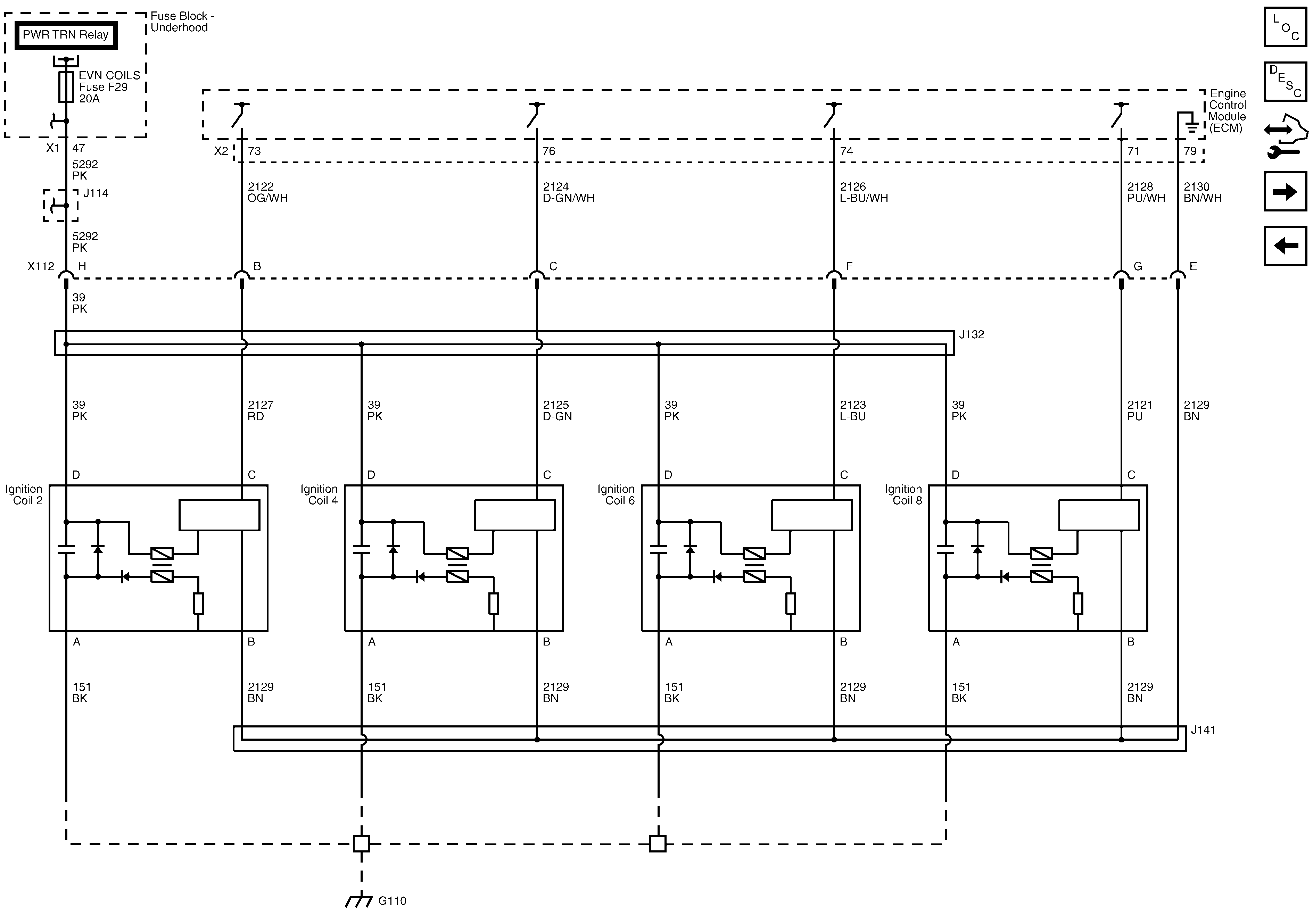
Figure 7:

Ignition Controls - Ignition System Coils 2, 4, 6, and 8


Object Number: 2073143  Size: FS
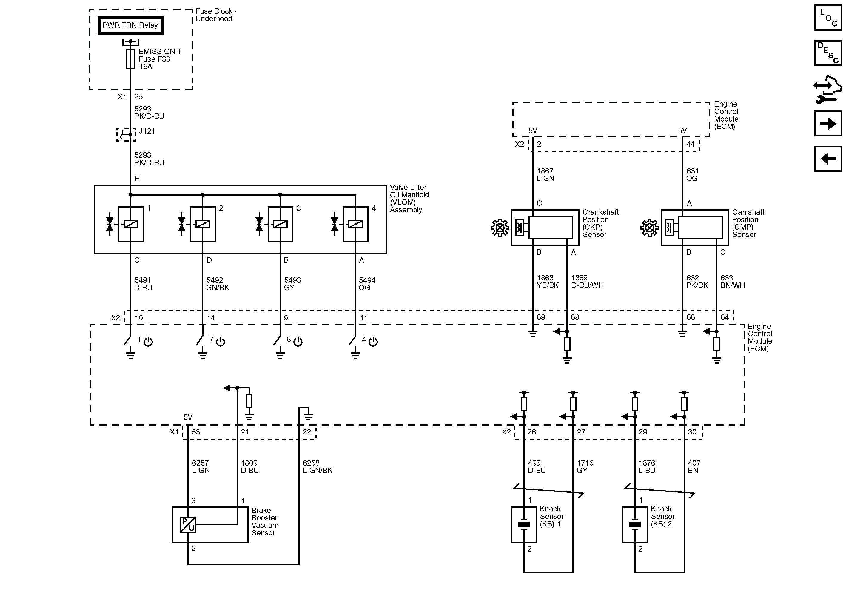
Figure 8:

Ignition Controls - Sensors


Object Number: 2073146  Size: FS
Figure 9:

Fuel Controls - Fuel Injectors


Object Number: 2073177  Size: FS
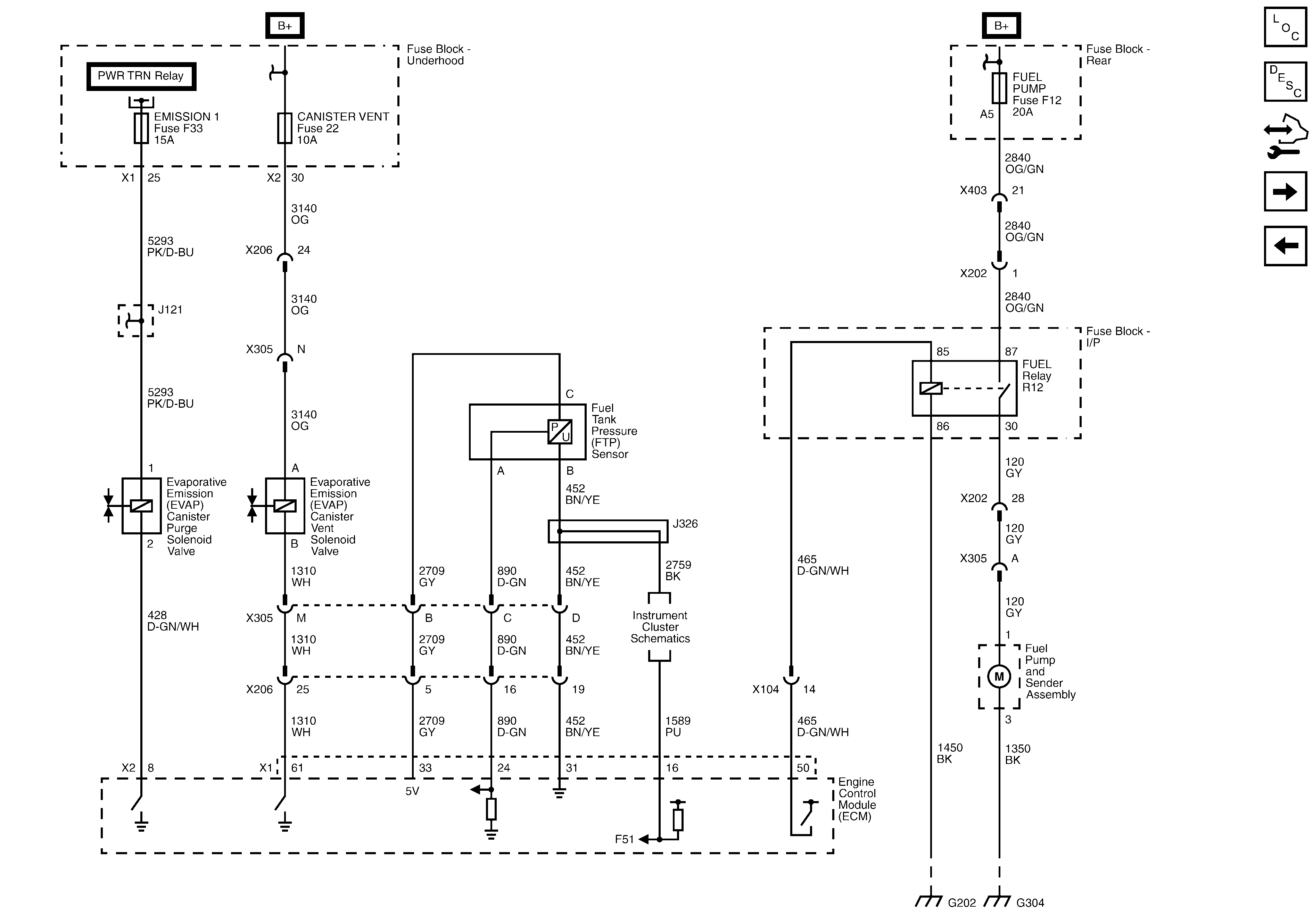
Figure 10:

Fuel Controls - Fuel Pump and EVAP Controls


Object Number: 2073159  Size: FS
Figure 11:

Controlled/Monitored Subsystem References


Object Number: 2073197  Size: FS