GM Service Manual Online
For 1990-2009 cars only
Figure 1:

B+ Bus - 1 of 2


Object Number: 2034202  Size: FS
Figure 2:

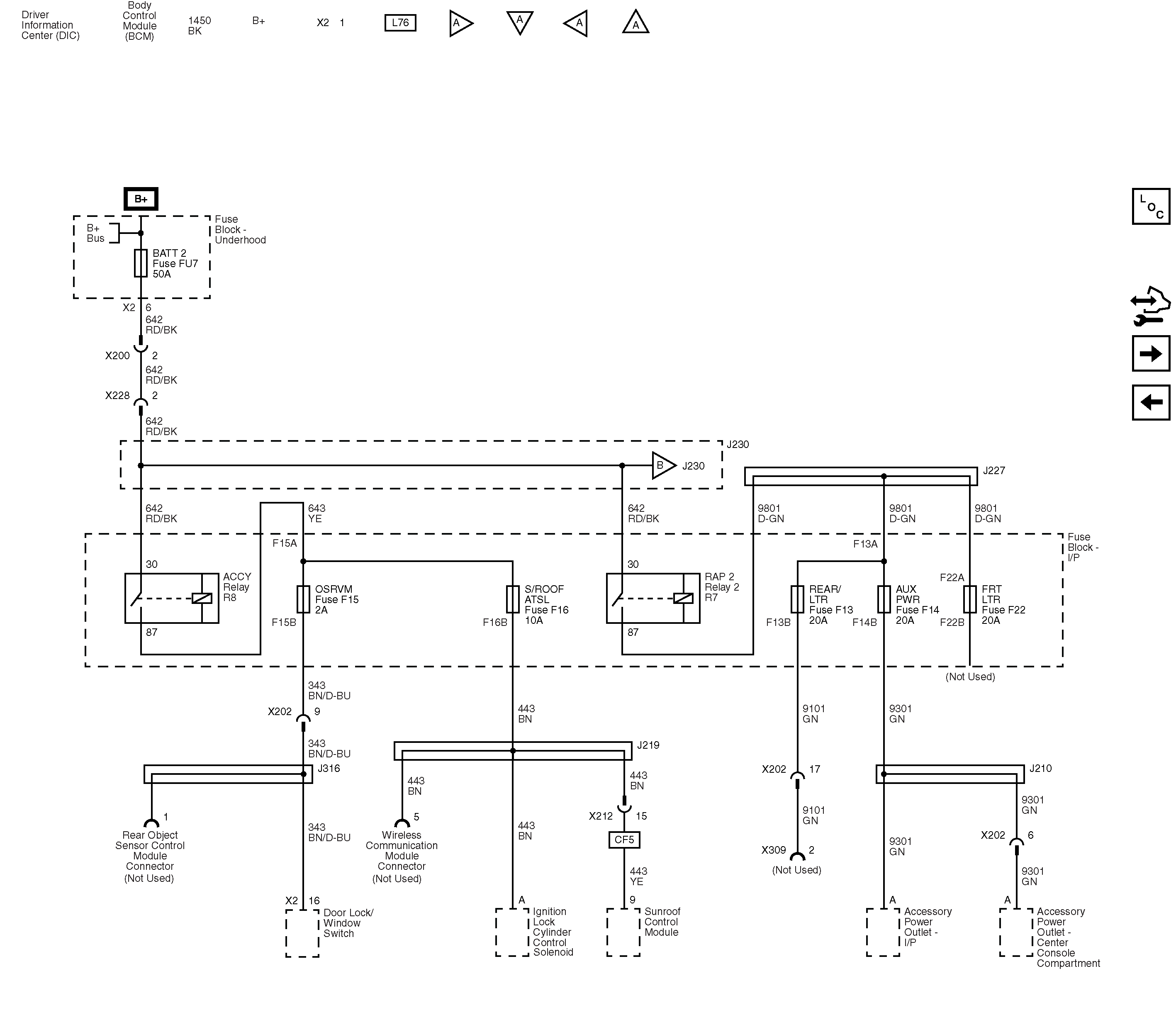
B+ Bus - 2 of 2


Object Number: 2034203  Size: FS
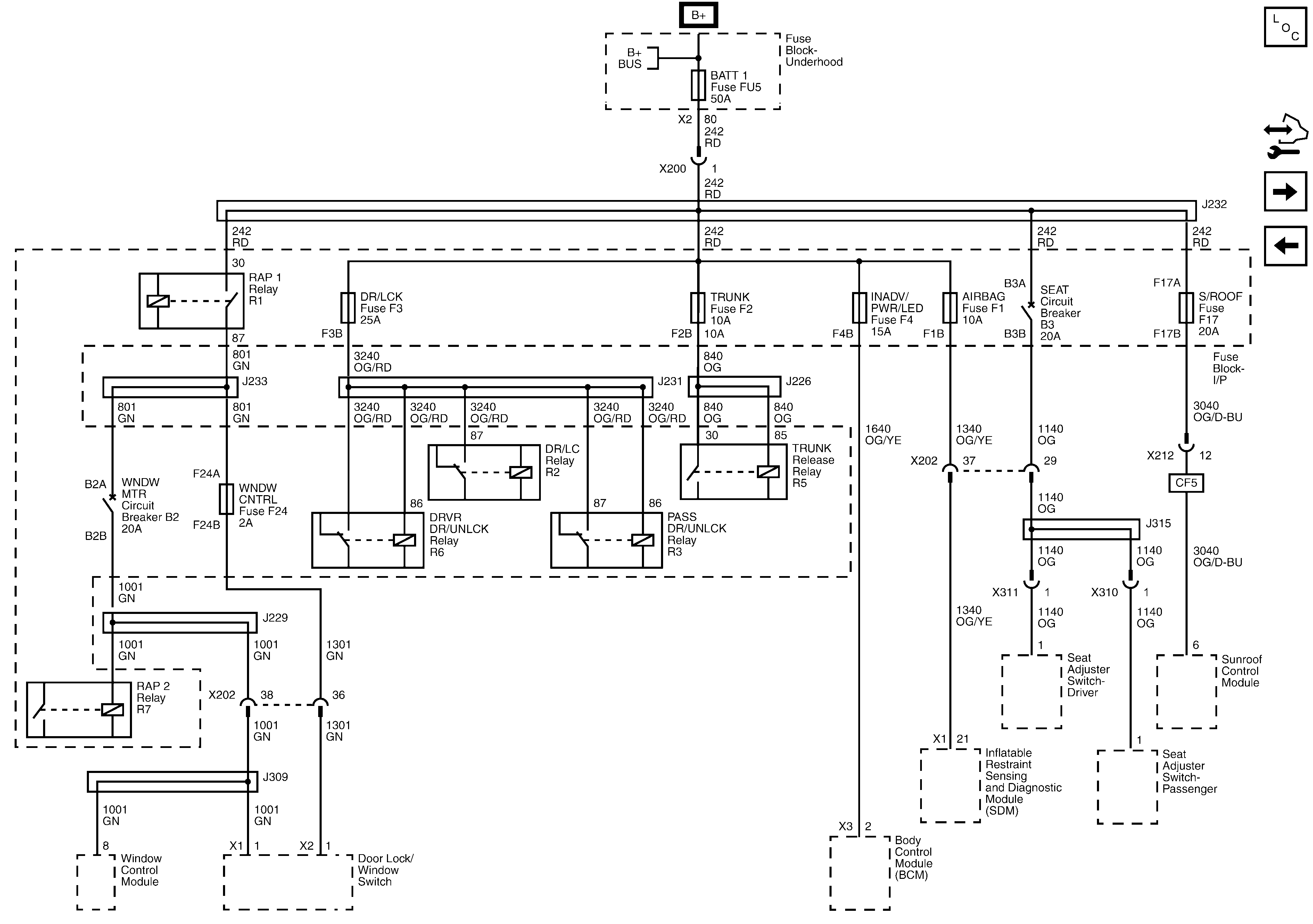
Figure 3:

AIRBAG, BATT 1, DR/LCK, INADV/PWR/LED, S/ROOF, TRUNK, WNDW CNTRL Fuses and Seat and WNDW MTR Circuit Breakers


Object Number: 2034204  Size: FS
Figure 4:

AUX PWR, BATT 2, FRT LTR, OSRVM, REAR LTR, and S/ROOF ATSL Fuses


Object Number: 2034205  Size: FS
Figure 5:

BCM, CTSY/TRN SIG RT FRT, DLIS/THEFT DTRNT, INT LAMPS, STOP, TRN/SIG LT, and TRN/SIG RT Fuses


Object Number: 2034206  Size: FS
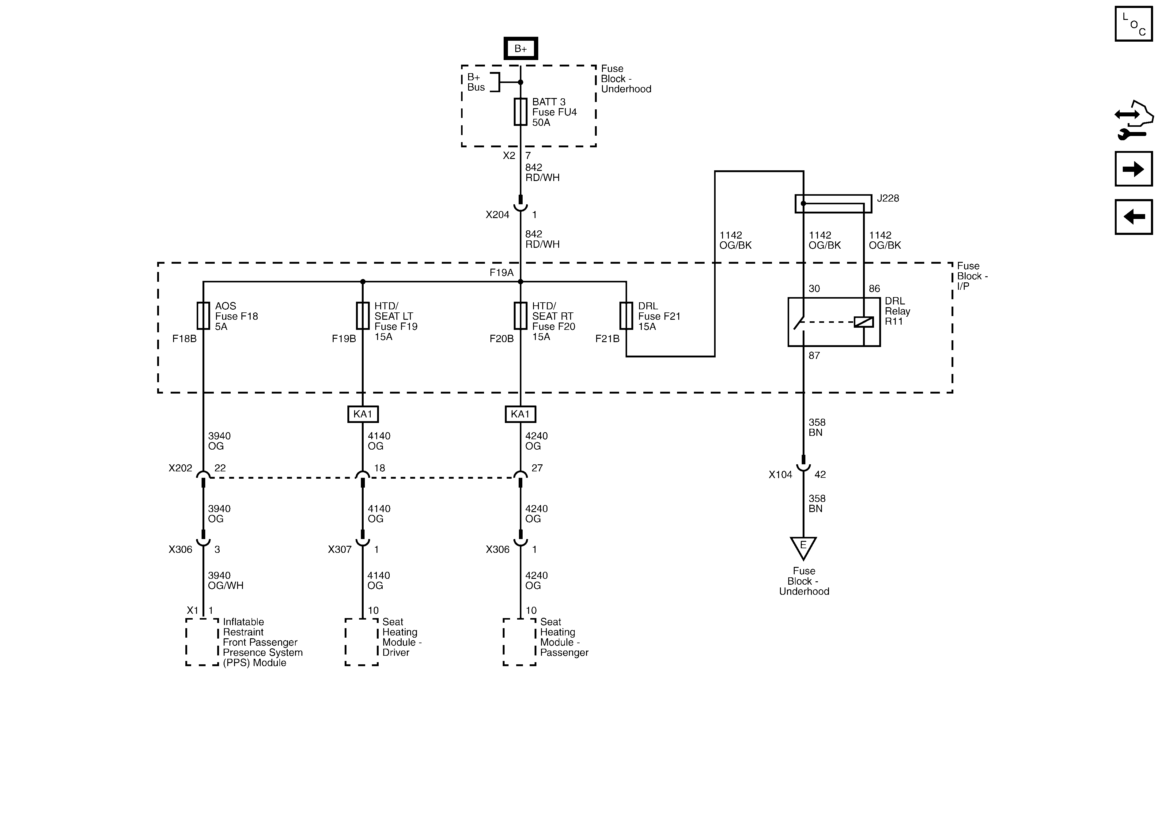
Figure 6:

AOS, BATT 3, DRL, HTD SEAT LT, and HTD SEAT RT Fuses


Object Number: 2034207  Size: FS
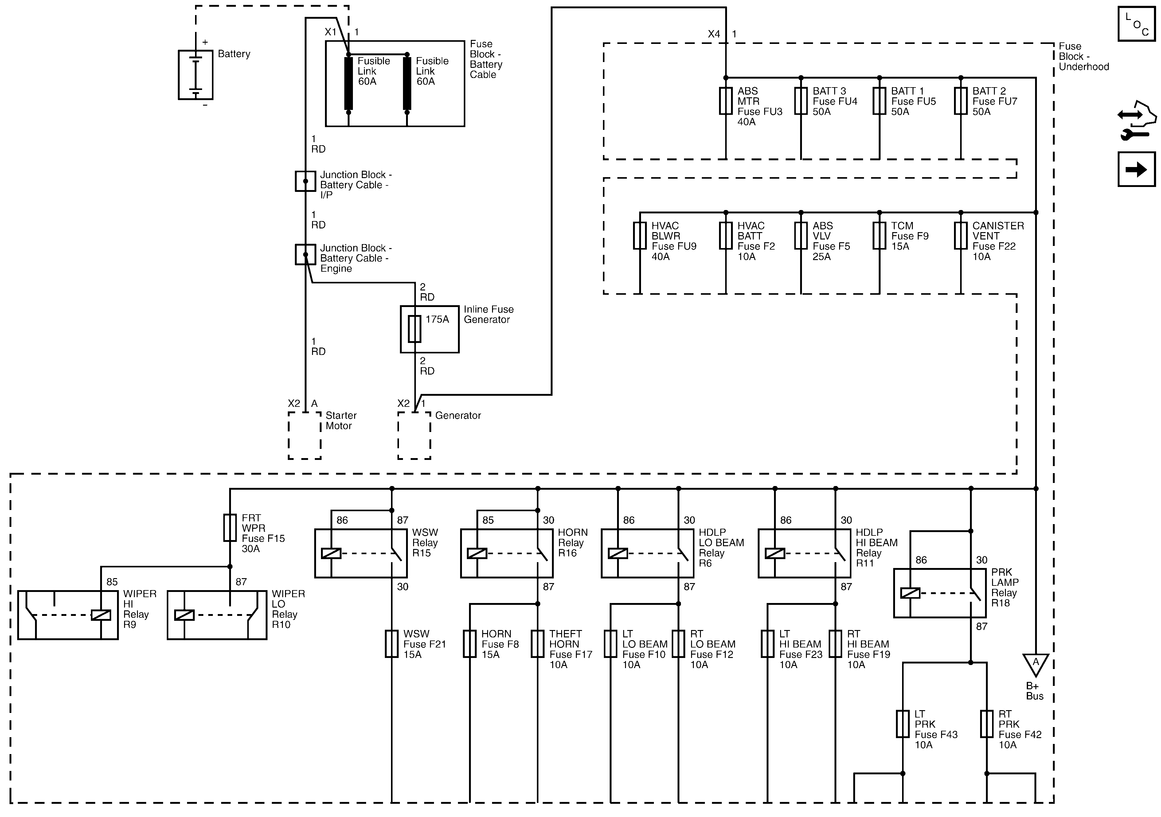
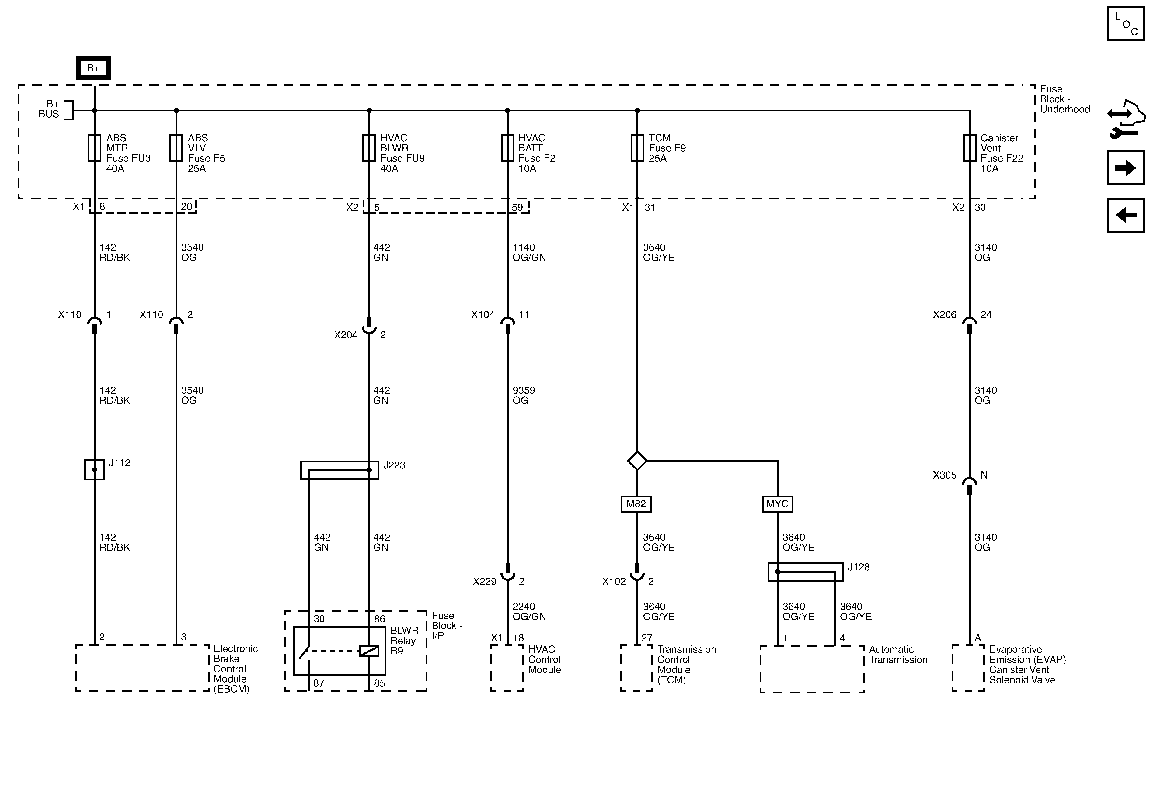
Figure 7:

ABS MTR, ABS VLV, CANISTER VENT, HVAC BATT, HVAC BLWR, and TCM Fuses


Object Number: 2034208  Size: FS
Figure 8:

HORN, LT HI BEAM, LT LO BEAM, RT HI BEAM, RT LO BEAM, THEFT HORN, WSW


Object Number: 2034218  Size: FS
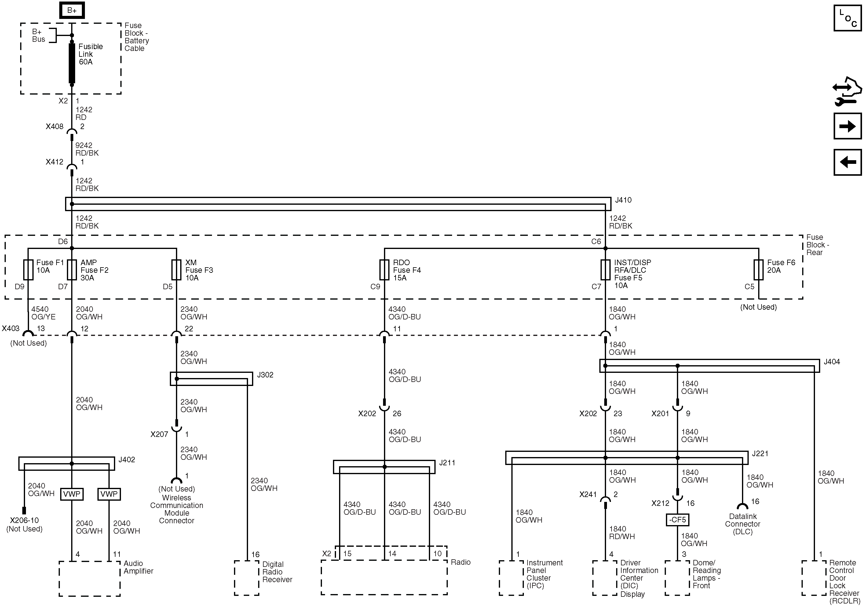
Figure 9:

AMP, INST/DISP/RFA/DLC, RDO and XM Fuses


Object Number: 2034209  Size: FS
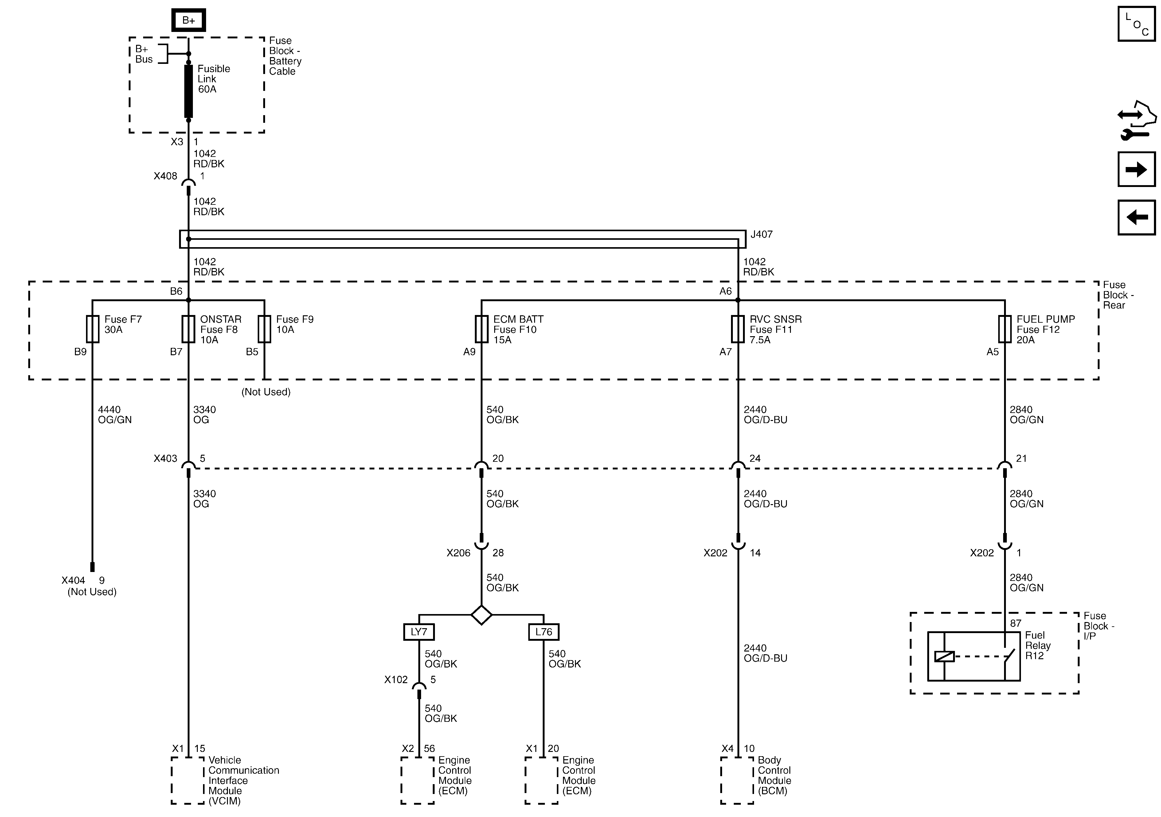
Figure 10:

ECM BATT, FUEL PUMP, ONSTAR, and RVC SNSR Fuses


Object Number: 2034210  Size: FS
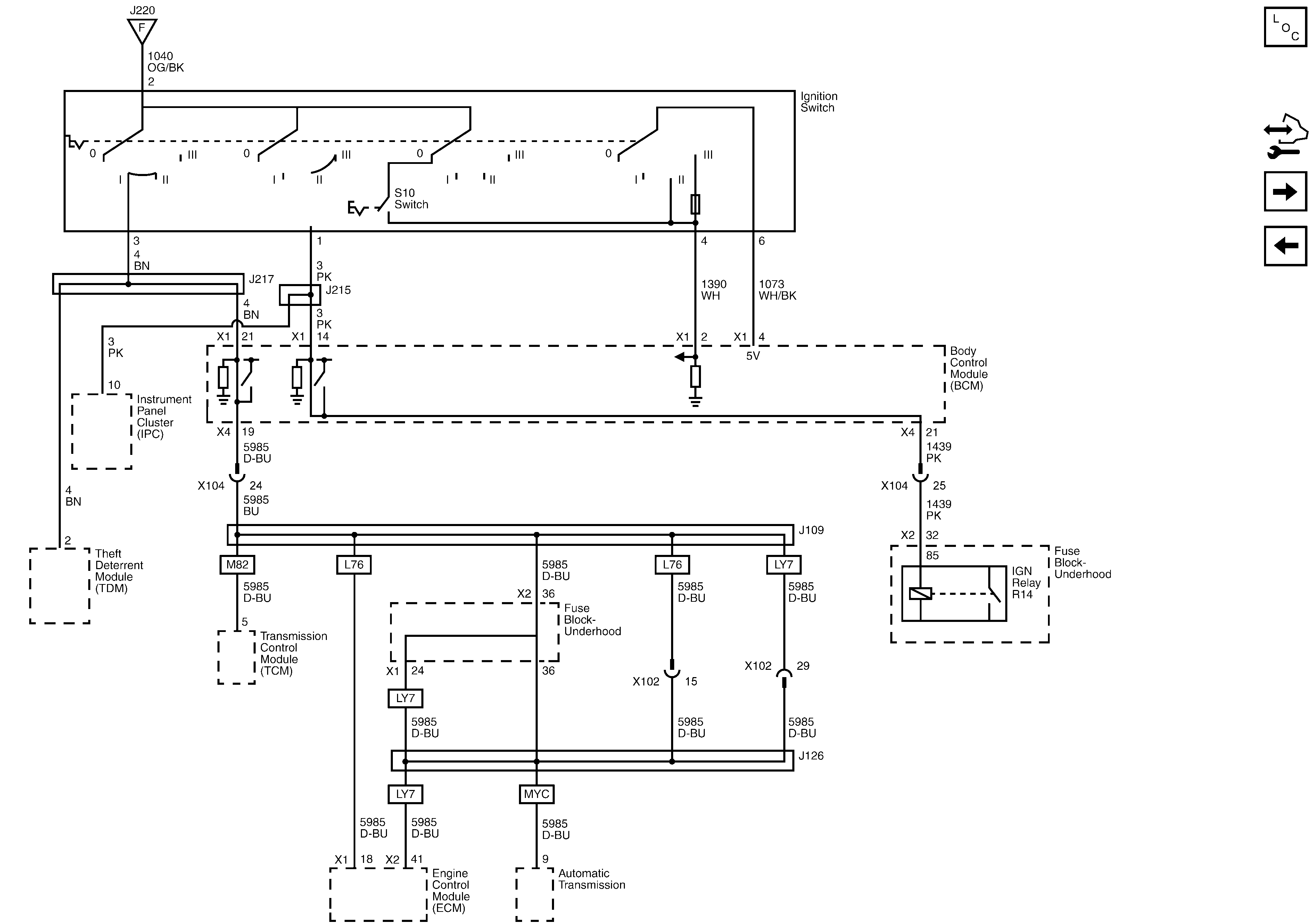
Figure 11:

Ignition Switch


Object Number: 2070559  Size: FS
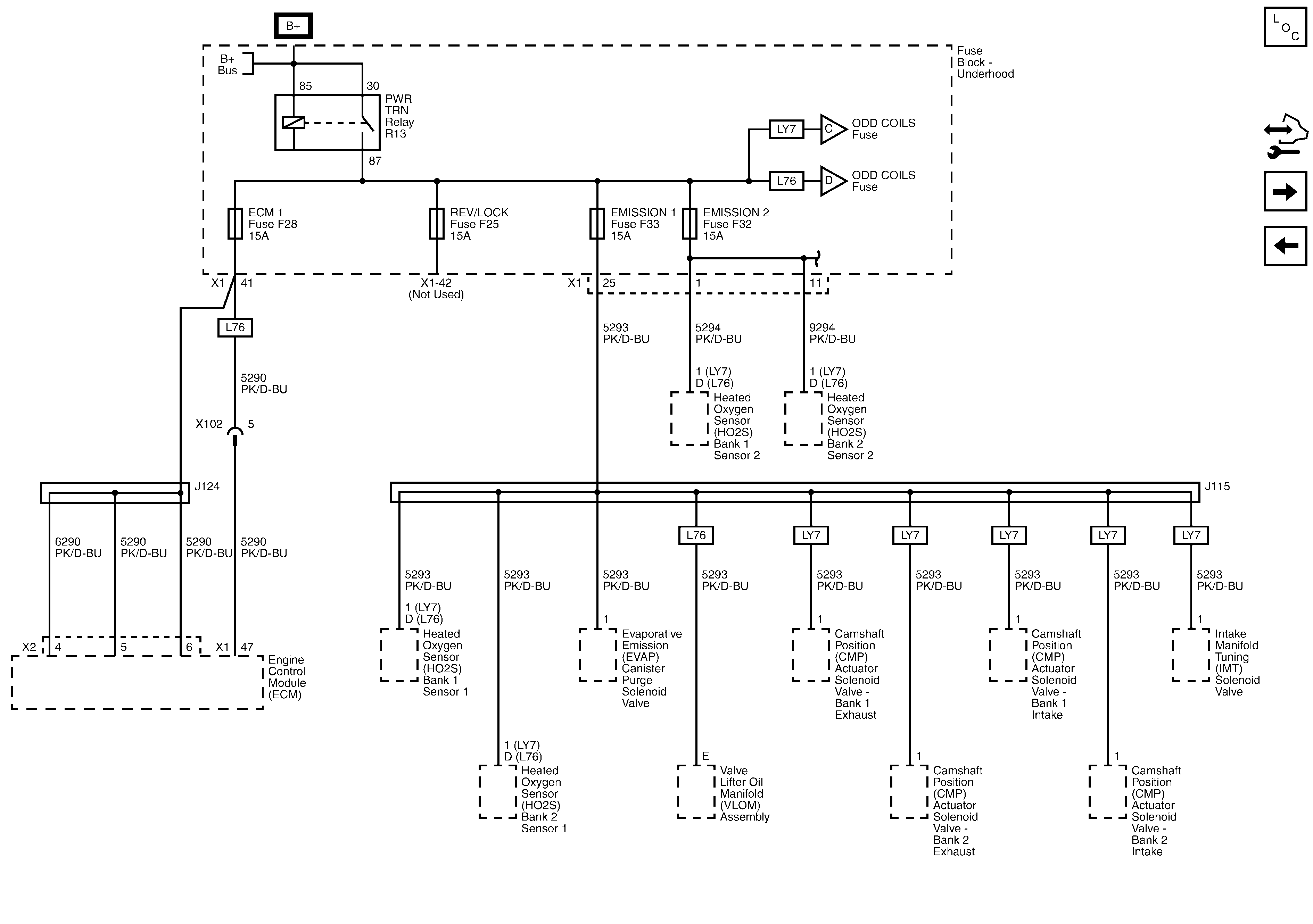
Figure 12:

ECM 1, EMISSION 1, EMISSION 2, and REV/LOCK Fuses


Object Number: 2034211  Size: FS
Figure 13:

EVN COILS and ODD COILS Fuses (LY7)


Object Number: 2034214  Size: FS
Figure 14:

EVN COILS and ODD COILS Fuses (L76)


Object Number: 2034213  Size: FS
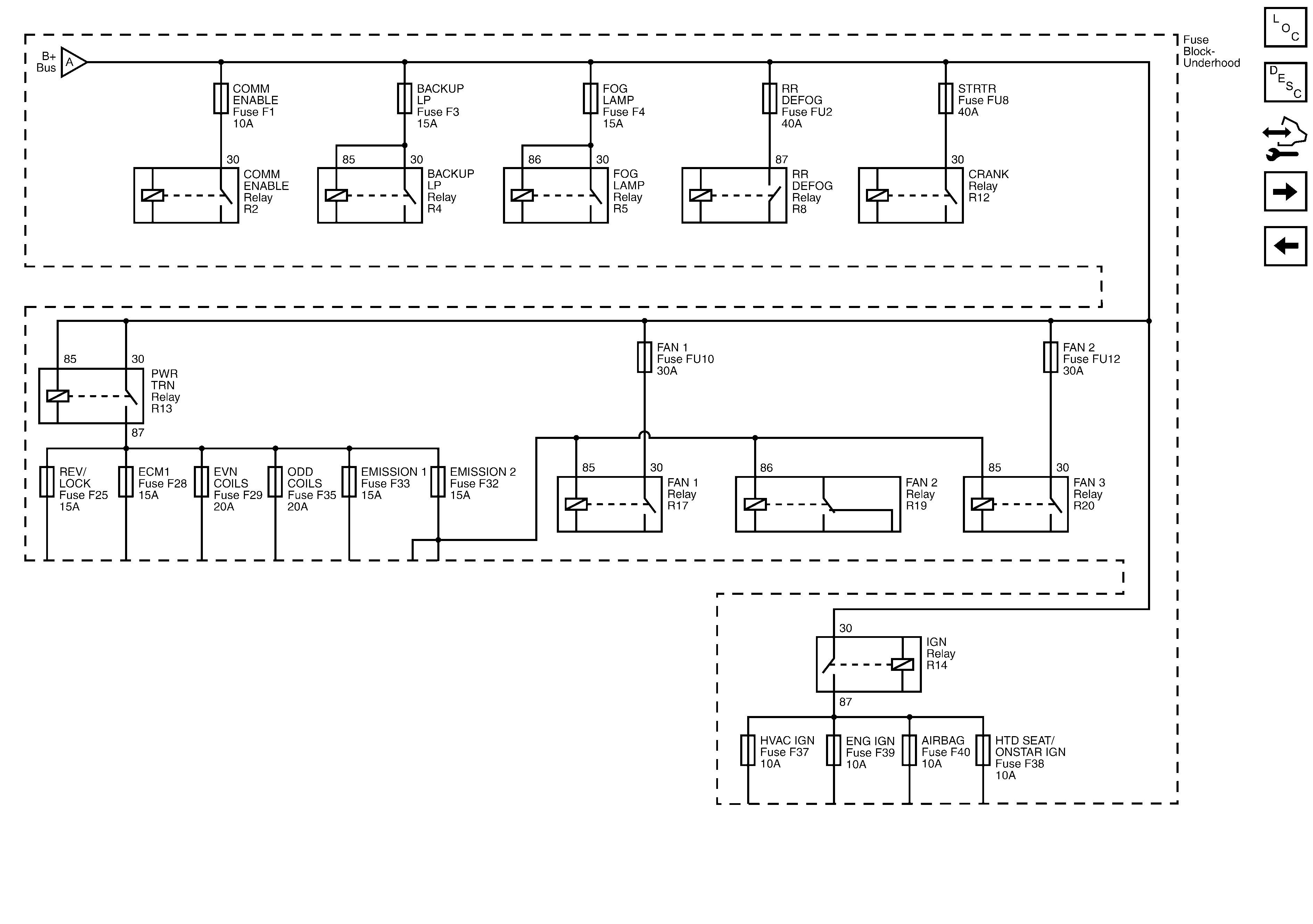
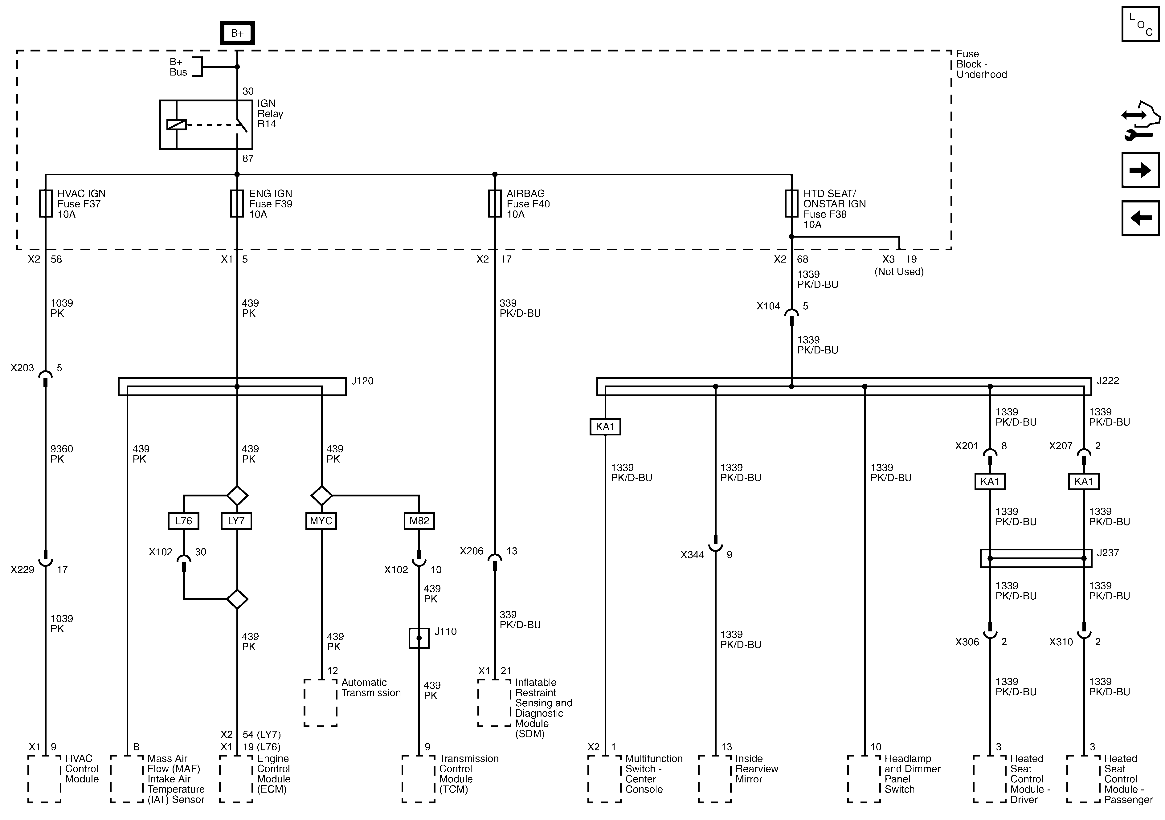
Figure 15:

AIRBAG, ENG IGN, HTD SEAT/ONSTAR IGN, and HVAC IGN Fuses


Object Number: 2034215  Size: FS
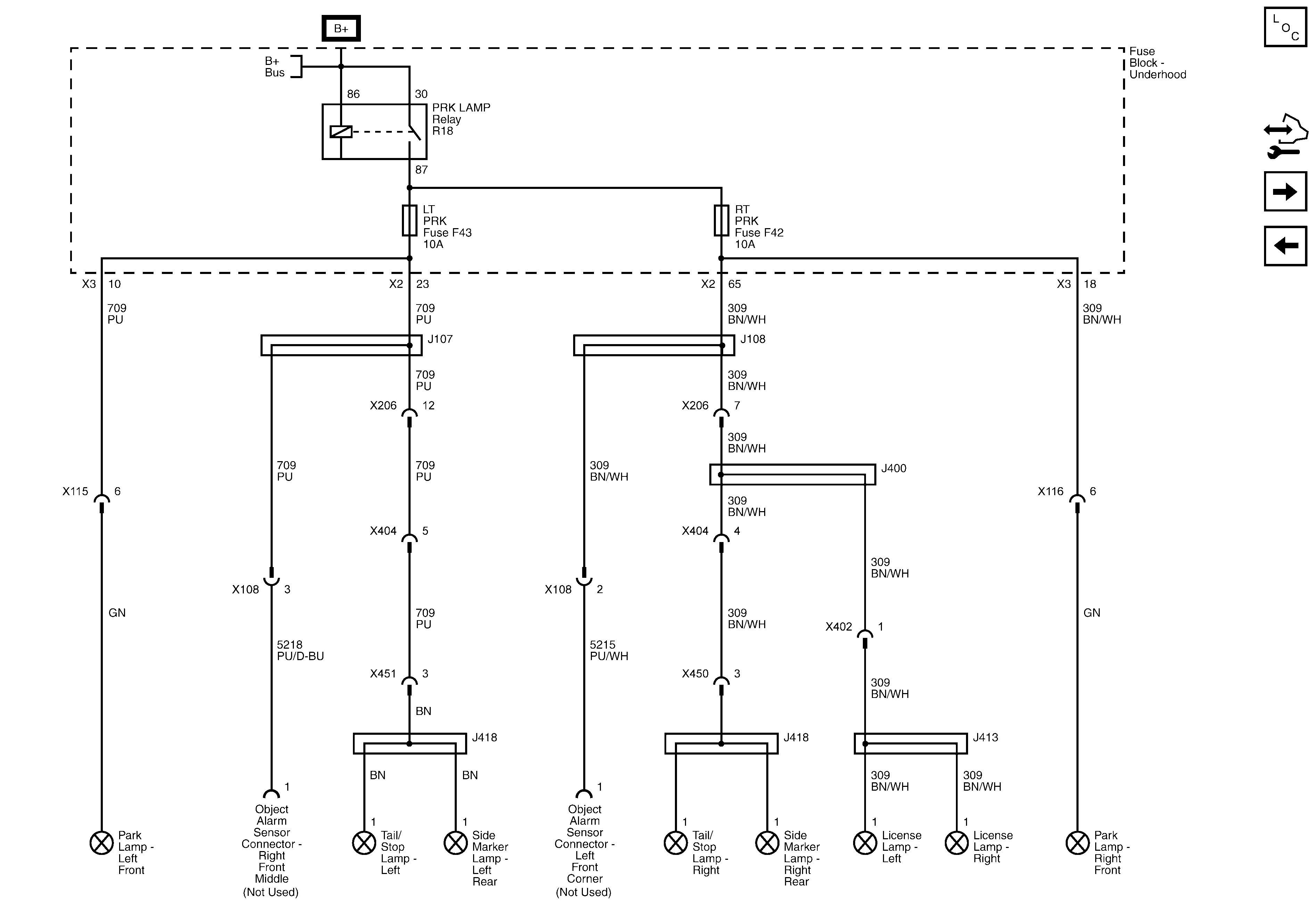
Figure 16:

Park Lamp, Headlamps, Tail Lamps and Licence Lamps


Object Number: 2034219  Size: FS
Master Electrical Component List
Control Module References
AOS, BATT 3, DRL, HTD SEAT LT, and HTD SEAT RT Fuses
HORN, LT HI BEAM, LT LO BEAM, RT HI BEAM, RT LO BEAM, THEFT HORN, and WSW Fuses
B+ Bus - 1 of 2