GM Service Manual Online
For 1990-2009 cars only
Makes
🢒
Pontiac
🢒
2009
🢒
G8
🢒
Body Systems
🢒
Lighting
🢒 Exterior Lights Schematics
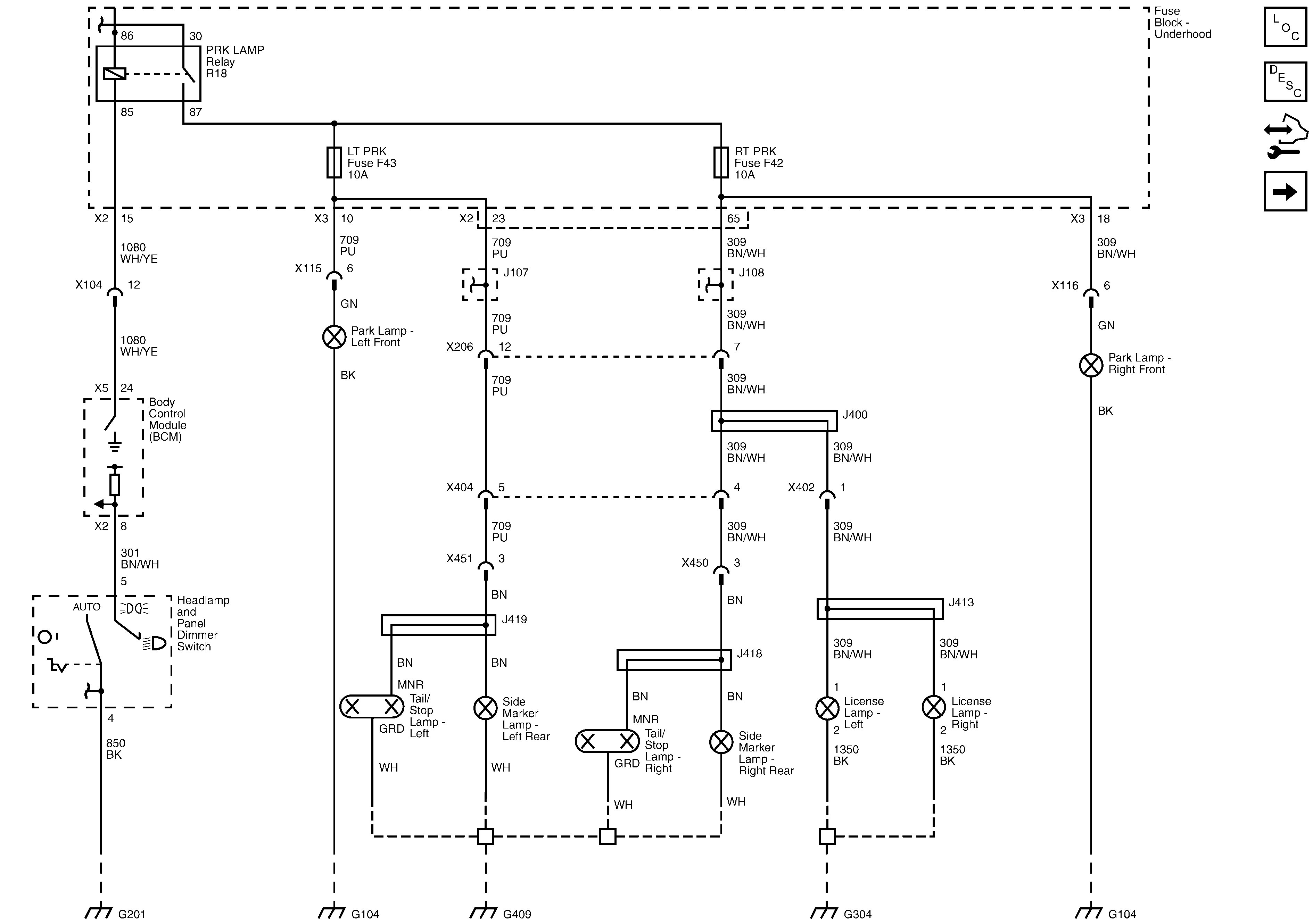
Figure
1:
Parklamps, Markerlamps and Licence Plate Lamps
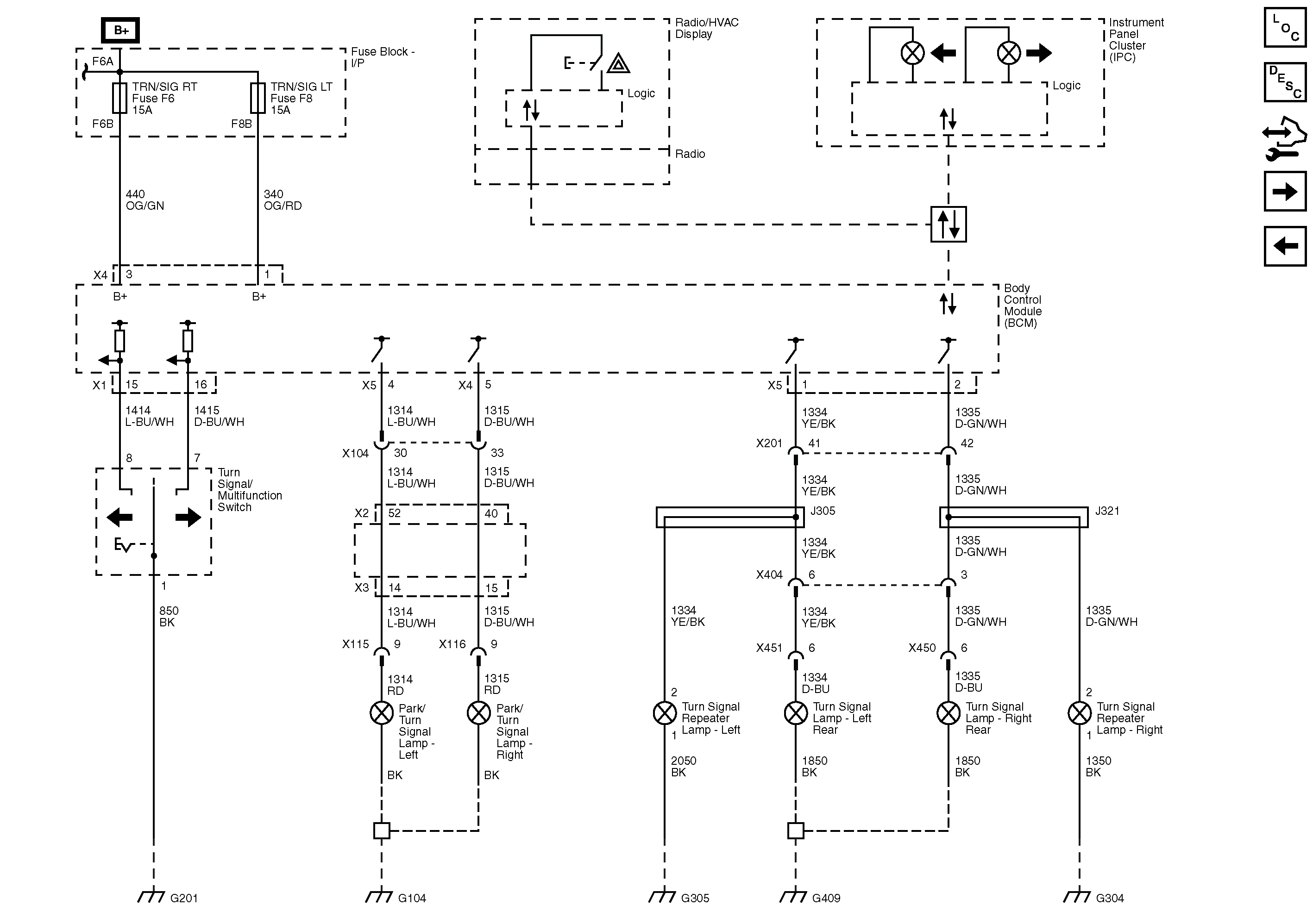
Figure
2:
Turn Signal Multifunction Switch, Front, Side and Rear Repeater Lamps
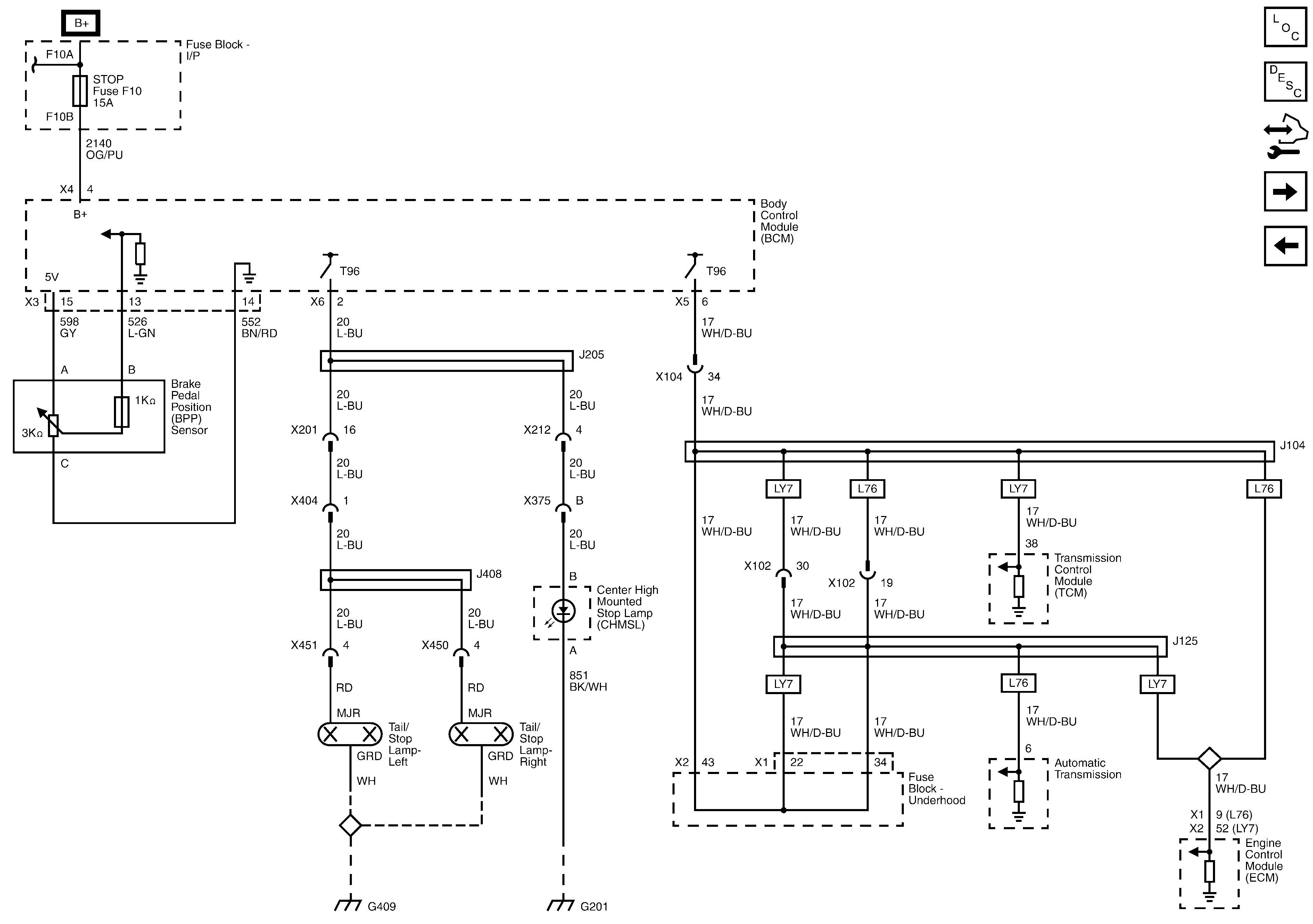
Figure
3:
Stop Lamps
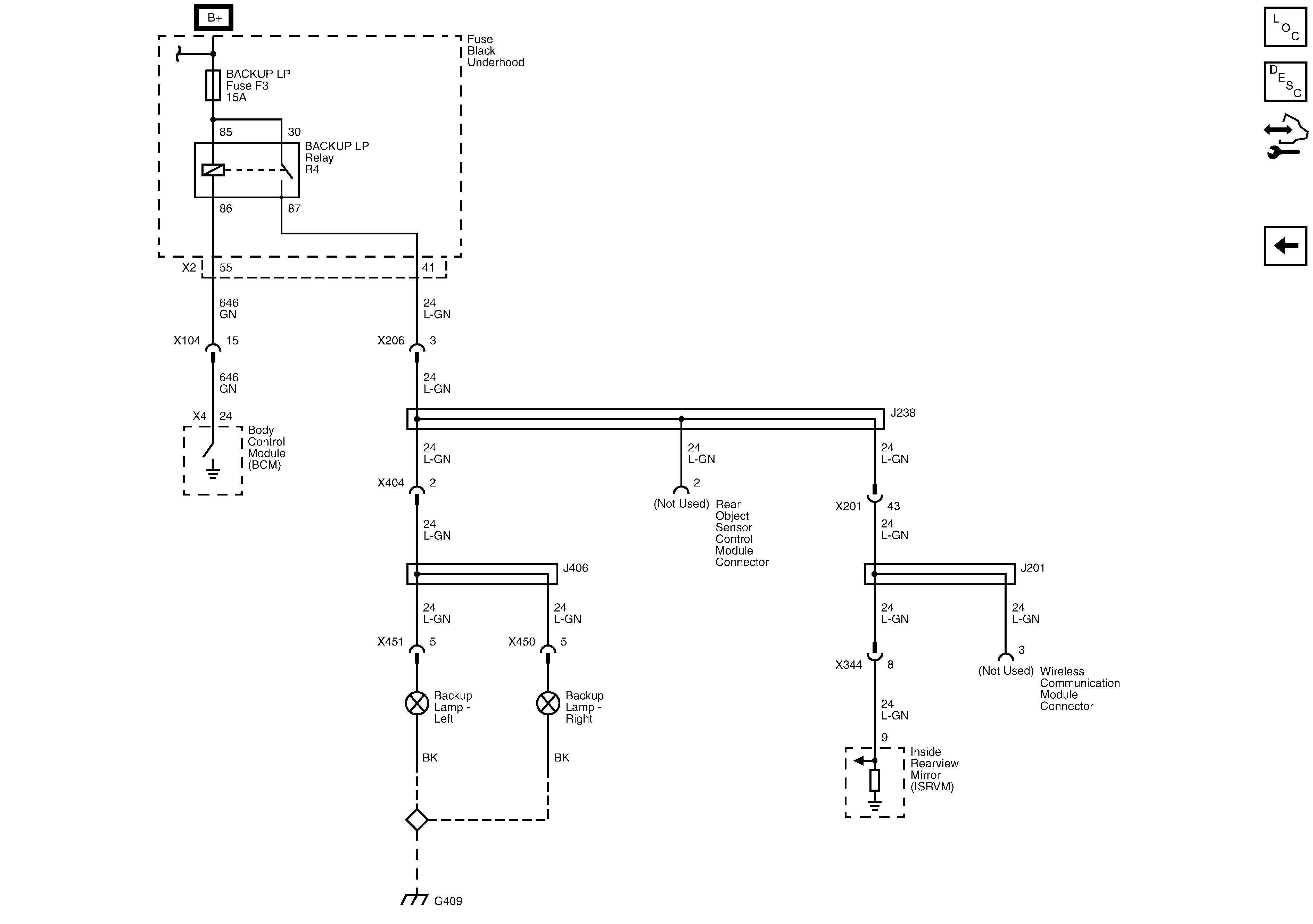
Figure
4:
Backup Lamps