GM Service Manual Online
For 1990-2009 cars only

Removal Procedure


    Object Number: 1582115  Size: SH
  1. Drain the cooling system. Refer to Cooling System Draining and Filling .
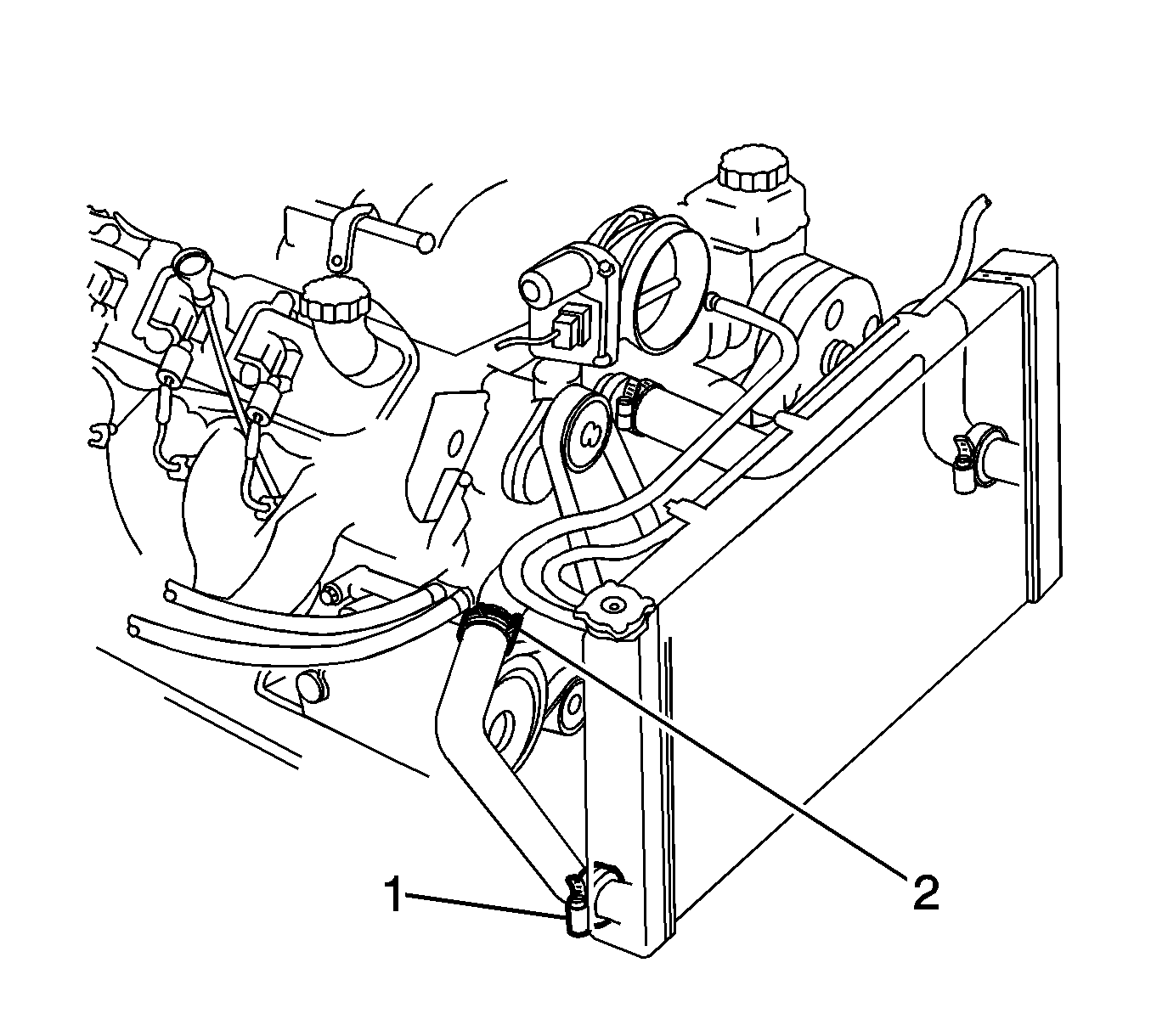
  2. Loosen and remove the radiator outlet hose from the radiator (1).
  3. Loosen and remove the radiator outlet hose from the thermostat housing (2).
  4. Remove the radiator hose.

Installation Procedure


    Object Number: 1582115  Size: SH
  1. Position the radiator hose.
  2. Install the radiator outlet hose clamp at the thermostat housing (2).
  3. Install the radiator outlet hose clamp at the radiator (1).
  4. Refill the cooling system. Refer to Cooling System Draining and Filling .