GM Service Manual Online
For 1990-2009 cars only

Removal Procedure

Caution: Unless directed otherwise, the ignition and start switch must be in the OFF or LOCK position, and all electrical loads must be OFF before servicing any electrical component. Disconnect the negative battery cable to prevent an electrical spark should a tool or equipment come in contact with an exposed electrical terminal. Failure to follow these precautions may result in personal injury and/or damage to the vehicle or its components.


    Object Number: 211599  Size: SH
  1. Disconnect the negative battery cable. Refer to Battery Negative Cable Disconnection and Connection .
  2. Remove the power steering pump. Refer to Power Steering Pump Replacement in Power Steering System.
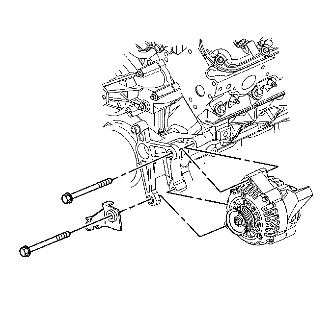
  3. Remove the positive cable from the generator:
  4. 3.1. Pull the cap back from the positive terminal.
    3.2. Remove the positive cable nut at the generator.
    3.3. Remove the positive cable from the stud.

    Object Number: 211624  Size: SH
  5. Disconnect the generator electrical connector (3).

  6. Object Number: 211626  Size: SH
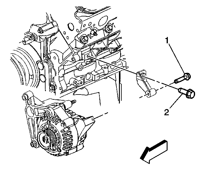
  7. Remove the generator rear bracket mounting bolt (1).

  8. Object Number: 211628  Size: SH
  9. Remove the generator front mounting bolts.
  10. Remove the generator from the vehicle.

Installation Procedure


    Object Number: 211628  Size: SH
  1. Install the generator.
  2. Notice: Use the correct fastener in the correct location. Replacement fasteners must be the correct part number for that application. Fasteners requiring replacement or fasteners requiring the use of thread locking compound or sealant are identified in the service procedure. Do not use paints, lubricants, or corrosion inhibitors on fasteners or fastener joint surfaces unless specified. These coatings affect fastener torque and joint clamping force and may damage the fastener. Use the correct tightening sequence and specifications when installing fasteners in order to avoid damage to parts and systems.

  3. Install the generator front mounting bolts.
  4. Tighten
    Tighten the generator mounting bolts to 50 N·m (37 lb ft).


    Object Number: 211626  Size: SH
  5. Install the generator rear mounting bolt (1) to the generator.
  6. Tighten
    Tighten the generator rear mounting bolt at the generator to 50 N·m (37 lb ft).


    Object Number: 211624  Size: SH
  7. Connect the generator electrical connector (3).

  8. Object Number: 211599  Size: SH
  9. Install the positive cable to the generator:
  10. 5.1. Install the positive cable to the stud.
    5.2. Install the positive cable nut at the generator.

    Tighten
    Tighten the positive cable nut at the generator to 15 N·m (11 lb ft).

    5.3. Push the cap onto the generator stud.
  11. Install the power steering pump. Refer to Power Steering Pump Replacement in Power Steering System.
  12. Connect the negative battery cable. Refer to Battery Negative Cable Disconnection and Connection .