GM Service Manual Online
For 1990-2009 cars only

Removal Procedure

  1. Disconnect the battery negative cable. Refer to Battery Negative Cable Disconnection and Connection in Engine Electrical.
  2. Remove the lefthand hinge pillar trim panel. Refer to Body Hinge Pillar Trim Panel Replacement in Interior Trim.

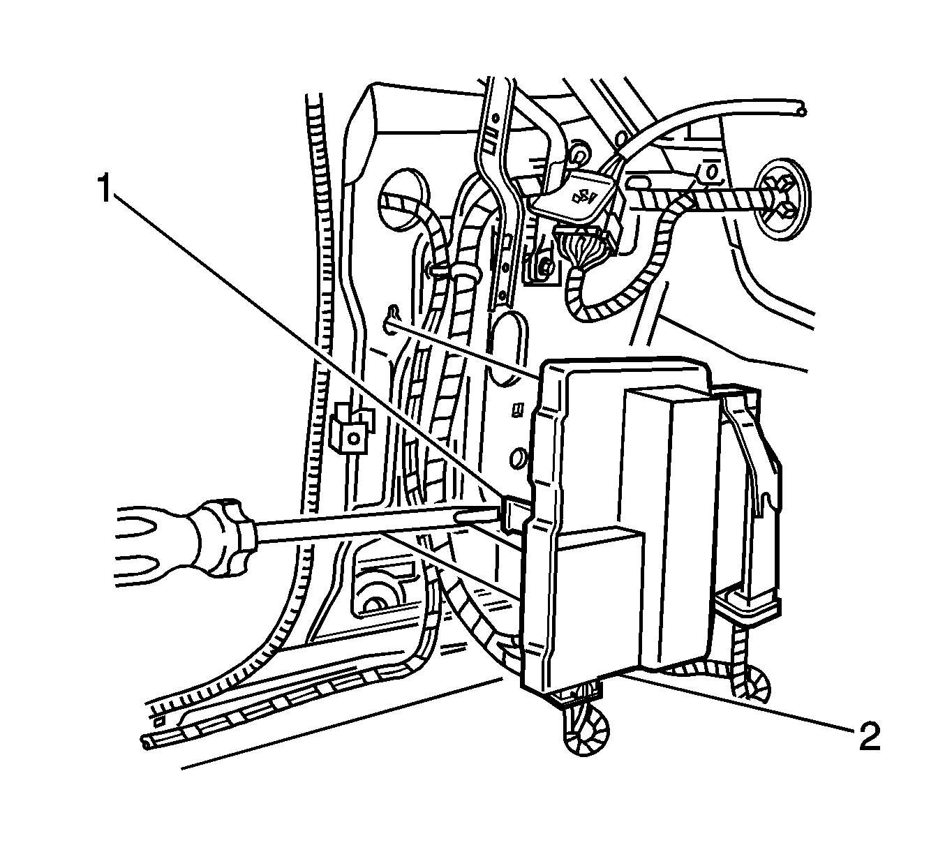
  3. Object Number: 1310338  Size: SH
  4. Using a screw driver, depress the lower retaining tab (1) while gently pulling outward on the base of the mounting bracket (2).
  5. Disengage the upper retaining tab by pulling downwards on the bracket.

  6. Object Number: 1310406  Size: SH
  7. Disconnect the accelerator and servo control module (ASM) connector as follows:
  8. • Lift the locking lever (1) on the connector.
    • Pull the top of the connector (2) away from the ASM control module (3).
    • Lift the connector (2) upwards and disengage it from the ASM control module (3).

    Object Number: 1361081  Size: SH
  9. Disengage the two retaining tabs (1) on the mounting bracket and slide the ASM control module (2) out of the bracket.

Installation Procedure


    Object Number: 1361081  Size: SH
  1. Slide the ASM control module (2) into the mounting bracket. Engage the two retaining tabs (1) on the mounting bracket.

  2. Object Number: 1310406  Size: SH
  3. Connect the accelerator and servo control module (ASM) connector as follows:
  4. • Engage the base of the connector (2) into the ASM control module (3).
    • Push the top of the connector (2) into the ASM control module (3).
    • Push the locking lever (1) downward. Ensure the lever seats flush with the top of the connector housing.

    Object Number: 1310338  Size: SH
  5. Engage the upper retaining tab by pushing upward on the bracket.
  6. Engage the lower retaining tab (1) by gently pushing inward on the base of the mounting bracket (2).
  7. Install the lefthand hinge pillar trim panel. Refer to Body Hinge Pillar Trim Panel Replacement in Interior Trim.
  8. Connect the battery negative cable. Refer to Battery Negative Cable Disconnection and Connection in Engine Electrical.