GM Service Manual Online
For 1990-2009 cars only

Removal Procedure


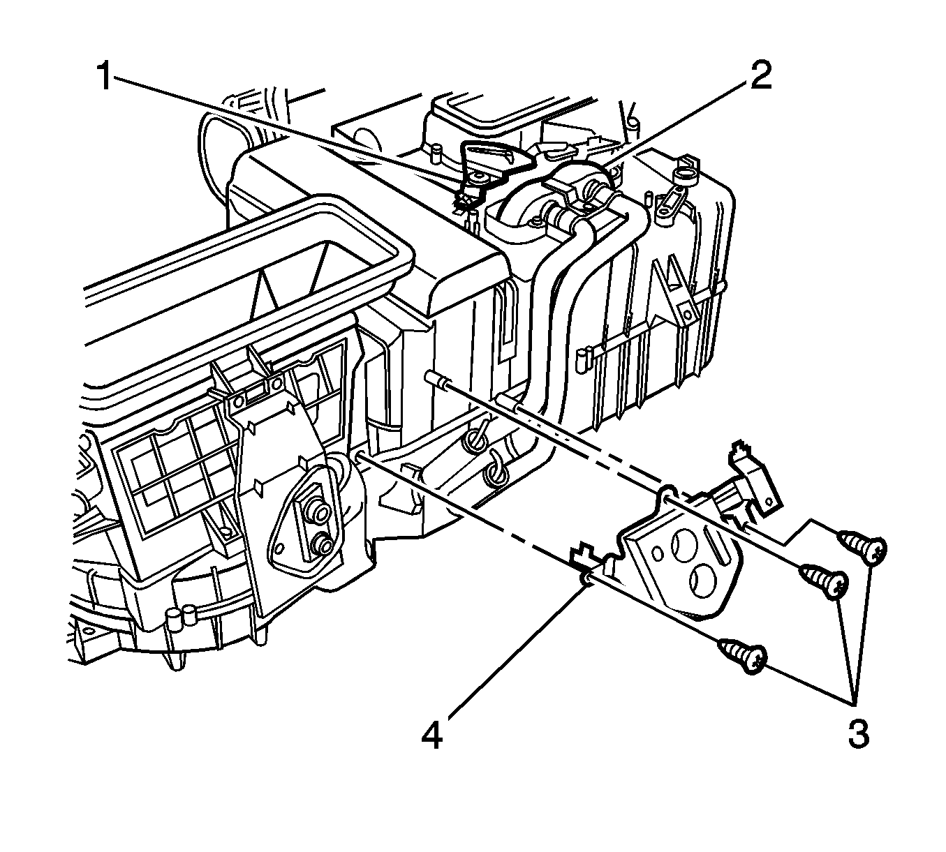
    Object Number: 1378462  Size: SH
  1. Remove the HVAC module assembly. Refer to HVAC Module Assembly Replacement .
  2. Remove the two heater core pipe clamp screws (3).
  3. Remove the two heater core pipe clamps (4).
  4. Remove the heater core retaining strap mounting screw (1).
  5. Remove the heater core retaining strap (2).

  6. Object Number: 1376538  Size: SH
  7. Remove the heater pipe bracket mounting screws (3).
  8. Remove the heater pipe bracket (4).

  9. Object Number: 1377118  Size: SH

    Important: Be sure not to damage the foam seal on the top and sides of the heater core.

  10. Remove the heater core (4) from the HVAC module.
  11. Remove the heater pipe retaining screws (1).
  12. Remove the heater pipe retaining clamps (6).
  13. Remove the heater pipes (3) from the heater core.
  14. Remove and discard the O-rings (2).

Installation Procedure


    Object Number: 1377118  Size: SH
  1. Install new O-rings (2) on the heater pipes (3).
  2. Install the heater pipes to the heater core (4).
  3. Notice: Use the correct fastener in the correct location. Replacement fasteners must be the correct part number for that application. Fasteners requiring replacement or fasteners requiring the use of thread locking compound or sealant are identified in the service procedure. Do not use paints, lubricants, or corrosion inhibitors on fasteners or fastener joint surfaces unless specified. These coatings affect fastener torque and joint clamping force and may damage the fastener. Use the correct tightening sequence and specifications when installing fasteners in order to avoid damage to parts and systems.

  4. Secure the heater pipes with the retaining clamps (6) and screws (1).
  5. Tighten
    Tighten the screws to 4 N·m (35 lb in).


    Object Number: 1376538  Size: SH

    Important: Be sure not to damage the foam seal on the top and sides of the heater core.

  6. Install the heater core (2) to the HVAC module.
  7. Install the heater pipe bracket (4).
  8. Secure the heater pipe bracket with the mounting screws (3).
  9. Tighten
    Tighten the screws to 1.6 N·m (14 lb in).


    Object Number: 1378462  Size: SH
  10. Install the heater core retaining strap (2).
  11. Secure the heater core retaining strap with the mounting screw (1).
  12. Tighten
    Tighten the screws to 1.6 N·m (14 lb in).

  13. Install the two heater core pipe clamps (4).
  14. Secure the two heater core pipe clamps with the screws (3).
  15. Tighten
    Tighten the screws to 1.6 N·m (14 lb in).

  16. Install the HVAC module assembly. Refer to HVAC Module Assembly Replacement .