Removal Procedure
- Remove the instrument panel cluster (IPC).
Refer to
Instrument Cluster Replacement
in Instrument Panel, Gages, and Console.
- Lower the instrument panel (I/P) lower trim panel assembly.
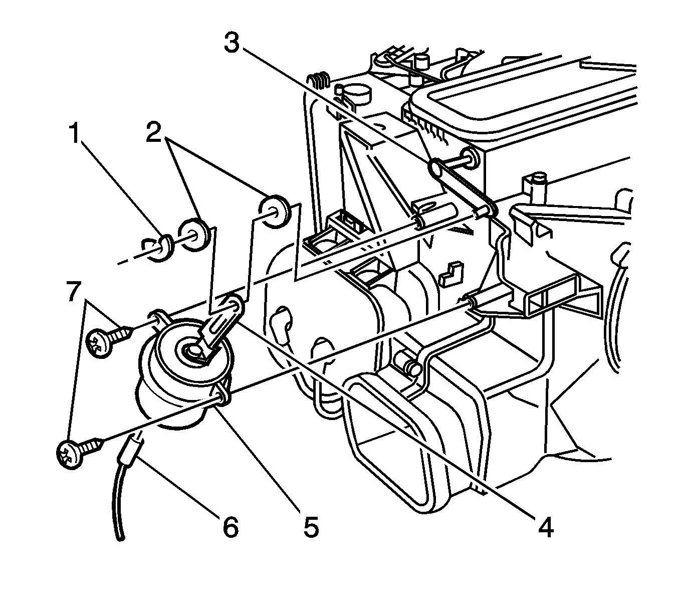
- Remove the clip (1), spacers (2) and actuator rod (4)
from the lever (3).
- Disconnect the vacuum line (6) from the actuator (5).
- Remove the retaining screws (7) from the actuator.
- Remove the actuator from the HVAC unit.
Installation Procedure
- Install the actuator (5) to the HVAC
unit.
Notice: Refer to Fastener Notice in the Preface section.
- Secure the actuator to the HVAC unit with the retaining screws (7).
Tighten
Tighten the nuts to 4 N·m (35 lb in).
- Connect the vacuum line (6) to the actuator.
- Install the clip (1), spacers (2) and actuator rod (4)
to the lever (3).
- Install the I/P lower trim panel assembly.
- Install the IPC. Refer to
Instrument Cluster Replacement
in Instrument Panel, Gages, and Console.