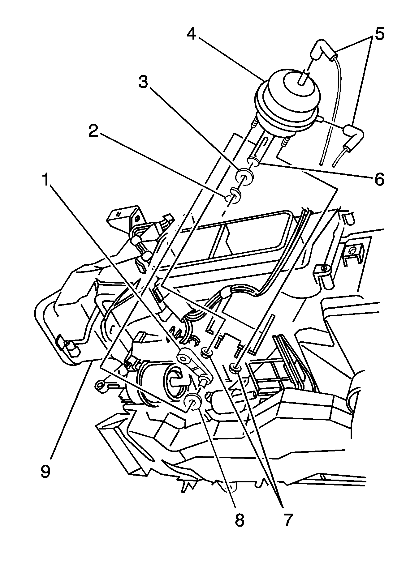
Removal Procedure
- Remove the HVAC unit. Refer to
HVAC Module Assembly Replacement
in Heating, Ventilation and Air Conditioning.
- Disconnect the vacuum lines (5) from the actuator (4).
- Remove the clip (2), spacers (3,8) and actuator rod (6)
from the lever (1).
- Remove the actuator retaining nuts (7).
- Remove the actuator from the HVAC unit (9).
Installation Procedure
- Install the actuator (4) to the HVAC
unit (9).
Notice: Use the correct fastener in the correct location. Replacement fasteners
must be the correct part number for that application. Fasteners requiring
replacement or fasteners requiring the use of thread locking compound or sealant
are identified in the service procedure. Do not use paints, lubricants, or
corrosion inhibitors on fasteners or fastener joint surfaces unless specified.
These coatings affect fastener torque and joint clamping force and may damage
the fastener. Use the correct tightening sequence and specifications when
installing fasteners in order to avoid damage to parts and systems.
- Secure the actuator with the actuator retaining nuts (7).
Tighten
Tighten the cover nuts to 4 N·m (35 lb in).
- Install the clip (2), spacers (3,8) and actuator rod (6)
to the lever (1).
- Connect the vacuum lines (5) to the actuator.
- Install the HVAC unit. Refer to
HVAC Module Assembly Replacement
in Heating,
Ventilation and Air Conditioning.