GM Service Manual Online
For 1990-2009 cars only

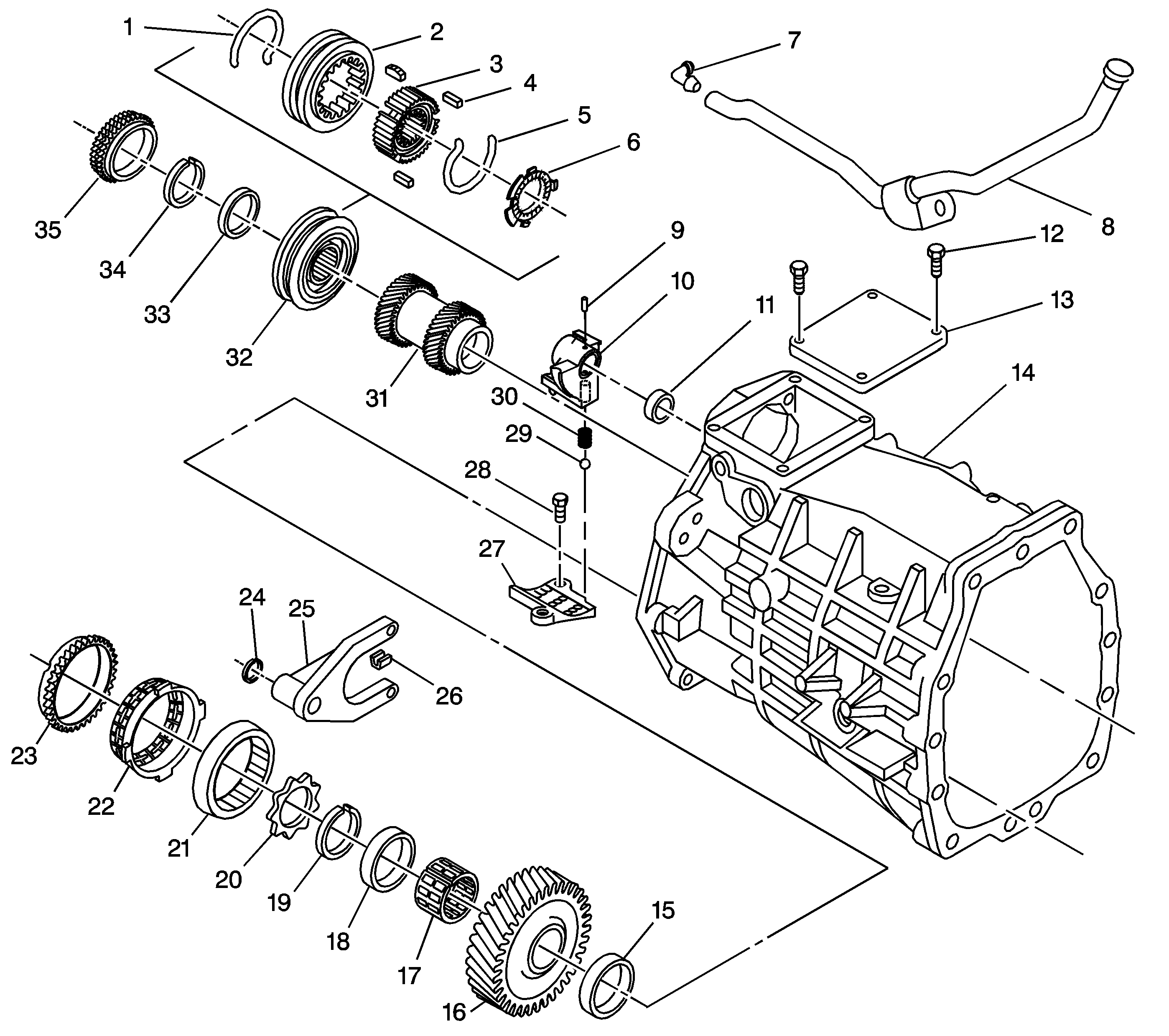
Transmission Component Location Y Car

Figure 1:

Transmission Case (1 of 2)


Object Number: 71803  Size: LF
(1)Reverse Synchronizer Spring
(2)Reverse Synchronizer Sleeve
(3)Reverse Synchronizer Hub
(4)Reverse Synchronizer Key
(5)Reverse Synchronizer Spring
(6)Reverse Synchronizer Key Retainer
(7)Vent
(8)Vent Pipe
(9)Offset Lever Roll Pin
(10)Offset Shift Lever
(11)Top Shift Shaft Bushing
(12)Transmission Case
(13)6th Speed Drive Gear Bearing Spacer
(14)6th Speed Drive Gear
(15)6th Speed Drive Gear Needle Bearing
(16)6th Speed Drive Gear Bearing Spacer
(17)Synchronizer Retainer Ring
(18)6th Speed Drive Gear Thrust Washer
(19)6th Speed Drive Gear Inner Cone
(20)6th Speed Drive Gear Friction Cone
(21)6th Speed Drive Gear Synchronizer Blocking Ring
(22)Reverse Shift Fork Pad
(23)Reverse Shift Fork
(24)Reverse Shift Fork Retainer Ring
(25)Guide Plate
(26)Guide Plate Bolt
(27)Shift Detent Ball
(28)Shift Detent Ball Spring
(29)5th and 6th Speed Driven Gear
(30)Reverse Synchronizer Hub and Sleeve
(31)Reverse Gear Thrust Washer
(32)Reverse Synchronizer Retainer Ring
(33)Reverse Synchronizer Blocking Ring
Figure 2:

Transmission Case (2 of 2)


Object Number: 673222  Size: LF
(1)Case Rear Extension Pin
(2)5th/6th Lever Guide Bolt
(3)Interlock Guide Bolt
(4)Computer Aided Gear Select Solenoid
(5)Oil Fill Plug (MM6 Only)
(6)Temperature Switch (M12 Only)
(7)Countershaft Bearing Race
(8)Backup Lamp Switch
(9)Magnet
(10)Shift Detent Assembly
(11)Mainshaft Rear Bearing Race
(12)Mainshaft Rear Bearing
(13)1st Speed Drive Gear
(14)1st Speed Drive Gear Needle Bearing
(15)1st Speed Drive Gear Bearing Spacer
(16)Synchronizer Retainer Ring
(17)1st Speed Drive Gear Inner Cone
(18)1st Speed Drive Gear Friction Cone
(19)1st Gear Synchronizer Blocking Ring
(20)1st/2nd Synchronizer Assembly
(21)2nd Gear Synchronizer Blocking Ring
(22)1st/2nd Synchronizer Spring
(23)1st/2nd Synchronizer Key
(24)1st/2nd Synchronizer Hub
(25)1st/2nd Synchronizer Sleeve
(26)1st/2nd Synchronizer Spring
Figure 3:

Adapter Plate and Gears


Object Number: 105703  Size: LF
(1)3rd/4th Synchronizer Spring
(2)3rd/4th Synchronizer Sleeve
(3)3rd/4th Synchronizer Hub
(4)3rd/4th Synchronizer Key
(5)3rd/4th Synchronizer Spring
(6)Neutral Return Cam Spring Bolt
(7)Neutral Return Cam Spring Washer
(8)Neutral Return Cam Spring
(9)Neutral Return Cam
(10)Top Shaft Rail Bushing
(11)Dowel Pin
(12)Inner Shift Shaft Seal
(13)Outer Shift Shaft Seal
(14)Adapter Plate Inspection Plug
(15)Adapter to Transmission Case Bolt
(16)Front Adapter Plate
(17)Input Shaft Seal
(18)Input Shaft Bearing Shim
(19)Input Shaft Bearing Race
(20)Input Shaft Bearing
(21)Input Shaft
(22)Input Shaft Bearing Race
(23)3rd/4th Synchronizer Retaining Ring
(24)4th Speed Drive Gear Thrust Washer
(25)4th Speed Drive Gear Inner Cone
(26)4th Speed Drive Gear Friction Cone
(27)4th Speed Drive Gear Blocker Ring
(28)3rd/4th Synchronizer Assembly
(29)3rd Speed Drive Gear Synchronizer Blocking Ring
(30)3rd Speed Drive Gear Friction Cone
(31)3rd Speed Drive Gear Inner Cone
(32)3rd Speed Drive Gear Thrust Washer
(33)3rd Speed Drive Gear Thrust Washer
(34)3rd Speed Drive Gear
(35)3rd Speed Drive Gear Bearing
(36)Mainshaft Small Tapered Bearing
(37)Mainshaft
(38)2nd Speed Drive Gear Needle Bearing
(39)2nd Speed Drive Gear
(40)2nd Speed Drive Gear Bearing Spacer
(41)2nd Speed Drive Gear Inner Cone
(42)2nd Speed Drive Gear Friction Cone
(43)Countershaft Bearing Adjust Shim
(44)Countershaft Bearing Race
(45)Countershaft Front Bearing
(46)Countershaft
(47)Countershaft Rear Bearing
Figure 4:

Extension Housing


Object Number: 74293  Size: LF
(1)Extension Housing
(2)Mainshaft Bearing Race
(3)Mainshaft Rear Bearing Retainer Ring
(4)Mainshaft Rear Bearing Retainer Ring
(5)Mainshaft Gear Bearing Spacer
(6)Mainshaft Rear Bearing
(7)Mainshaft Gear Bearing Spacer
(8)Synchronizer Retainer Ring
(9)Reverse Gear Thrust Washer
(10)Mainshaft Reverse Speed Gear
(11)Reverse Gear Bearing
(12)Reverse Gear Washer
(13)Reverse Idler Gear Shaft
(14)Reverse Idler Gear Needle Bearing
(15)Reverse Idler Gear
(16)Reverse Idler Bracket
(17)Reverse Idler Bracket Bolt
(18)Outer Output Shaft Seal
(19)Inner Output Shaft Seal
(20)Extension Housing to Transmission Case Bolt
(21)Oil Drain Plug
(22)Lubrication Funnel
(23)Front Countershaft Extension Bearing Shim
(24)Countershaft Extension Bearing Race
(25)Countershaft Extension Bearing
(26)Countershaft Extension
(27)Shift Fork Pad
(28)5th Speed Drive Gear Needle Bearing
(29)5th Speed Drive Gear
(30)5th Speed Drive Gear Thrust Washer
(31)5th Speed Gear Inner Cone
(32)5th Speed Gear Friction Cone
(33)5th Gear Synchronizer Blocking Ring
(34)5th/6th Synchronizer Assembly
(35)5th Gear Shift Fork Retainer Ring
(36)5th/6th Shift Fork
(37)5th/6th Synchronizer Spring
(38)5th/6th Synchronizer Sleeve
(39)5th/6th and Reverse Synchronizer Key
(40)5th/6th Synchronizer Hub
(41)5th/6th Synchronizer Spring
Figure 5:

Reverse Lockout


Object Number: 71805  Size: LF
(1)Transmission Case Cover Bolt
(2)Transmission Case Cover
(3)Reverse Lockout Solenoid
(4)Transmission Case
(5)Reverse Lockout Assembly
(6)Reverse Lockout Solenoid Mounting Bolt
(7)Reverse Lockout Body
(8)Reverse Lockout Inner Spring
(9)Snap Ring
(10)Reverse Lockout Collar
(11)Reverse Lockout Outer Spring
(12)Reverse Lockout Plunger
(13)Snap Ring
(14)O-Ring
Figure 6:

Shift Shafts


Object Number: 350549  Size: LF
(1)1st/2nd Shift Fork
(2)Shift Shaft
(3)Neutral Return Cam Pin
(4)1st/2nd Shift Fork Pin
(5)Control Select Arm Pin
(6)Gear Select Interlock Plate
(7)3rd/4th Shift Fork
(8)3rd/4th Shift Fork Pad
(9)Offset Shift Lever
(10)Reverse Shift Lever Pin
(11)Retaining Ring
(12)5th/6th Shift Lever Pad
(13)5th/6th Shift Shaft Lever Bushing
(13)5th/6th Shift Shaft Lever Bushing
(14)5th/6th Shift Lever
(15)5th/6th Reverse Shift Shaft
(16)Reverse Shift Collar
(17)Reverse Shift Collar Pin
(18)5th/6th Shift Lever Assembly
(19)1st/2nd Shift Shaft Assembly
(20)Shift Interlock Plate
(21)Interlock Shift Plate
(22)1st/2nd Shift Fork Pad

Transmission Component Location GTO

Figure 1:

Transmission Case (1 of 2)


Object Number: 1387586  Size: LF
(1)Reverse Synchronizer Spring
(2)Reverse Synchronizer Sleeve
(3)Reverse Synchronizer Hub
(4)Reverse Synchronizer Key
(5)Reverse Synchronizer Spring
(6)Reverse Synchronizer Key Retainer
(7)Vent
(8)Vent Pipe
(9)Offset Lever Roll Pin
(10)Offset Shift Lever
(11)Top Shift Shaft Bushing
(12)Cover Plate Bolt
(13)Cover Plate
(14)Transmission Case
(15)6th Speed Drive Gear Bearing Spacer
(16)6th Speed Drive Gear
(17)6th Speed Drive Gear Needle Bearing
(18)6th Speed Drive Gear Bearing Spacer
(19)Synchronizer Retainer Ring
(20)6th Speed Drive Gear Thrust Washer
(21)6th Speed Drive Gear Inner Cone
(22)6th Speed Drive Gear Friction Cone
(23)6th Speed Drive Gear Synchronizer Blocking Ring
(24)Reverse Shift Fork Retainer Ring
(25)Reverse Shift Fork
(26)Reverse Shift Fork Pad
(27)Guide Plate
(28)Guide Plate Bolt
(29)Shift Detent Ball
(30)Shift Detent Ball Spring
(31)5th and 6th Speed Driven Gear
(32)Reverse Synchronizer Hub and Sleeve
(33)Reverse Gear Thrust Washer
(34)Reverse Synchronizer Retainer Ring
(35)Reverse Synchronizer Blocking Ring
Figure 2:

Transmission Case (2 of 2)


Object Number: 1387587  Size: LF
(1)Case Rear Extension Pin
(2)5th/6th Lever Guide Bolt
(3)Interlock Guide Bolt
(4)Computer Aided Gear Select Solenoid
(5)Oil Fill Plug
(6)Countershaft Bearing Race
(7)Backup Lamp Switch
(8)Magnet
(9)Shift Detent Switch
(10)Mainshaft Rear Bearing Race
(11)Mainshaft Rear Bearing
(12)1st Speed Drive Gear
(13)1st Speed Drive Gear Needle Bearing
(14)Thrust Washer
(15)Synchronizer Retainer Ring
(16)1st Speed Gear Inner Cone
(17)1st Speed Drive Gear Friction Cone
(18)1st Gear Synchronizer Blocking Ring
(19)1st/2nd Synchronizer Assembly
(20)2nd Gear Synchronizer Blocking Ring
(21)1st/2nd Synchronizer Spring
(22)1st/2nd Synchronizer Key
(23)1st/2nd Synchronizer Hub
(24)1st/2nd Synchronizer Sleeve
(25)1st/2nd Synchronizer Spring
Figure 3:

Adapter Plate and Gears


Object Number: 1387588  Size: LF
(1)3rd/4th Synchronizer Spring
(2)3rd/4th Synchronizer Sleeve
(3)3rd/4th Synchronizer Hub
(4)3rd/4th Synchronizer Key
(5)3rd/4th Synchronizer Spring
(6)Top Shaft Rail Bushing
(7)Dowel Pin
(8)Adapter Plate Inspection Plug
(9)Adapter to Transmission Case Bolt
(10)Front Adapter Plate
(11)Input Shaft Seal
(12)Input Shaft Bearing Shim
(13)Input Shaft Bearing Race
(14)Input Shaft Bearing
(15)Input Shaft
(16)Input Shaft Bearing Race
(17)3rd/4th Synchronizer Retaining Ring
(18)4th Speed Drive Gear Thrust Washer
(19)4th Speed Drive Gear Inner Cone
(20)4th Speed Drive Gear Friction Cone
(21)4th Speed Drive Gear Blocker Ring
(22)3rd/4th Synchronizer Assembly
(23)3rd Speed Drive Gear Synchronizer Blocking Ring
(24)3rd Speed Drive Gear Friction Cone
(25)3rd Speed Drive Gear Inner Cone
(26)3rd Speed Drive Gear Thrust Washer
(27)3rd Speed Drive Gear Thrust Washer
(28)3rd Speed Drive Gear
(29)3rd Speed Drive Gear Bearing
(30)Mainshaft Small Tapered Bearing
(31)Mainshaft
(32)2nd Speed Drive Gear Needle Bearing
(33)2nd Speed Drive Gear
(34)2nd Speed Drive Gear Bearing Spacer
(35)2nd Speed Drive Gear Inner Cone
(36)2nd Speed Drive Gear Friction Cone
(37)Countershaft Bearing Adjust Shim
(38)Countershaft Bearing Race
(39)Countershaft Front Bearing
(40)Countershaft
(41)Countershaft Rear Bearing
Figure 4:

Extension Housing


Object Number: 1387589  Size: LF
(1)Mainshaft Bearing Race
(2)Mainshaft Rear Bearing Retainer Ring
(3)Speedometer Sensor Gear Retainer Ring
(4)Speedometer Sensor Gear
(5)Speedometer Sensor Gear Retainer Ring
(6)Mainshaft Rear Bearing Retainer Ring
(7)Mainshaft Gear Bearing Spacer
(8)Mainshaft Rear Bearing
(9)Mainshaft Gear Bearing Spacer
(10)Synchronizer Retaining Ring
(11)Reverse Gear Thrust Washer
(12)Mainshaft Reverse Speed Gear
(13)Reverse Gear Needle Bearings
(14)Reverse Gear Washer
(15)Reverse Idler Gear Shaft
(16)Reverse Idler Gear Needle Bearing
(17)Reverse Idler Gear
(18)Reverse Idler Bracket
(19)Reverse Idler Bracket Bolt
(20)5th Gear
(21)5th Speed Drive Gear Thrust Washer
(22)5th Speed Gear Inner Cone
(23)5th Speed Gear Friction Cone
(24)5th Gear Synchronizer Blocking Ring
(25)5th/6th Synchronizer Assembly
(26)5th/6th Synchronizer Spring
(27)5th/6th Synchronizer Hub
(28)5th/6th and Reverse Synchronizer Key
(29)5th/6th Synchronizer Sleeve
(30)5th Synchronizer Spring
(31)5th/6th Gear Shift Fork Retainer Ring
(32)5th Gear Shift Fork
(33)Fork Pad
(34)5th Gear Needle Bearing
(35)Countershaft Extension
(36)Countershaft Extension Bearing
(37)Countershaft Extension Bearing Race
(38)Countershaft Extension Bearing Shim
(39)Lubrication Funnel
(40)Oil Drain Plug
(41)Extension Housing to Transmission Case Bolt
(42)Mainshaft Seal
Figure 5:

Reverse Lockout


Object Number: 1387591  Size: LF
(1)Snap Ring
(2)Reverse Lockout
(3)Reverse Lockout Outer Spring
(4)Reverse Lockout Seat
(5)Snap Ring
(6)Reverse Lockout Inner Spring
(7)Reverse Lockout Body
(8)Reverse Lockout Solenoid Mounting Bolt
(9)Reverse Lockout Solenoid
(10)Speed Sensor Bolt
(11)Speed Sensor
(12)Transmission Extension
(13)Bumper
(14)Reverse Lockout Assembly
(15)Reverse Lockout O-ring Seal
(16)Bushing
(17)Offset Shift Lever
(18)Offset Shift Lever Pin
(19)Isolator Cup
(20)Shifter Gasket
(21)Shifter
(22)Insulating Sleeve
(23)Shift Cover Bolt Distance Piece
(24)Shifter Assembly Bolt
(25)Shifter Assembly Cover
(26)Shifter Assembly Cover Screw
(27)Shifter Boot
Figure 6:

Shift Shafts


Object Number: 71807  Size: LF
(1)1st/2nd Shift Fork
(2)Shift Shaft
(3)1st/2nd Shift Fork Pin
(4)Control Select Arm Pin
(5)Gear Select Interlock Plate
(6)3rd/4th Shift Fork
(7)3rd/4th Shift Fork Pad
(8)Offset Shift Lever
(9)Reverse Shift Lever Pin
(10)5th/6th Shift Lever Pad
(11)Retaining Ring
(12)5th/6th Shift Shaft Lever Bushing
(13)5th/6th Shift Lever
(14)5th/6th Shift Shaft Lever Bushing
(15)5th/6th Reverse Shift Shaft
(16)Collar
(17)Reverse Shift Collar Pin
(18)5th/6th Shift Lever Assembly
(19)1st/2nd Shift Shaft Assembly
(20)Shift Interlock Plate
(21)Interlock Shift Plate
(22)1st/2nd Shift Fork Pad

Transmission Component Location CTSV

Figure 1:

Transmission Case (1 of 2)


Object Number: 1389897  Size: LF
(1)Reverse Synchronizer Spring
(2)Reverse Synchronizer Sleeve
(3)Reverse Synchronizer Hub
(4)Reverse Synchronizer Key
(5)Reverse Synchronizer Spring
(6)Reverse Synchronizer Key Retainer
(7)Vent
(8)Vent Pipe
(9)Shifter Cover Plate Bolt
(10)Shifter Cover Plate
(11)Guide Plate Bolt
(12)Guide Plate
(13)Transmission Case
(14)Reverse Synchronizer Blocking Ring
(15)Reverse Synchronizer Retainer Ring
(16)Reverse Gear Thrust Washer
(17)Reverse Synchronizer Hub and Sleeve
(18)5th and 6th Speed Driven Gear
(19)Reverse Shift Fork Retainer Ring
(20)Reverse Shift Fork
(21)Reverse Shift Fork Pad
(22)6th Speed Drive Gear Synchronizer Blocking Ring
(23)6th Speed Drive Gear Friction Cone
(24)6th Speed Drive Gear Inner Cone
(25)6th Speed Drive Gear Thrust Washer
(26)Synchronizer Retainer Ring
(27)6th Speed Drive Gear Bearing Spacer
(28)6th Speed Drive Gear Needle Bearing
(29)6th Speed Drive Gear
(30)6th Speed Drive Gear Bearing Spacer
Figure 2:

Transmission Case (2 of 2)


Object Number: 1389901  Size: LF
(1)Case Rear Extension Pin
(2)5th/6th Lever Guide Bolt
(3)Interlock Guide Bolt
(4)Computer Aided Gear Select Solenoid
(5)Oil Fill Plug
(6)Countershaft Bearing Race
(7)Backup Lamp Switch
(8)Magnet
(9)Shift Detent Assembly
(10)Mainshaft Rear Bearing Race
(11)Mainshaft Rear Bearing
(12)1st Speed Drive Gear
(13)1st Speed Drive Gear Needle Bearing
(14)1st Speed Drive Gear Bearing Spacer
(15)Synchronizer Retainer Ring
(16)1st Speed Drive Gear Inner Cone
(17)1st Speed Drive Gear Friction Cone
(18)1st Gear Synchronizer Blocking Ring
(19)1st/2nd Synchronizer Assembly
(20)2nd Gear Synchronizer Blocking Ring
(21)1st/2nd Synchronizer Spring
(22)1st/2nd Synchronizer Key
(23)1st/2nd Synchronizer Hub
(24)1st/2nd Synchronizer Sleeve
(25)1st/2nd Synchronizer Spring
Figure 3:

Adapter Plate and Gears


Object Number: 1389908  Size: LF
(1)3rd/4th Synchronizer Spring
(2)3rd/4th Synchronizer Sleeve
(3)3rd/4th Synchronizer Hub
(4)3rd/4th Synchronizer Key
(5)3rd/4th Synchronizer Spring
(6)Top Shaft Rail Bushing
(7)Dowel Pin
(8)Shift Detent Plug
(9)Shift Detent Spring
(10)Shift Detent Ball
(11)Adapter Plate Inspection Plug
(12)Adapter to Transmission Case Bolt
(13)Front Adapter Plate
(14)Input Shaft Seal
(15)Input Shaft Bearing Shim
(16)Input Shaft Bearing Race
(17)Input Shaft Bearing
(18)Input Shaft
(19)Input Shaft Bearing Race
(20)3rd/4th Synchronizer Retaining Ring
(21)4th Speed Drive Gear Thrust Washer
(22)4th Speed Drive Gear Inner Cone
(23)4th Speed Drive Gear Friction Cone
(24)4th Speed Drive Gear Blocker Ring
(25)3rd/4th Synchronizer Assembly
(26)3rd Speed Drive Gear Synchronizer Blocking Ring
(27)3rd Speed Drive Gear Friction Cone
(28)3rd Speed Drive Gear Inner Cone
(29)3rd Speed Drive Gear Thrust Washer
(30)3rd Speed Drive Gear Spacer
(31)3rd Speed Drive Gear
(32)3rd Speed Drive Gear Bearing
(33)Mainshaft Small Tapered Bearing
(34)Mainshaft
(35)2nd Speed Drive Gear Needle Bearing
(36)2nd Speed Drive Gear
(37)2nd Speed Drive Gear Bearing Spacer
(38)2nd Speed Drive Gear Inner Cone
(39)2nd Speed Drive Gear Friction Cone
(40)Countershaft Bearing Adjust Shim
(41)Countershaft Bearing Race
(42)Countershaft Front Bearing
(43)Countershaft
(44)Countershaft Rear Bearing
Figure 4:

Extension Housing


Object Number: 1389916  Size: LF
(1)Extension Housing
(2)Mainshaft Bearing Race
(3)Mainshaft Rear Bearing Retainer Ring
(4)Mainshaft Rear Bearing Retainer Ring
(5)Mainshaft Gear Bearing Spacer
(6)Mainshaft Rear Bearing
(7)Mainshaft Gear Bearing Spacer
(8)Synchronizer Retainer Ring
(9)Reverse Gear Thrust Washer
(10)Mainshaft Reverse Speed Gear
(11)Reverse Gear Bearing
(12)Reverse Gear Washer
(13)Reverse Idler Gear Shaft
(14)Reverse Idler Gear Needle Bearing
(15)Reverse Idler Gear
(16)Reverse Idler Bracket
(17)Reverse Idler Bracket Bolt
(18)Propshaft Connector Nut
(19)Propshaft Connector
(20)Output Shaft Seal
(21)Vehicle Speed Sensor Bolt
(22)Vehicle Speed Sensor
(23)Extension Housing to Transmission Case Bolt
(24)Temperature Sensor
(25)Lubrication Funnel
(26)Front Countershaft Extension Bearing Shim
(27)Countershaft Extension Bearing Race
(28)Countershaft Extension Bearing
(29)Countershaft Extension
(30)Shift Fork Pad
(31)5th Speed Drive Gear Needle Bearing
(32)5th Speed Drive Gear
(33)5th Speed Drive Gear Thrust Washer
(34)5th Speed Gear Inner Cone
(35)5th Speed Gear Friction Cone
(36)5th Gear Synchronizer Blocking Ring
(37)5th/6th Synchronizer Assembly
(38)5th Gear Shift Fork Retainer Ring
(39)5th/6th Shift Fork
(40)5th/6th Synchronizer Spring
(41)5th/6th Synchronizer Sleeve
(42)5th/6th and Reverse Synchronizer Key
(43)5th/6th Synchronizer Hub
(44)5th/6th Synchronizer Spring
Figure 5:

Reverse Lockout


Object Number: 1389923  Size: MF
(1)Extension Housing
(2)O-ring
(3)Reverse Lockout Assembly
(4)Reverse Lockout Solenoid
(5)Reverse Lockout Solenoid Mounting Bolt
(6)Reverse Lockout Body
(7)Reverse Lockout Inner Spring
(8)Snap Ring
(9)Reverse Lockout Collar
(10)Reverse Lockout Outer Spring
(11)Reverse Lockout Plunger
(12)Snap Ring
Figure 6:

Shift Shafts


Object Number: 1389933  Size: LF
(1)1st/2nd Shift Fork
(2)Shift Shaft
(3)Control Select Arm Pin Roll Pin
(4)Control Select Arm Pin
(5)Gear Select Interlock Plate
(6)3rd/4th Shift Fork
(7)Shift Guide
(8)Shift Guide Roll Pins
(9)Shift Shaft Extension
(10)3rd/4th Shift Fork Pad
(11)Shift Interlock Plate
(12)Interlock Shift Plate
(13)1st/2nd Shift Fork Pad
(14)1st/2nd Shift Shaft Assembly
(15)5th/6th Shift Lever Assembly
(16)Reverse Shift Collar Pin
(17)Reverse Shift Collar
(18)5th/6th Reverse Shift Shaft
(19)5th/6th Shift Shaft Lever Bushing
(19)5th/6th Shift Shaft Lever Bushing
(20)5th/6th Shift Lever
(21)5th/6th Shift Lever Pad
(22)Retaining Ring
(23)Reverse Shift Lever Pin
(24)Offset Shift Lever