GM Service Manual Online
For 1990-2009 cars only
Makes
🢒
Pontiac
🢒
2004
🢒
GTO
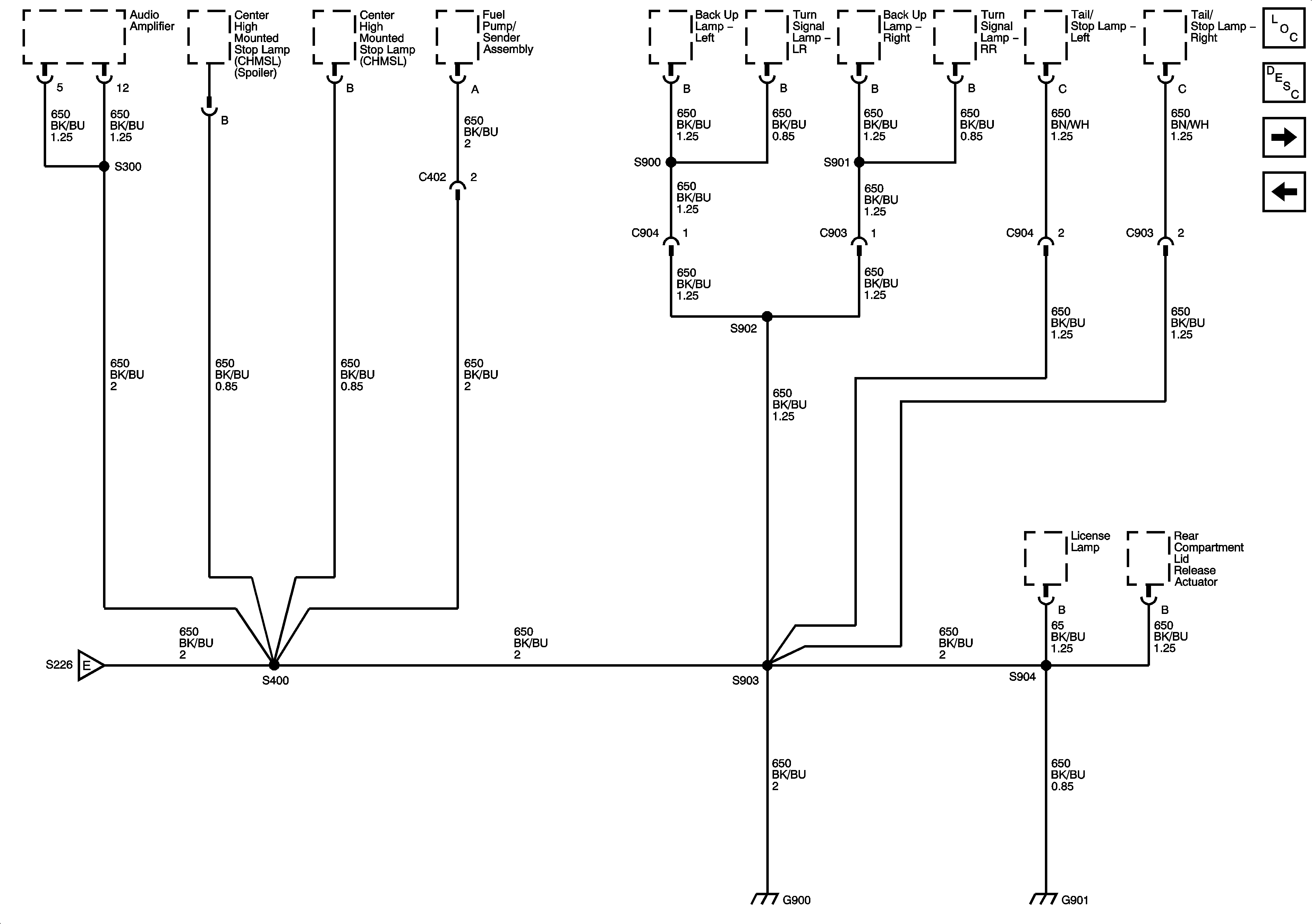
🢒 G900 and G901
G900 and G901
G900 and G901
Master Electrical Component List
G300, G301, G400