GM Service Manual Online
For 1990-2009 cars only
Makes
🢒
Pontiac
🢒
2004
🢒
GTO
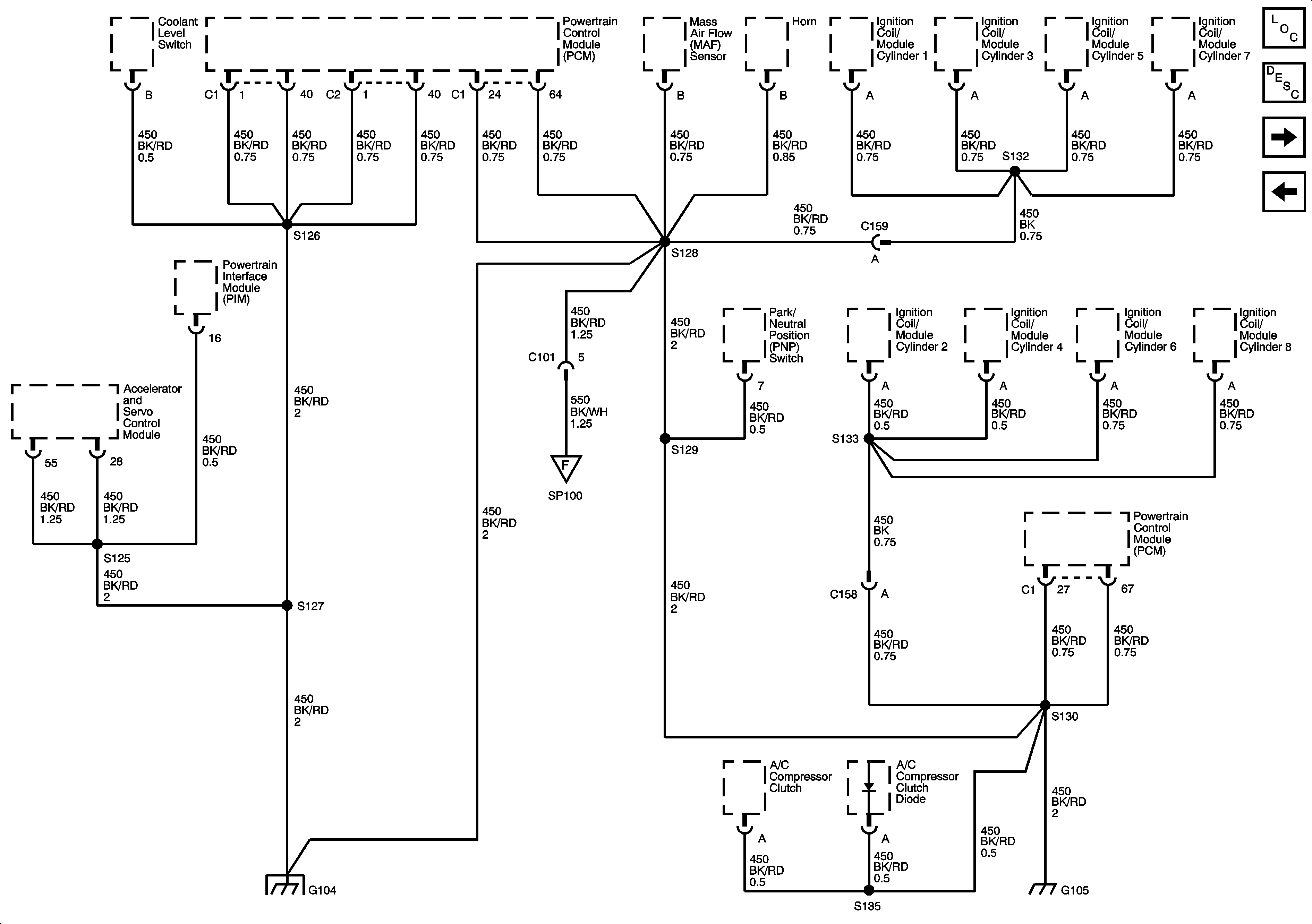
🢒 G104 and G105
G104 and G105
G104 and G105
Master Electrical Component List
G300, G301, G400
SP100 and G102, G103, G200