GM Service Manual Online
For 1990-2009 cars only
Makes
🢒
Pontiac
🢒
2004
🢒
GTO
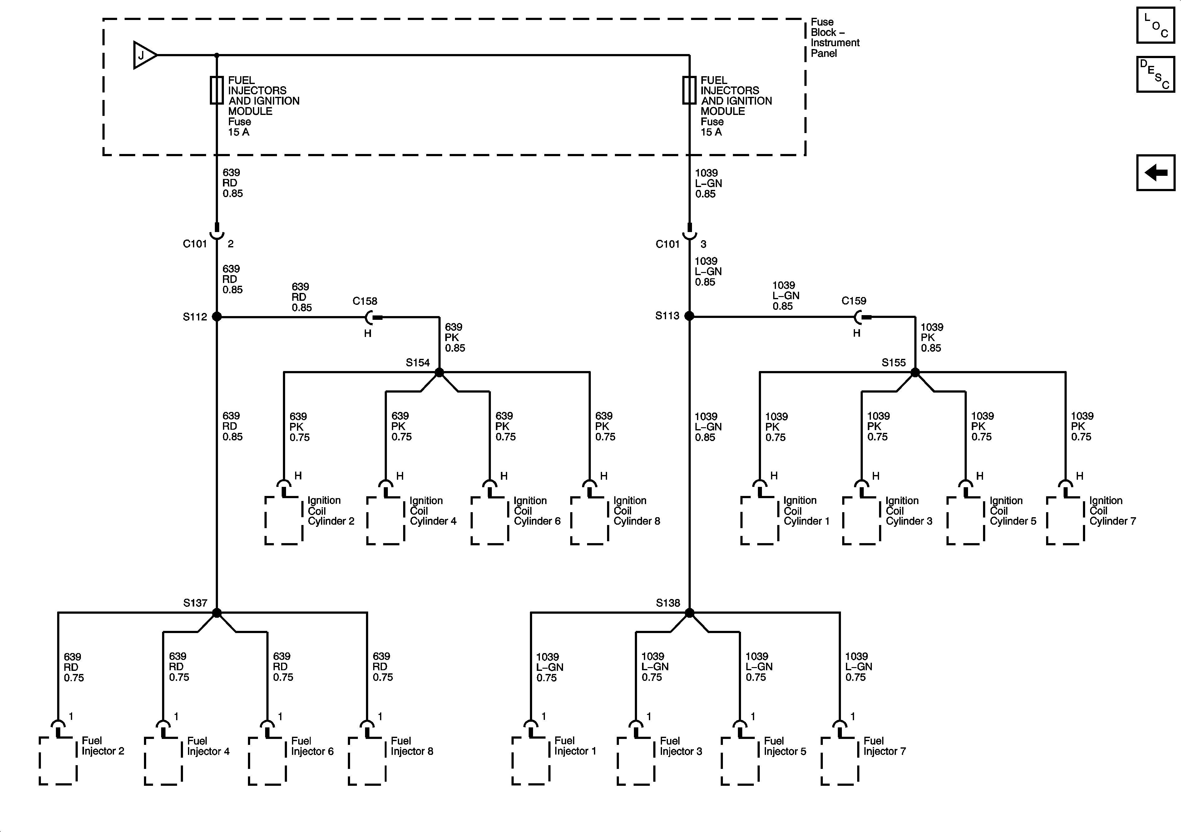
🢒 Fuel Injectors and Ignition Module Fuses
Fuel Injectors and Ignition Module Fuses
Fuel Injectors and Ignition Module Fuses
Master Electrical Component List
EFI Relay, Auto Trans, Engine Sensors Fuses