GM Service Manual Online
For 1990-2009 cars only
Makes
🢒
Pontiac
🢒
2004
🢒
GTO
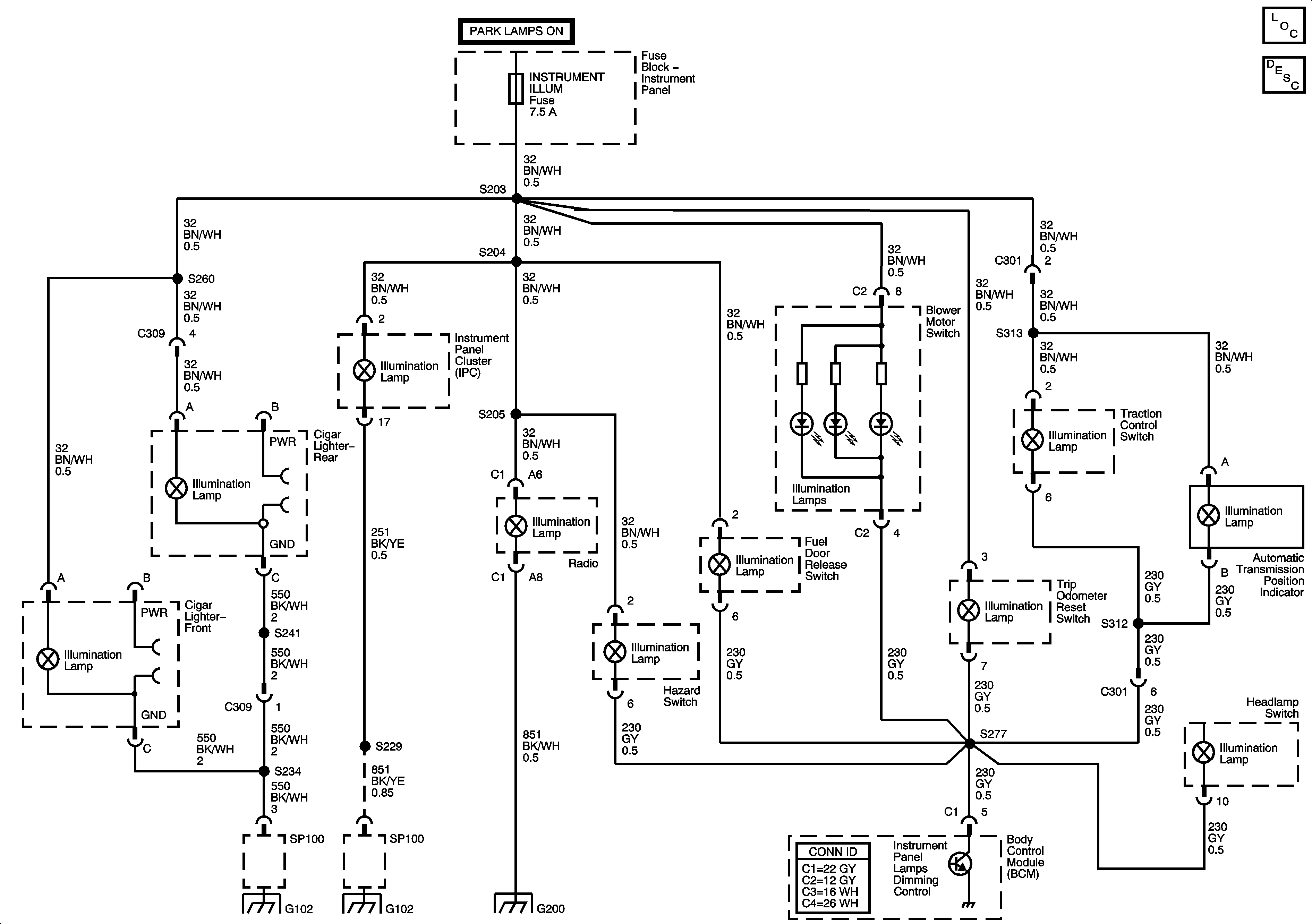
🢒 Interior Lamps Dimming Schematic
Interior Lamps Dimming Schematic
Master Electrical Component List
Interior Lighting Systems Description and Operation
SP100 and G102
SP100 and G102, G103, G200
SP100 and G102