GM Service Manual Online
For 1990-2009 cars only

Removal Procedure

    Caution: Refer to Exhaust Service Caution in the Preface section.

    Caution: Refer to Battery Disconnect Caution in the Preface section.

  1. Disconnect the negative battery cable.
  2. Remove the front suspension support brace. Refer to Front Suspension Support Brace Replacement in Front Suspension.
  3. Remove the engine sight cover.
  4. Remove the air cleaner assembly. Refer to Air Cleaner Assembly Replacement .
  5. Remove the Bank 1, Sensor 1 oxygen sensor from the exhaust manifold. Refer to Heated Oxygen Sensor Replacement - Bank 1 Sensor 1 in Engine Controls - 6.0L.
  6. Remove the spark plugs. Refer to Spark Plug Replacement in Engine Controls - 6.0L.
  7. Remove the generator, if needed. Refer to Generator Replacement in Engine Electrical.
  8. Raise the vehicle. Refer to Lifting and Jacking the Vehicle in General Information.

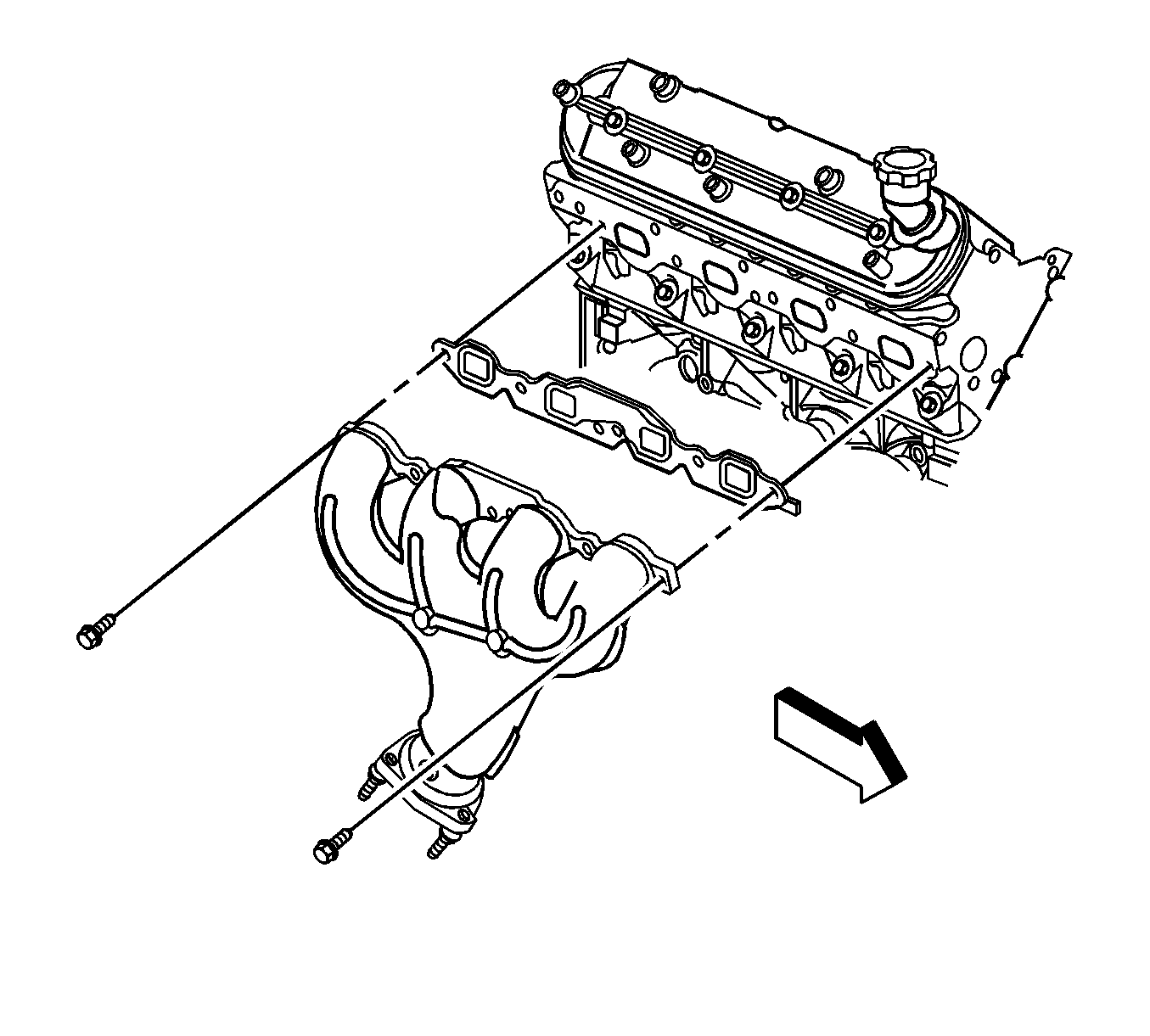
  9. Object Number: 1461909  Size: SH
  10. Remove the catalytic convertor. Refer to Catalytic Converter Replacement in Engine Exhaust.
  11. Lower the vehicle.
  12. Remove the exhaust manifold bolts.
  13. Important: It may be necessary to remove the heat assembly from the exhaust manifold to gain enough clearance to remove the exhaust manifold.

  14. Remove the exhaust manifold.

Installation Procedure

Important: Tighten the exhaust manifold bolts as specified in the service procedure. Improperly installed and/or leaking exhaust manifold gaskets may effect vehicle emissions and/or On-Board Diagnostics (OBD) II system performance.

The cylinder head exhaust manifold bolt hole threads must be cleaned and free of debris or threadlocking material.

  1. Raise the vehicle.
  2. Important: In the following service procedure, position the catalytic convertor on the intermediate pipe, but DO NOT tighten the clamp. Leave it loose to allow the alignment of the exhaust manifold on the cylinder head.

  3. Install the catalytic convertor.
  4. Lower the vehicle.
  5. Apply a 5 mm (0.2 in) wide band of threadlock GM P/N 12345493 (Canadian P/N 10953489), or equivalent to the threads of the exhaust manifold bolts.

  6. Object Number: 1461911  Size: SH
  7. Position the exhaust manifold and a NEW gasket into place.
  8. Notice: Use the correct fastener in the correct location. Replacement fasteners must be the correct part number for that application. Fasteners requiring replacement or fasteners requiring the use of thread locking compound or sealant are identified in the service procedure. Do not use paints, lubricants, or corrosion inhibitors on fasteners or fastener joint surfaces unless specified. These coatings affect fastener torque and joint clamping force and may damage the fastener. Use the correct tightening sequence and specifications when installing fasteners in order to avoid damage to parts and systems.

  9. Install the exhaust manifold bolts.
  10. Tighten

    1. Tighten the exhaust manifold bolts a first pass to 15 N·m (11 lb ft). Tighten the exhaust manifold bolts beginning with the center two bolts. Alternate from side-to-side, working toward the outside bolts.
    2. Tighten the exhaust manifold bolts a final pass to 25 N·m (18 lb ft). Tighten the exhaust manifold bolts beginning with the center two bolts. Alternate from side-to-side, working toward the outside bolts.
  11. Install the Bank 1, Sensor 1 oxygen sensor in the exhaust manifold oxygen sensor. Refer to Heated Oxygen Sensor Replacement - Bank 1 Sensor 1 in Engine Controls - 6.0L.
  12. Install the spark plugs. Refer to Spark Plug Replacement in Engine Controls - 6.0L.
  13. Install the generator. Refer to Generator Replacement in Engine Electrical.
  14. Install the engine sight cover. Refer to Upper Intake Manifold Sight Shield Replacement in Engine Mechanical - 6.0L.
  15. Install the air cleaner assembly. Refer to Air Cleaner Assembly Replacement .
  16. Install the front suspension support brace. Refer to Front Suspension Support Brace Replacement in Front Suspension.
  17. Raise the vehicle.
  18. Install the catalytic convertor to exhaust manifold nuts.
  19. Tighten
    Tighten the exhaust manifold nuts to 20 N·m (15 lb ft).

  20. Tighten the exhaust clamps for the catalytic convertor.
  21. Tighten
    Tighten the exhaust clamps for the catalytic convertor bolt to 20 N·m (15 lb ft).

  22. Lower the vehicle.
  23. Connect the negative battery cable.