GM Service Manual Online
For 1990-2009 cars only
Makes
🢒
Pontiac
🢒
2005
🢒
GTO
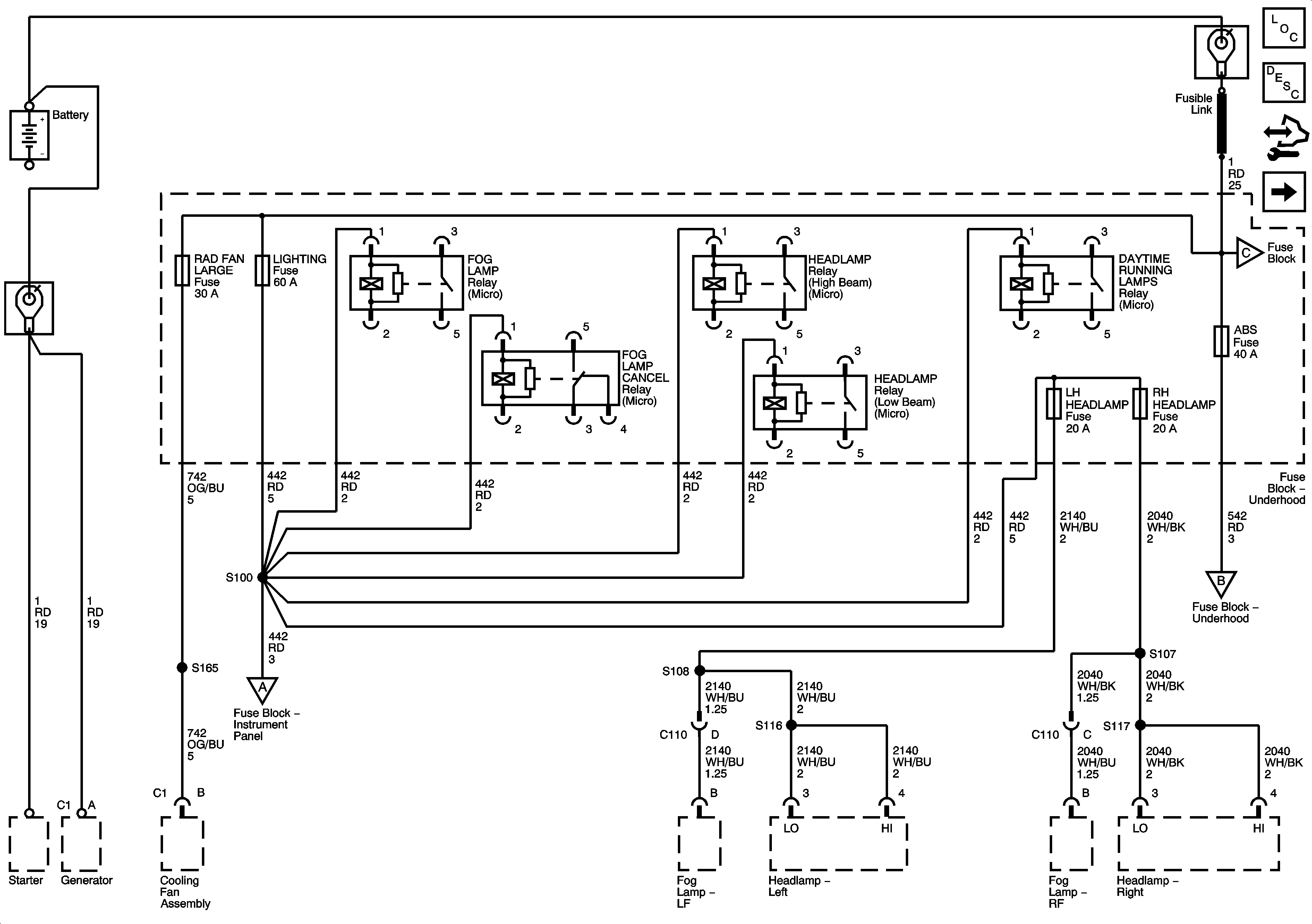
🢒 Battery, RAD FAN LARGE, LIGHTING, and ABS Fuses
Battery, RAD FAN LARGE, LIGHTING, and ABS Fuses
Battery, RAD FAN LARGE, LIGHTING, ABS Fuses
Master Electrical Component List
Control Module References
PARK LAMPS, STOP LAMPS, INTERIOR ILLUMINATION, HAZARD LAMPS Fuses