GM Service Manual Online
For 1990-2009 cars only
Makes
🢒
Pontiac
🢒
2005
🢒
GTO
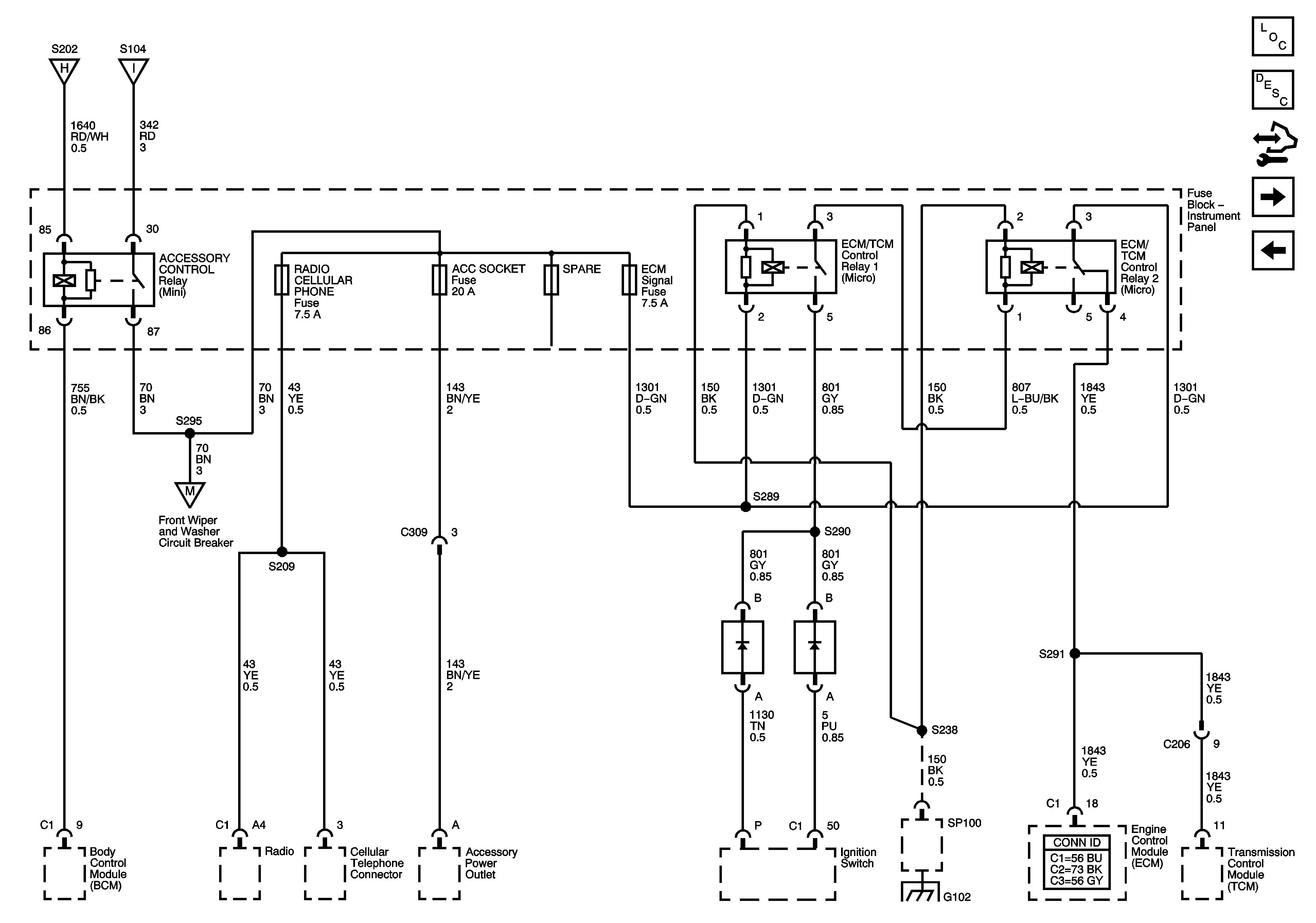
🢒 Accessory Control Relay, RADIO CELLULAR PHONE, ACC SOCKET,ECM SIGNAL Fuses
Accessory Control Relay, RADIO CELLULAR PHONE, ACC SOCKET,ECM SIGNAL Fuses
Accessory Control Relay, RADIO, CELLULAR PHONE, ACC SOCKET, ECM SIGNAL Fuses
Master Electrical Component List
Control Module References
Ignition Control Relay, ABS and TCS, SRS, CIGAR LIGHTER, CRUISE CONTROL, POWER MIRROR and SHIFTLOCK CONTROL Fuses
Ignition Switch