GM Service Manual Online
For 1990-2009 cars only
Makes
🢒
Pontiac
🢒
2005
🢒
GTO
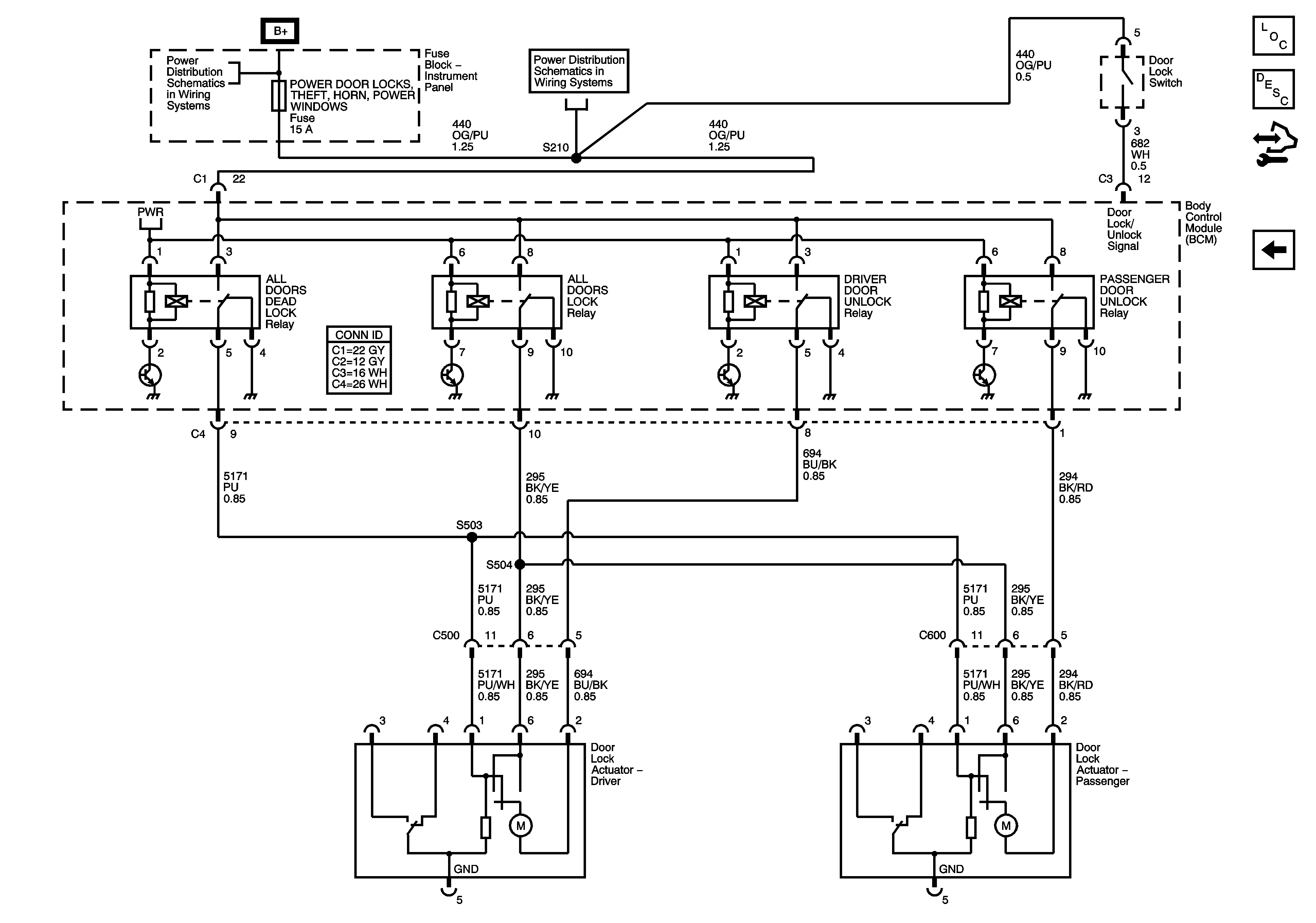
🢒 Door Lock Relays, Body Control Module (BCM) and Door Lock Actuators
Door Lock Relays, Body Control Module (BCM) and Door Lock Actuators
Door Lock Relays, Body Control Module (BCM) and Door Lock Actuators
Master Electrical Component List
Power Door Locks Description and Operation
Control Module References
Door Lock Switch, Body Control Module (BCM) and Door Lock Actuators
MAIN, BLOWER FAN, RAD FAN SMALL, INSTRUMENTS, POWER DOOR LOCKS, THEFT, HORN and POWER WINDOW Fuses
MAIN, BLOWER FAN, RAD FAN SMALL, INSTRUMENTS, POWER DOOR LOCKS, THEFT, HORN and POWER WINDOW Fuses