GM Service Manual Online
For 1990-2009 cars only

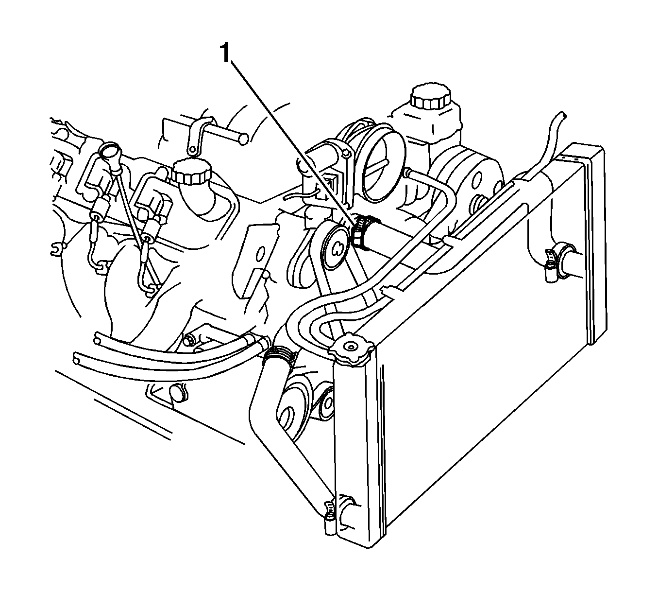
Removal Procedure


    Object Number: 1582088  Size: SH
  1. Drain the cooling system. Refer to Cooling System Draining and Filling .
  2. Loosen and remove the radiator inlet hose from the radiator.
  3. Loosen and remove the radiator inlet hose from the water pump (1).

Installation Procedure


    Object Number: 1582088  Size: SH
  1. Position the radiator hose.
  2. Install the radiator inlet hose clamp to the water pump (1).
  3. Install the radiator inlet hose clamp at the radiator.
  4. Refill the cooling system. Refer to Cooling System Draining and Filling .