GM Service Manual Online
For 1990-2009 cars only
Makes
🢒
Pontiac
🢒
2006
🢒
GTO
🢒
Brakes
🢒
Hydraulic Brakes
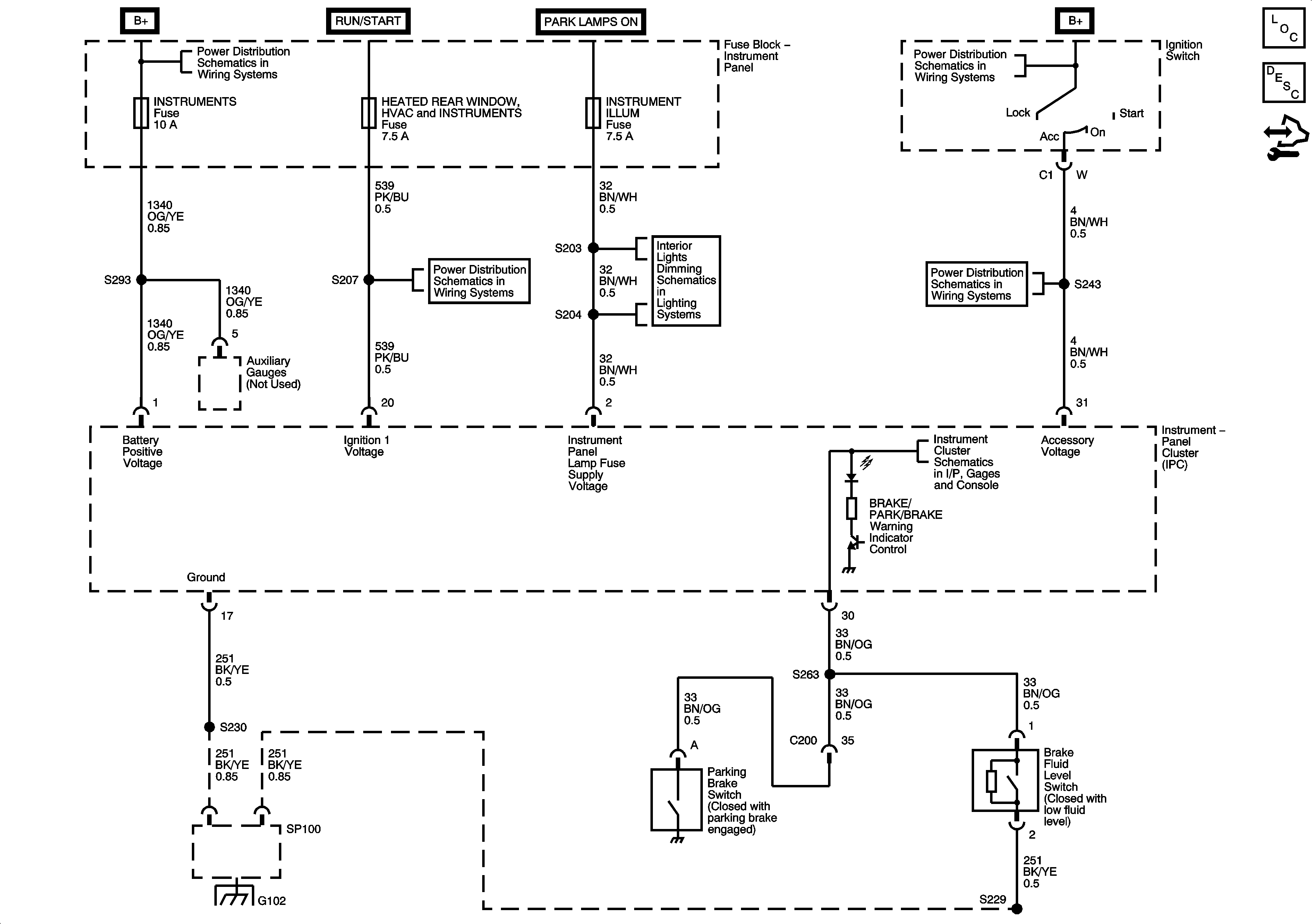
🢒 Brake Warning System Schematics
Master Electrical Component List
Brake Warning System Description and Operation
Control Module References
MAIN, BLOWER FAN, RAD FAN SMALL, INSTRUMENTS, POWER DOOR LOCKS, THEFT, HORN and POWER WINDOW Fuses
SP100 and G102 2 of 5
HEATED REAR WINDOW, RADIO, CELLULAR PHONE, SUB-WOOFER, AMPLIFIER, IGNITION SWITCH and HORN Fuses
Interior Dimming Lights
Ignition Switch
Ignition Switch
MIL, Brake, Security, Door Ajar, and Seat Belt Indicators