GM Service Manual Online
For 1990-2009 cars only

COLD AIR LEAKING ON PASSENGER FOOT AREA

1986-87 SUNBIRD AND GRAND AM MODELS WITH OPTION C60

"This bulletin supersedes bulletin 87-1-13, dated 4/88. This bulletin is being revised to add a "T" Labor Operation Number and to correct a call-out in the artwork. "

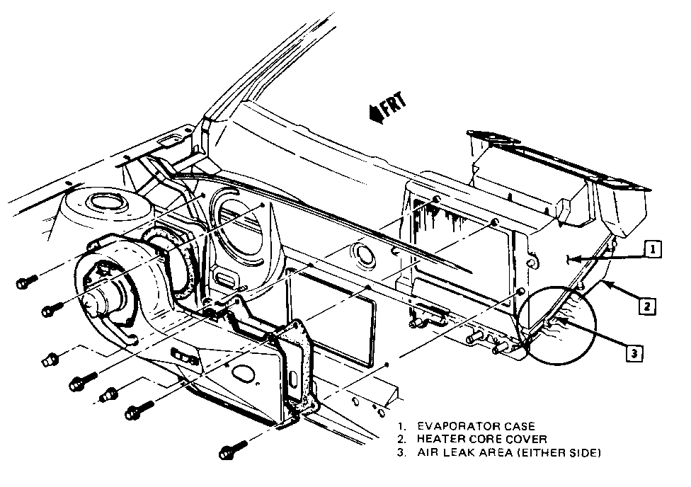
Some 1986 and 1987 Sunbird and Grand Am vehicle owners may comment on a condition where cold air may be blowing into the passenger foot area. The air leak has been identified as coming from the joint between the heater core cover and evaporator case and generally located toward the front of the vehicle where the AC module meets the front of dash. The leaks could be found on either side of module. (See Figure)

This condition may be repaired by applying 3M strip caulk (or equivalent) to the case joint area where air leakage is found.

Warranty Information:

Labor Operation: T4637

Labor Time : .3 hrs.

Trouble Code : 92


Object Number: 87350  Size: MF

General Motors bulletins are intended for use by professional technicians, not a "do-it-yourselfer". They are written to inform those technicians of conditions that may occur on some vehicles, or to provide information that could assist in the proper service of a vehicle. Properly trained technicians have the equipment, tools, safety instructions and know-how to do a job properly and safely. If a condition is described, do not assume that the bulletin applies to your vehicle, or that your vehicle will have that condition. See a General Motors dealer servicing your brand of General Motors vehicle for information on whether your vehicle may benefit from the information.