GM Service Manual Online
For 1990-2009 cars only

CAMPAIGN: FUEL FEED & RETURN HOSE/PIPE ASSEMBLIES

PRODUCT SAFETY CAMPAIGN 87-C-08 FUEL FEED AND RETURN HOSE/PIPE ASSEMBLIES

MODELS AFFECTED 1987 Pontiac Sunbird and Grand Am Models Equipped --------------- with 2.OL (RPO LT2 or LT3, VIN Code K or M) Engines

TO: ALL PONTIAC DEALERS

The National Traffic and Motor Vehicle Safety Act, as amended, provides that each vehicle which is subject to a recall campaign of this type, must be adequately repaired within a reasonable time after the owner has tendered it for repair. A failure to adequately repair within sixty days after tender of a vehicle is prima facie evidence of failure to repair within a reasonable time.

If the condition is not adequately repaired within a reasonable time the owner may be entitled to an identical or reasonable equivalent vehicle at no charge or to a refund of the purchase price, less a reasonable allowance for depreciation.

To avoid having to provide these burdensome solutions, every effort must be made to promptly schedule an appointment with each owner and to repair their vehicle as soon as possible. As you will see in reading the attached copy of the letter which is being sent to owners, the owners are being instructed to contact the Pontiac Customer Assistance Center if their dealerr does not remedy the condition within five days of the mutually agreed upon service date. If the condition is not remedied within a reasonable time, owners are instructed on how to contact the National Highway Traffic Safety Administration.

DEFECT INVOLVED

General Motors has determined that a defect which relates to motor vehicle safety exist in some 1987 Pontiac Sunbird and Grand Am models equipped with 2.OL (RPO LT2 or LT3, VIN Code K or M) engines. The fuel feed and/or return hose/pipe assemblies could crack or separate, allowing fuel to leak into the underhood area. This condition could ultimately result in an underhood fire without prior warning. Such a fire could, in time, spread to the passenger compartment and cause injury to any remaining occupants.

To prevent the possibility of this condition occurring, both the fuel feed and return hose/pipe assemblies will be replaced.

VEHICLES INVOLVED

Involved are certain 1987 Pontiac Sunbird and Grand Am models equipped with a 2.OL (RPO LT2 or LT3, VIN Code K or M) engine and produced within the following VIN breakpoints:

Model/Year Plant From Through ---------- ----- ---- -------

1987 Grand Am Lansing SOP EOP

1987 Sunbird Lordstown SOP EOP

Involved vehicles have been identified by Vehicle Identification Number computer listings. These listings contain the complete Vehicle Identification Number, owner name and address data, and are furnished to the involved dealers with the campaign bulletin. Owner name and address data furnished will enable dealers to follow up with owners involved in this campaign.

These listings may contain owner names and addresses obtained from State Motor Vehicle Registration Records. The use of such motor vehicle registration data for any other reason is a violation of law in several states. Accordingly, you are urged to limit the use of this listing to the follow up necessary to complete this campaign. Any dealer not receiving a computer listing with the campaign bulletin has no involved vehicles currently assigned.

OWNER NOTIFICATION

Owners will be notified of this campaign on their vehicles by Pontiac Division (see copy of Owner Letter included with this bulletin).

DEALER CAMPAIGN RESPONSIBILITY

Dealers are to service all vehicles subject to this campaign at no charge to owners, regardless of mileage, age of vehicle, or ownership from this time forward.

Whenever a vehicle subject to this campaign is taken into your new or used vehicle inventory, or it is in your dealership for service in the future, you should take the steps necessary to be sure the campaign correction has been made before reselling or releasing the vehicle.

Owners of vehicles recently sold from your new vehicle inventory are to be contacted by the dealer, and arrangements made to make the required modification according to instructions contained in this bulletin.

PARTS INFORMATION

Parts required to complete this campaign n are to , be obtained from General Motors Service Parts Operations (GMSPO To insure that these parts are obtained as soon as possible they should be ordered on a C.I.O. order with NO special instruction code, but on advise code (2).

Usage Part Number Description Quantity/Vehicle ----- ----------- ----------- ---------------- W/ 2.OL LT2 10106034 Fuel Feed Assemb. 1

W/ 2.OL LT2 10106035 Fuel Return Assemb. 1

W/ 2.OL LT3 10106037 Fuel Feed Assemb. 1

W/ 2.OL LT3 10106038 Fuel Return Assemb. 1

Fuel feed and return hose/pipe assemblies each come with one (1) "O"-Ring for attachment at engine end. "O"-Rings for chassis end attachment must be ordered separately.

W/ 2.OL LT2 or LT3 22514722 "O"-Ring - Fuel Feed 1 W/ 2.OL LT2 or LT3 22516256 "O"-Ring - Fuel Return 1

There is a total of approximately 89,000 Pontiac units involved in this campaign. Of these, 83,000 are equipped with LT2 and 6,000 are equipped with LT3 engines. Order parts accordingly based on attached involved vehicle listings.

SERVICE PROCEDURE

TBI ENGINE (RPO LT2, VIN CODE K ) - REFERENCE FIGURE 1 --- ------ ---------------------- ------------------ 1. CAUTION - To reduce the risk of fire and personal injury, it is necessary to relieve fuel system pressure before servicing fuel system components. Have a dry chemical (Class B) fire extinguisher near work area.

To Relieve the fuel system pressure, do the following:

- Remove "Fuel Pump" fuse from fuse block in passenger compartment.

- Crank engine - engine will start and run until fuel supply remaining in fuel lines has been consumed. Engage starter for 3.0 seconds to assure relief of any remaining pressure.

Unless this procedure is followed before servicing fuel lines or connections, fuel spray could occur.

2. Disconnect negative battery cable.

3. Use a backup wrench when loosening the screw coupling fittings at the fuel line ends.

4. Disconnect heater inlet hose at bottom side of manifold for easier fuel line removal.

5. Install new 0-rings on the chassis fuel line ends, (See Figure 1) with Return Line 0-ring (P/N 22516256) and Feed Line 0-ring (P/N 22514722). The new fuel line assemblies also contain new 0-rings for engine end attachment.

6. Install new en engine fuel lines (Fuel Feed [P/N 10106034] and Fuel Return [P/N 10106035]3. Avoid any routing that causes kinking or twisting of the lines.

7. Reconnect heater inlet hose and add coolant, if necessary.

8. Secure all fuel line routing clamps.

9. Tighten all fuel line connections to 30 Nm (22 lb. ft.) torque while using a backup wrench on fittings.

10. Reinstall fuel pump fuse, reconnect battery cable, start engine, check coolant and all previously loosened fuel line connections for possible leaks.

11. Install Campaign Identification Label.

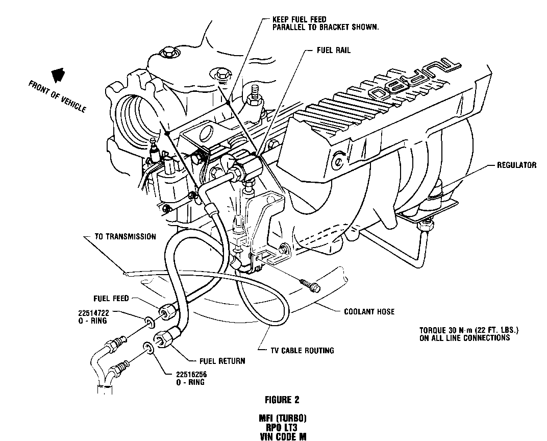
MFI TURBO ENGINE (RPO LT3, VIN CODE M) --- ----- ------ --------------------- 1. CAUTION - To reduce the risk of fire and personal injury, it is necessary to relieve fuel system pressure before servicing fuel system components. Have a dry chemical (Class B) fire extinguisher near work area.

To Relieve the fuel system pressure, do the following:

- Remove "Fuel Pump" fuse from fuse block in passenger compartment.

- Crank engine - engine will start and run until fuel supply remaining in fuel lines has been consumed. Engage starter for 3.0 seconds to assure relief of any remaining pressure.

Unless this procedure is followed before servicing fuel lines or connections, fuel spray could occur.

2. Disconnect negative battery cable.

3. Use a backup wrench when loosening the screw coupling fittings at fuel line ends.

4. Check and replace 0-rings that appear damaged on the chassis fuel line (See Figure 2) with Return Line 0-ring (P/N 22516256) and Feed Line 0- ring P/N 22514722). The new fuel lines are supplied with new 0-rings for engine end attachment.

5. Install new enline fuel lines (Fuel Feed [P/N 10106037] and Fuel Return [P/N 10106038]. Avoid any routing that c0512auses kinking or twisting of the lines.

6. Secure all fuel line routing clamps.

7. Tighten all fuel line connections to 30 Nm (22 lb. ft.) torque while using a backup wrench on fittings.

8. Replace fuel pump fuse, reconnect battery cable, start engine and check all previously loosened fuel line connections for possible leaks.

9. Install Campaign Identification Label.

CAMPAIGN IDENTIFICATION LABEL

Each vehicle modified in accordance with the instructions outlined in this Product Campaign Bulletin will require a "Campaign Identification Label." Each label provides a space to include the campaign number, the five digit dealer code of the dealer performing the campaign service, and the date the vehicle was campaigned. This information may be inserted with a typewriter or ball point pen. Install the label only on a clean, dry surface of the radiator baffle where it is readily visible. (Additional campaign labels are available on stationery order as Form 7901-709).

CLAIM INFORMATION

A separate repair order must be used for each vehicle. A completed warranty claim is to be kept as a permanent record of completion.

DEALERS SHOULD SUBMIT WARRANTY CLAIMS FOR CREDIT IN THEIR NORMAL MANNER WHEN THEY PERFORM THE SERVICE AS FOLLOWS:

Other * Failure Labor Labor Labor Operation Code Operation Hours Hours --------- ------- --------- ----- ----- Install Fuel Hose 96 V4340 1.0 0.1 Assemblies (1987 Sunbird W/ LT2 Engine)

Install Fuel Hose 96 V4341 0.6 0.1 Assemblies (1987 Sunbird W/LT3 Engine)

Install Fuel Hose 96 V4342 0.6 0.1 Assemblies (1987 Grand Am W/LT3 Engine)

* In addition dealerships will receive 0.1 hours credit for dealer administrative services associated with this campaign. The 0.1 hours allowance is to be entered in the "Other Labor Hours" field with each campaign repair listed for credit. This entry will not require authorization.

FAILURE CODE 96 MUST BE USED WITH THE LABOR OPERATION.

Parts required are to be listed in your warranty claim in the normal manner. Parts will be credited at dealer net plus 30% dealer handling allowance. Dealers will be credited via Warranty Document or Terminal Transmission, whichever is their normal method of submission for payment. Claim must contain all information required and should list the labor operation as outlined.

RECORDING COMPLETION

Repairs submitted for vehicles not involved in the campaign will not be paid.

Campaign completion will be recorded from "PROPERLY COMPLETED AND PAID WARRANTY CLAIMS." Owners are being .asked to present the owner reply card for identification to their dealer at the time they bring in their vehicle to have the campaign performed.


Object Number: 86526  Size: FS


Object Number: 83524  Size: FS


Object Number: 84458  Size: FS

General Motors bulletins are intended for use by professional technicians, not a "do-it-yourselfer". They are written to inform those technicians of conditions that may occur on some vehicles, or to provide information that could assist in the proper service of a vehicle. Properly trained technicians have the equipment, tools, safety instructions and know-how to do a job properly and safely. If a condition is described, do not assume that the bulletin applies to your vehicle, or that your vehicle will have that condition. See a General Motors dealer servicing your brand of General Motors vehicle for information on whether your vehicle may benefit from the information.