GM Service Manual Online
For 1990-2009 cars only

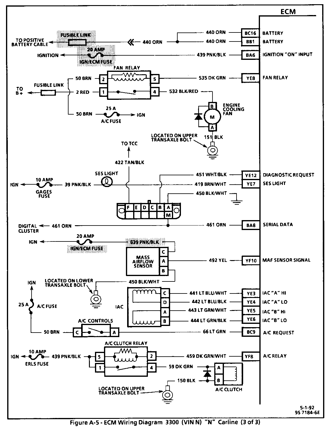
SERVICE MANUAL UPDATE SEC. 6E3 WIRING DIAGRAM CORRECTIONS

Subject: SERVICE MANUAL UPDATE - SECTION 6E3 WIRING DIAGRAM CORRECTIONS

Models Affected: 1992 GRAND Am 3300 (VIN N - RPO LG7)

This bulletin updates the following pages in the 1992 Grand Am models with 3300 (VIN N) Service Manual:

- ECM Wiring Diagram (3 of 3). . . . . . . . . . . . . . . . 6E3_A- 6 - Facing Page Art for Diagnostic Circuit Check . . . . . . . 6E3-A-10 - Facing Page Art for Chart A-1. . . . . . . . . . . . . . . 6E3-A-16 - Facing Page Art for Chart A-2. . . . . . . . . . . . . . . 6E3-A-18 - Facing Page Art for Code 16 Chart. . . . . . . . . . . . . 6E3-A-40 - Facing Page Art for Code 34 Chart. . . . . . . . . . . . . 6E3-A-58

Also, CIRCUIT 439/;ERLS FUSE should be changed to CIRCUIT 639/IGNITION ECM FUSE on the following pages:

Chart A-1, Chart. . . . . . . . . . 6E3-A-16, 17 Code 34, Chart . . . . . . . . . . 6E3-A-59 ECM Symptom Chart (3 of 6). . . . . 6E3-B-21

Please make the appropriate changes to the 1992 Grand Am models with 3300 (VIN N) Service Manual.


Object Number: 83201  Size: FS


Object Number: 83200  Size: FS


Object Number: 84211  Size: FS

General Motors bulletins are intended for use by professional technicians, not a "do-it-yourselfer". They are written to inform those technicians of conditions that may occur on some vehicles, or to provide information that could assist in the proper service of a vehicle. Properly trained technicians have the equipment, tools, safety instructions and know-how to do a job properly and safely. If a condition is described, do not assume that the bulletin applies to your vehicle, or that your vehicle will have that condition. See a General Motors dealer servicing your brand of General Motors vehicle for information on whether your vehicle may benefit from the information.