GM Service Manual Online
For 1990-2009 cars only

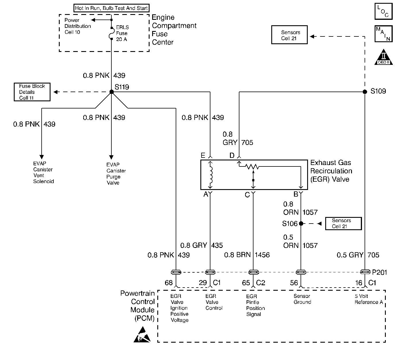
Object Number: 28166  Size: LF
Engine Controls Components
MAF Sensor, EVAP Canister Vent Solenoid, EVAP Canister Purge Valve, EGR Valve
OBD II Symbol Description Notice
Handling ESD Sensitive Parts Notice

Circuit Description

The PCM monitors the EGR valve pintle position input to ensure that the valve responds properly to commands from the PCM and to detect a fault if the pintle position sensor and control circuits are open or shorted. If the PCM detects a pintle position signal voltage outside the normal range of the pintle position sensor, or a signal voltage that is not within a tolerance considered acceptable for proper EGR system operation, the PCM will set DTC P1406.

Conditions for Setting the DTC

    • EGR Feedback is less than 0.14 volt at any time.

OR

    • EGR Feedback is 0.4 volt greater or less than the EGR Closed Valve Pintle Position when the Desired EGR Pos is commanded to 0%.

OR

    • Actual EGR Pos is 20% greater or less than the Desired EGR Pos.
    • Any of the above conditions present for longer than 20 seconds.

Action Taken When the DTC Sets

    • The PCM will illuminate the malfunction indicator lamp (MIL) during the second consecutive trip in which the diagnostic test has been run and failed.
    • The PCM will store conditions which were present when the DTC set as Freeze Frame and Failure Records data.

Conditions for Clearing the MIL/DTC

    • The PCM will turn OFF the MIL during the third consecutive trip in which the diagnostic has been run and passed.
    • The History DTC will clear after 40 consecutive warm-up cycles have occurred without a malfunction.
    • The DTC can be cleared by using the scan tool.

Diagnostic Aids

Check for the following conditions:

    • Excessive deposits on EGR valve pintle or seat. Check for deposits that may interfere with the EGR valve pintle extending completely or cause the pintle to stick.
    • Poor connection or damaged harness. Inspect the wiring harness for damage. If the harness appears to be OK, observe the EGR actual position display on the scan tool while moving connectors and wiring harnesses related to the EGR valve. A change in the display will indicate the location of the fault.

Important: If the EGR valve shows signs of excessive heat, check the exhaust system for blockage (possibly a plugged catalytic converter) using the Restricted Exhaust System Check.

Reviewing the Fail Records vehicle mileage since the diagnostic test last failed may help determine how often the condition that caused the DTC to be set occurs. This may assist in diagnosing the condition.

Test Description

Number(s) below refer to the step number(s) on the Diagnostic Chart.

  1. Verifies that the fault is present.

  2. If DTC P01406 will only set under certain conditions, the fault may be intermittent refer to Diagnostic Aids. If an intermittent wiring problem is not present, check for an open EGR ignition circuit to the PCM. Connect a test light to ground and probe the EGR ignition at the PCM harness connector. With the ignition ON, the test light should be ON. If not, repair the open in the EGR ignition circuit. If the test light is ON, check for a faulty connection at the PCM. If the connection at the PCM is OK and DTC P1406 continues to set, replace the EGR valve.

DTC P1406 - EGR Valve Pintle Position Circuit

Step

Action

Value(s)

Yes

No

1

Was the Powertrain On-Board Diagnostic System Check performed?

--

Go to Step 2

Go to the Powertrain On Board Diagnostic System Check

2

With the engine idling, observe the EGR ACTUAL POS. display on the scan tool EGR data list.

Is EGR ACTUAL POS. at the specified value?

0%

Go to Step 3

Go to Step 10

3

Select the scan tool Misc. Tests, EGR Control function and increment the EGR valve through the 30%, 50%, 80% and 100% positions while comparing EGR Desired POS. to EGR ACTUAL POS.

Does EGR Desired Pos. remain close to EGR Actual Pos. at all commanded positions?

--

Go to Step 4

Go to Step 5

4

  1. Ignition ON, engine OFF, review and record scan tool Fail Records data.
  2. Operate vehicle within Fail Records conditions as noted.
  3. Using a scan tool, monitor SPECIFIC DTC info for DTC P1406 until the DTC P1406 test runs.

Note test result does scan tool indicate DTC P1406 failed this ignition?

--

Go to DTC Test Description for additional information

Go to Diagnostic Aids

5

  1. Disconnect the EGR valve electrical connector.
  2. Connect a DVM to measure voltage between the EGR valve ignition battery positive voltage circuit and the EGR control circuit at the EGR valve harness connector.
  3. Command the EGR valve through the 30%, 50%, 80%, and 100% positions with the scan tool while observing the voltage reading on the DVM.

Does the voltage measure approx. 0 volts at 0% commanded EGR position and increase to approximately battery positive voltage as the commanded EGR position is increased to 100%?

--

Go to Step 16

Go to Step 6

6

Probe the EGR valve ignition battery positive voltage circuit with a test light to ground.

Is the test light ON?

--

Go to Step 8

Go to Step 7

7

  1. Check the fuse for the EGR valve ignition battery positive voltage circuit.
  2. If the fuse is blown, locate and repair the short to ground in the ignition battery positive voltage circuit (refer to Fuse Block Details in Electrical Diagnosis).

Was the fuse blown?

--

Go to Step 30

Go to Step 23

8

  1. Ignition OFF, disconnect the PCM.
  2. Check the EGR control circuit for an open.
  3. If the EGR control circuit is open, repair it as necessary (refer to Repair Procedures in Electrical Diagnosis section 8A-5).

Was the EGR control circuit open?

--

Go to Step 30

Go to Step 9

9

  1. Check the EGR control circuit for a faulty terminal connection at the PCM.
  2. If a problem is found, replace terminal.

Was a problem found?

--

Go to Step 30

Go to Step 29

10

Disconnect the EGR valve electrical connector and observe the EGR ACTUAL POS. value on the scan tool.

Is EGR ACTUAL POS. at the specified value?

0%

Go to Step 12

Go to Step 11

11

  1. Ignition OFF, disconnect the PCM.
  2. Ignition ON, measure voltage between the EGR pintle position circuit and ground.

Is the measured voltage near the specified value?

0V

Go to Step 29

Go to Step 25

12

Probe the sensor ground circuit at the EGR valve harness connector with a test light to battery positive voltage.

Is the test light ON?

--

Go to Step 14

Go to Step 13

13

  1. Check the sensor ground circuit for a poor terminal connection at the PCM or for an open sensor ground circuit between the PCM and the EGR valve.
  2. If a problem is found, repair poor connection or open in sensor ground circuit as necessary (refer to Repair Procedures in Electrical Diagnosis section 8A-5).

Was a problem found?

--

Go to Step 30

Go to Step 29

14

Probe the EGR control circuit at the EGR valve connector with a test light to battery positive voltage.

Is the test light ON?

--

Go to Step 15

Go to Step 26

15

  1. Ignition OFF, disconnect the PCM.
  2. Ignition ON, probe the EGR control circuit with a test light to battery positive voltage.

Is the test light ON?

--

Go to Step 27

Go to Step 29

16

Connect a DVM to measure voltage between the EGR valve sensor ground circuit and the 5 volt reference A circuit at the EGR valve connector.

Is the voltage at the specified value?

5V

Go to Step 17

Go to Step 22

17

Probe the pintle position circuit at the EGR valve harness connector with a test light connected to battery positive voltage.

Is the test light ON?

--

Go to Step 20

Go to Step 18

18

  1. Connect a jumper between the 5 volt reference A circuit and the pintle position circuit at the EGR valve connector.
  2. Observe EGR ACTUAL POS. on the scan tool.

Is EGR ACTUAL POS. at the specified value?

100%

Go to Step 21

Go to Step 19

19

  1. Ignition OFF, disconnect the PCM.
  2. Check the pintle position circuit for an open or for a poor terminal connection at the PCM.
  3. If a problem is found, repair open in pintle position circuit or replace the faulty PCM terminal(s) as necessary. Refer to Repair Procedures in Electrical Diagnosis section 8A.

Was a problem found?

--

Go to Step 30

Go to Step 29

20

  1. Ignition OFF, disconnect the PCM.
  2. Probe the EGR Pintle Position Circuit with a test light to battery positive voltage.

Is test light On?

--

Go to Step 28

Go to Step 29

21

  1. Check for poor terminal connections at the EGR valve.
  2. If a problem is found, replace faulty terminal(s).

Was a problem found?

--

Go to Step 30

Go to Step 26

22

  1. Check for an open or short to ground in the EGR 5 volt reference A circuit.
  2. If a problem is found, repair it as necessary. Refer to Repair Procedures in Electrical Diagnosis section 8A.

Was the 5 volt reference A circuit open or shorted?

--

Go to Step 30

Go to Step 24

23

Locate and repair the open in the ignition battery positive voltage circuit to the EGR valve. Refer to Fuse Block Details in Electrical Diagnosis.

Is action complete?

--

Go to Step 30

--

24

  1. Check the EGR 5 volt reference A circuit for a poor terminal connection at the PCM.
  2. If a problem is found, replace faulty terminal.

Was the terminal faulty?

--

Go to Step 30

Go to Step 29

25

Locate and repair the short to voltage in the pintle position circuit.

Is action complete?

--

Go to Step 30

--

26

Replace the EGR valve.

Is action complete?

--

Go to Step 30

--

27

Locate and repair the short to ground in the EGR control circuit.

Is action complete?

--

Go to Step 30

--

28

Locate and correct the short to ground in the pintle position circuit.

Is action complete?

--

Go to Step 30

--

29

Replace the PCM.

Important: The replacement PCM must be programmed. Refer to PCM Replacement/Programming.

Is action complete?

--

Go to Step 30

--

30

  1. Review and record scan tool Fail Records data.
  2. Clear DTCs.
  3. Operate vehicle within Fail Records conditions as noted.
  4. Using a scan tool, monitor SPECIFIC DTC info for DTC P1406 until the DTC P140

Does scan tool indicate DTC P1406 failed this ignition?

--

Go to Step 2

Repair complete