GM Service Manual Online
For 1990-2009 cars only
Makes
🢒
Pontiac
🢒
1997
🢒
Grand Am
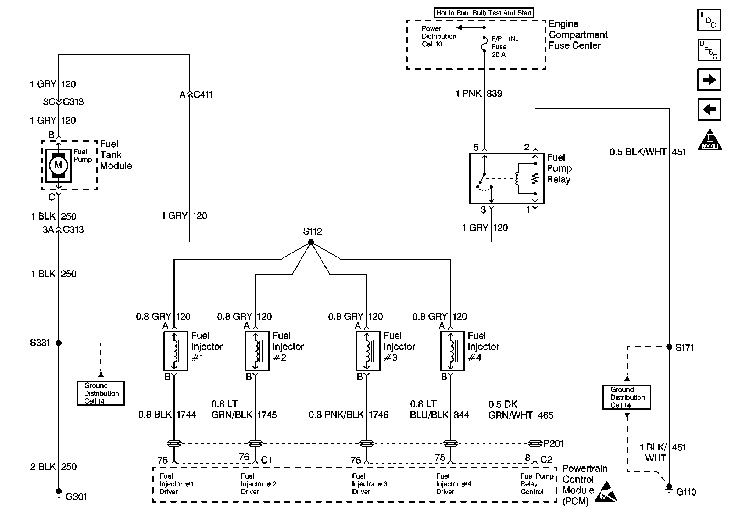
🢒 Fuel Controls
Fuel Controls
Fuel Controls
Engine Controls Components
Information Sensors
Engine Data Sensors
Ignition Controls
OBD II Symbol Description Notice
Handling ESD Sensitive Parts Notice