GM Service Manual Online
For 1990-2009 cars only
Makes
🢒
Pontiac
🢒
1997
🢒
Grand Am
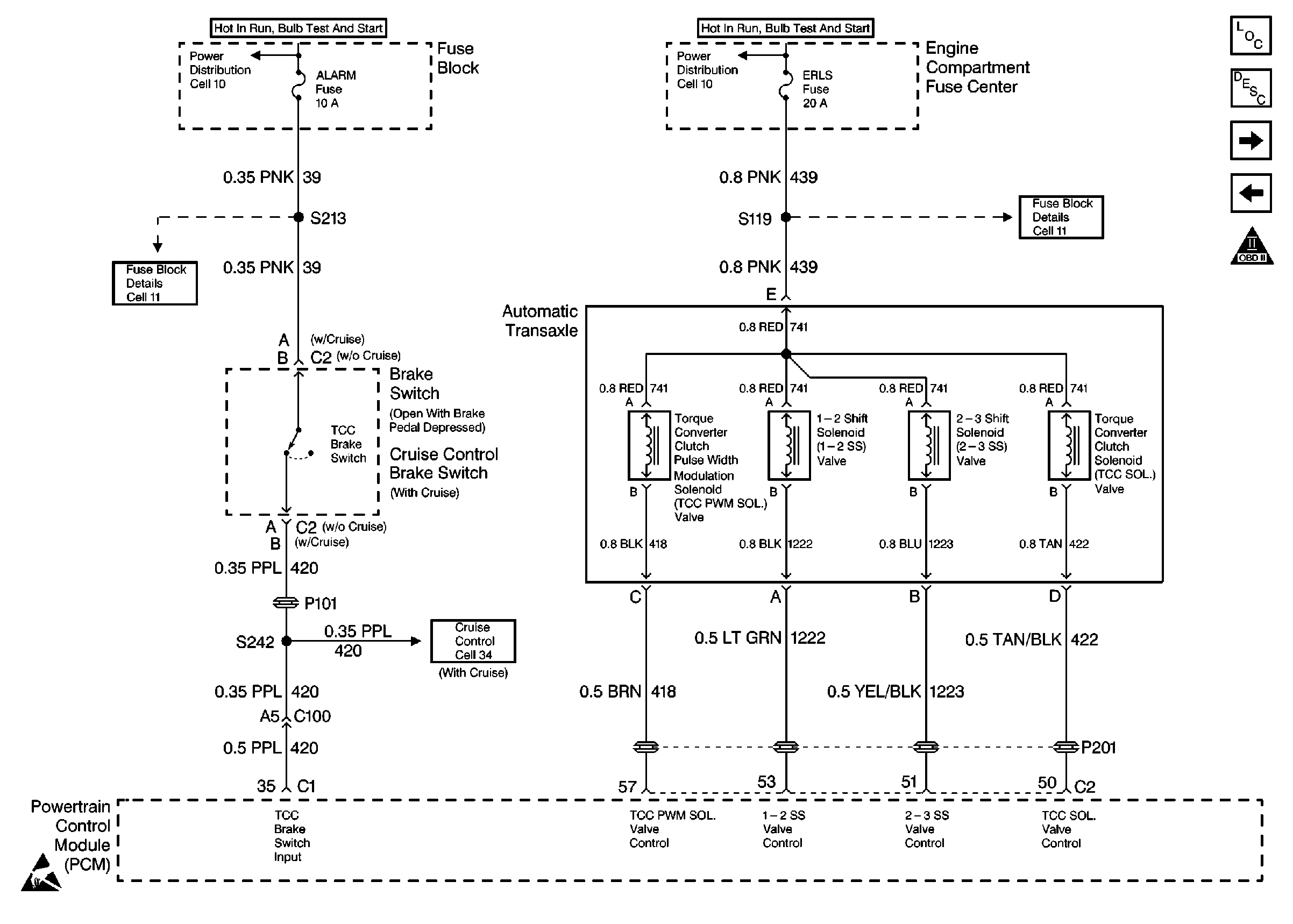
🢒 Transaxle Controls
Transaxle Controls
Transaxle Controls
Engine Controls Components
Information Sensors
A/C Controls
VSS and Cruise Control
OBD II Symbol Description Notice
Handling ESD Sensitive Parts Notice