GM Service Manual Online
For 1990-2009 cars only
Makes
🢒
Pontiac
🢒
1997
🢒
Grand Am
🢒 Starting System
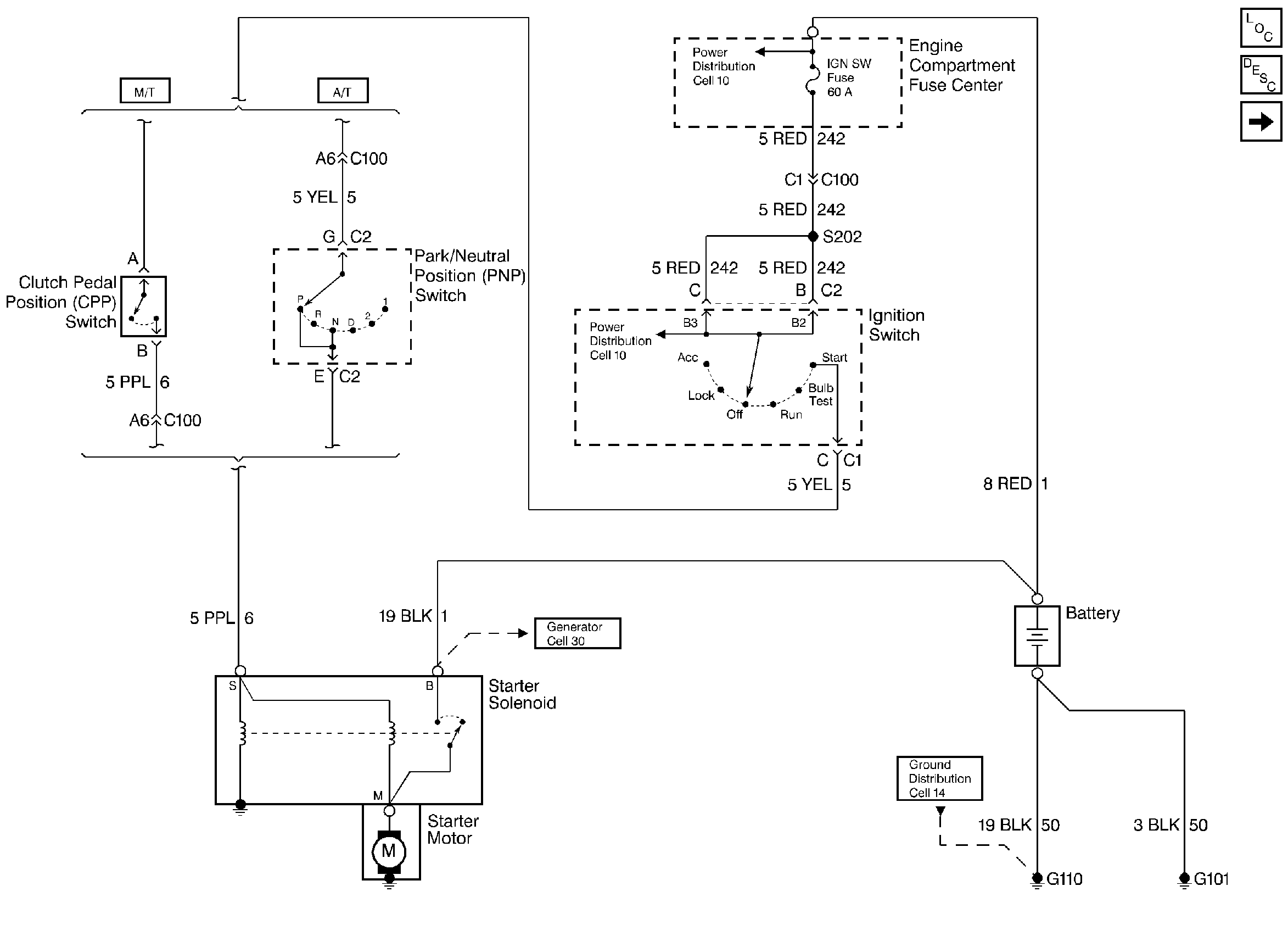
Starting System
Starting System
Starting and Charging Components
Starting and Charging Circuit
Charging System
Charging System