GM Service Manual Online
For 1990-2009 cars only

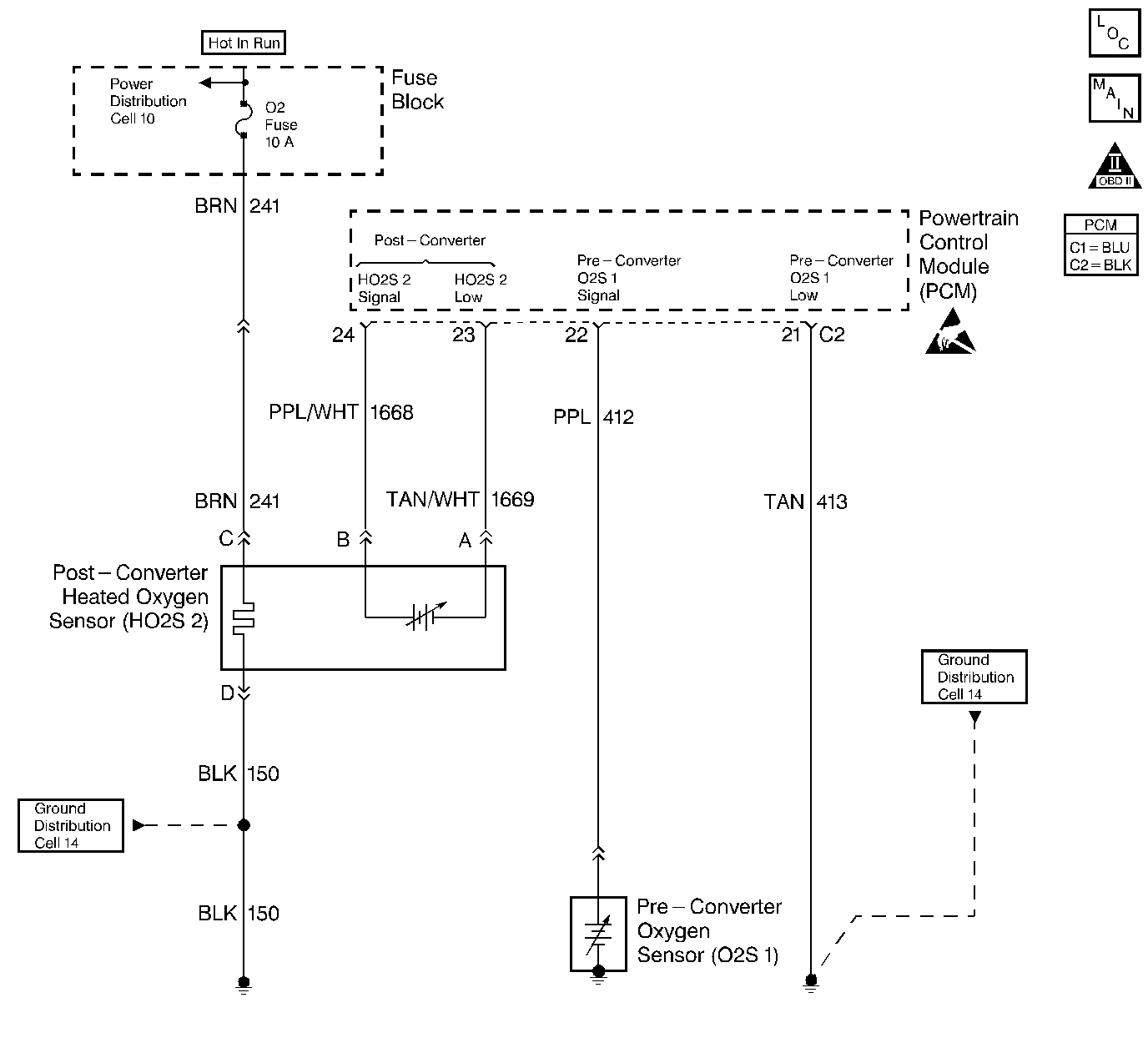
Object Number: 51205  Size: LF
Engine Controls Components
Oxygen Sensors
OBD II Symbol Description Notice
Engine Controls Connector End Views
Handling ESD Sensitive Parts Notice

Circuit Description

A three-way catalytic (TWC) converter is used in order to control the exhaust emissions of hydrocarbons (HC), carbon monoxide (CO), and oxides of nitrogen (NOx). The catalyst within the converter promotes a chemical reaction which oxidizes the HC and the CO that is present in the exhaust gas. This will convert the HC and the CO into a harmless water vapor and a carbon dioxide, and reduces the NOx, converting the NOx into nitrogen. The catalytic converter also has the ability to store oxygen. The Powertrain Control Module (PCM) has the capability to monitor this process by using a heated oxygen sensor (HO2S) which is in the exhaust stream past the three-way catalytic converter. The HO2S produces an output signal which indicates the oxygen storage capacity of the catalyst. This in turn indicates the catalysts ability to convert the exhaust emissions effectively. The PCM monitors the catalyst efficiency by first allowing the catalyst to heat up, waiting for a stabilization period while the engine is idling. Then, the PCM adds and removes the fuel while monitoring the reaction of the HO2S. When the catalyst is functioning properly, the HO2S 2 response to the extra fuel is slow compared to the O2S 1. When the HO2S 2 response is close to that of the O2S 1, the oxygen storage capability or efficiency of the catalyst is considered to be bad and the MIL will illuminate.

Conditions for Setting the DTC

    • DTCs P0106, P0107, P0108, P0112, P0113, P0117, P0118, P0121, P0122, P0123, P0131, P0132, P0133, P0134, P0137, P0138, P0140, P0141, P0171, P0172, P0200, P0300-P0304, P0502, P0506, P0507, P0562, P0563, P0601, P1133, P1171, P1336, P1404 and P1441 are not set.
    • The engine has been running longer than 510 seconds after the throttle has moved.
    • The BARO is above 72 kPa.
    • The vehicle is in a Closed Loop operation.
    • The vehicle has been driven above 1200 RPM for greater than 180 seconds.

Then, with the vehicle stopped:

    • Engine is idling less than 150 RPM from the desired idle.
    • The vehicle is in drive (automatic) or neutral (manual).
    • The Throttle Position (TP) is 0 percent.
    • The Engine Coolant Temperature (ECT) is above 75°C (167°F).
    • The Intake Air Temperature (IAT) is above -20°C (-4°F) and less than 80°C (176°F).
    • The Short Term (ST) fuel trim is between 103 (-20 percent) and 153 (+20 percent).
    • The catalytic temperature is above 510°C (950°F) for 2.4L or 340°C (644°F) for 2.2L. (In order to obtain the correct temperature to run the test, drive the vehicle until the converter temperature is 50°C (122°F) above the condition for running the DTC).

And

The HO2S 2 response is too quick.

Action Taken When the DTC Sets

    • The malfunction indicator lamp (MIL) will illuminate.
    • The PCM will record the operating conditions at the time that the diagnostic fails. The Freeze Frame and Failure Records buffers will store this information.
    • A history DTC stores.

Conditions for Clearing the MIL/DTC

    • The MIL will turn OFF after three consecutive ignition cycles in which the diagnostic runs without a fault.
    • A history DTC will clear after 40 consecutive warm-up cycles without a fault.
    • The MIL/DTCs can be cleared by using the scan tool.

Diagnostic Aids

The catalyst test may abort due to a change in the engine load. Do not change the engine load (i.e. A/C, coolant fan, heater motor) while a catalyst test is in progress.

An Intermittent problem may be caused by a poor connection, rubbed through wire insulation, or a wire that is broken inside the insulation.

Any circuitry, that is suspected as causing the intermittent complaint, should be thoroughly checked for the following conditions:

    • Backed out terminals
    • Improper mating
    • Broken locks
    • Improperly formed or damaged terminals
    • Poor terminal to wiring connections or physical damage to the wiring harness

Refer to Intermittent Conditions for further diagnosis.

Test Description

Number(s) below refer to the step number(s) on the Diagnostic Table.

  1. The Powertrain OBD System Check prompts the technician to complete some basic checks and store the freeze frame and failure records data on the scan tool if applicable. This creates an electronic copy of the data taken when the fault occurred. The information is then stored on the scan tool for later reference.

  2. If any component DTCs are set, diagnose those DTCs first. A malfunction in a component can cause the converter to appear degraded or may have caused its malfunction.

  3. This step includes checks for conditions that can cause the three-way catalytic converter to appear degraded. Repair any problems found before proceeding with this table.

  4. If the three-way catalytic converter needs to be replaced, make sure that another condition is not present which would caused the converter to become damaged. These conditions may include: misfire; high engine oil or coolant consumption; retarded spark timing or weak spark. To avoid damaging the replacement converter, correct any possible causes of converter damage before replacing the catalytic converter.

  5. Clearing the DTCs allows the catalyst test to be run up to 6 times this ignition cycle. Once the ignition is cycled, the test will run only once. Driving the vehicle heats up the catalyst to a test temperature. The PCM must see predetermined amount of time at above idle before allowing the catalyst test to run at idle. Once at idle, the PCM will allow the system to stabilize and then test the catalyst in 2 stages.

  6. If no malfunctions have been found at this point and no additional DTCs were set, refer to Diagnostic Aids for additional checks and information.

DTC P0420 - Three Way Catalyst (TWC) System Low Efficiency

Step

Action

Value(s)

Yes

No

1

Was the Powertrain On-Board Diagnostic (OBD) System Check performed?

--

Go to Step 2

Go to

Powertrain On Board Diagnostic (OBD) System Check

2

  1. Turn the ignition switch ON, with the engine OFF.
  2. Install a scan tool.
  3. Were any component

DTCs set?

--

Go to Component DTC Tables first

Go to Step 3

3

Visually/Physically check the engine for following items:

    • Exhaust system for leaks.
    • Rear Heated Oxygen Sensor (HO2S 2).

Was a problem found?

--

Go to Step 4

Go to Step 5

4

Repair the exhaust system as necessary.

Is the action complete?

--

Go to Step 6

--

5

Replace the three way catalytic converter.

Is the action complete?

--

Go to Step 6

--

6

  1. Using the scan tool, clear the DTCs.
  2. Start the engine and idle at normal operating temperature.
  3. Operate the vehicle within the conditions for setting this DTC as specified in the supporting text.

Does the scan tool indicate that this diagnostic ran and passed?

--

Go to Step 7

Go to Step 2

7

Check if any additional DTCs are set.

Are any DTCs displayed that have not been diagnosed?

--

Go to the applicable DTC table

System OK, refer to Diagnostic Aids