GM Service Manual Online
For 1990-2009 cars only

Refer to

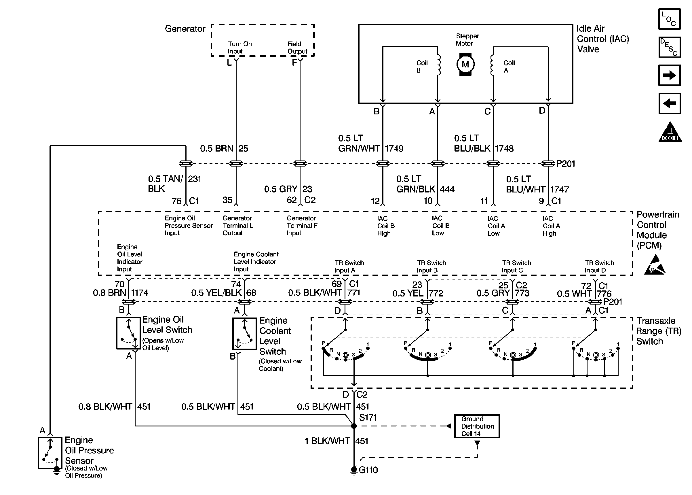
IAC Valve, Generator, TR, Oil, and Coolant Switches


Object Number: 33042  Size: FS
Engine Controls Components
Information Sensors
VSS and Cruise Control
Oxygen Sensors
OBD II Symbol Description Notice
Handling ESD Sensitive Parts Notice
schematic.

Circuit Description

The Transaxle Range Switch is part of the Transaxle Park/Neutral Position (PNP) switch mounted on the transaxle manual shaft. The four inputs from the transaxle range switch indicate to the PCM which position is selected by the Transaxle selector lever. This information is used for ignition timing, EVAP canister purge, EGR and IAC valve operation.

The combination of the four transaxle range input states determine the PCM commanded shift pattern. The input voltage level at the PCM is high (B+) when the transaxle range switch is open and low when the switch is closed to ground. The state of each input is represented on the scan tool as X=high voltage level, 0=low voltage level. The four parameters represent transaxle range switch Parity, A, B, and C inputs respectively

Transaxle Range Switch Valid Input Combinations

Gear Selector Position

Scan Tool Trans Range PABC Display

X=High

0=Low

P

A

B

C

Park (P)

0

0

X

X

Reverse (R)

X

0

0

X

Neutral (N)

0

X

0

X

Drive4 (OD)

X

X

0

0

Drive3 (3)

0

0

0

0

Drive2 (2)

X

0

X

0

Drive 1 (1)

0

X

X

0

Conditions for Setting the DTC

The Transaxle Range Switch inputs indicate an invalid combination for longer than 10 seconds.

Action Taken When the DTC Sets

    • The PCM will not illuminate the malfunction indicator lamp (MIL).
    • The PCM will store conditions which were present when the DTC set as Failure Records data only. This information will not be stored as Freeze Frame data.

Conditions for Clearing the MIL/DTC

    • A History DTC will clear after 40 consecutive warm-up cycles have occurred without a malfunction.
    • The DTC can be cleared by using the scan tool Clear Info function.

Diagnostic Aids

Check for the following conditions:

    • Poor connection at PCM. Inspect harness connectors for backed out terminals, improper mating, broken locks, improperly formed or damaged terminals, and poor terminal to wire connection.
    • Damaged harness. Inspect the wiring harness for damage. If the harness appears to be OK, observe the Transaxle Range A/B/C/P switch display on the scan tool while moving connectors and wiring harnesses related to the sensor. A change in the display will indicate the location of the fault.

Important: Vehicle should not be driven with transaxle range switch disconnected, as idle quality will be affected.

Reviewing the Fail Records vehicle mileage since the diagnostic test last failed may help determine how often the condition that caused the DTC to be set occurs. This may assist in diagnosing the condition.

DTC P0705 - Transaxle Range Switch Circuit

Step

Action

Value(s)

Yes

No

1

Was the Powertrain On-Board Diagnostic System Check performed?

--

Go to Step 2

Go to Powertrain On Board Diagnostic (OBD) System Check

2

  1. Ignition ON, engine OFF.
  2. Place the transaxle in Park.
  3. Observe the scan tool Trans. Range PABC display.

Does scan tool Trans Range PABC display the specified values?

P=0

A=0

B=X

C=X

Go to Step 3

Go to Step 4

3

  1. Observe the scan tool Trans Range PABC display while selecting each gear position.
  2. Record Trans Range PABC statuses in each gear position.
  3. Compare the scan tool display with each gear position selected to the Transaxle Range Switch Valid Input Combinations table included on the Diagnostic Support page.

Does the scan tool display match the Transaxle Range Switch Valid Input Combinations table in each gear position?

--

Refer to Diagnostic Aids

Go to Step 10

4

Does scan tool Trans Range PABC display the specified values?

P=0

A=0

B=X

C=X

Go to Step 5

Go to Step 7

5

  1. Check the Transaxle Range switch 4-way connector for being disconnected.
  2. If a problem is found, repair as necessary.

Was a problem found?

--

Go to Step 17

Go to Step 6

6

  1. Check for an open in the ground circuit at the Transaxle Range switch 7 wire connector.
  2. If a problem is found, repair as necessary. Refer to Repair Procedures in Electrical Diagnosis section 8A.

Was a problem found?

--

Go to Step 17

Go to Step 13

7

Does scan tool Trans Range PABC display the specified values?

P=0

A=0

B=X

C=X

Go to Step 8

Go to Step 10

8

  1. Disconnect the Transaxle Range switch 4-wire connector.
  2. Observe the scan tool Trans Range PABC display.

Does scan tool Trans Range PABC display the specified values?

P=0

A=0

B=X

C=X

Go to Step 9

Go to Step 14

9

  1. Ignition OFF, disconnect the PCM.
  2. Check the Transaxle Range input wiring for being pinched or otherwise shorted to ground.
  3. If a problem is found, repair as necessary. Refer to Repair Procedures in Electrical Diagnosis section 8A.

Was a problem found

--

Go to Step 17

Go to Step 16

10

  1. Compare the wires in the Transaxle Range switch 4 wire connector to the mechanization on the Diagnostic Support page to check for crossed wires.
  2. If a problem is found, repair as necessary. Refer to Repair Procedures in Electrical Diagnosis section 8A.

Was a problem found?

--

Go to Step 17

Go to Step 11

11

  1. Ignition OFF.
  2. Disconnect the Transaxle Range switch and the PCM.
  3. Ignition ON.
  4. Check for an open, short to ground, or short to voltage in the circuit which caused the incorrect transaxle range switch input combination.
  5. If a problem is found, repair as necessary. Refer to Repair Procedures in Electrical Diagnosis section 8A.

Was a problem found?

--

Go to Step 17

Go to Step 12

12

  1. Reconnect the Transaxle Range switch.
  2. At the PCM connector, connect a test light between B+ and the trans range circuit which caused the incorrect transaxle range switch input combination.
  3. Observe and record the state of the test light while selecting each gear position.
  4. Compare the test light state in each gear position with the Transaxle Range Switch Valid Input Combinations table.

Is the test light ON when the input should equal 0 and OFF when the input should equal X?

--

Go to Step 15

Go to Step 13

13

  1. Check for poor terminal connections at the Transaxle Range switch 4-way and 7-way connectors.
  2. If a problem is found, repair as necessary. Refer to Repair Procedures in Electrical Diagnosis section 8A.

Was a problem found?

--

Go to Step 17

Go to Step 14

14

Replace the Transaxle range switch.

Is action complete?

--

Go to Step 17

--

15

  1. Check for poor terminal connections at the PCM.
  2. If a problem is found, repair as necessary. Refer to Repair Procedures in Electrical Diagnosis section 8A.

Was a problem found?

--

Go to Step 17

Go to Step 16

16

Replace the PCM.

Important: The replacement PCM must be programmed. Refer to Powertrain Control Module Replacement/Programming .

Is action complete?

--

Go to Step 17

--

17

  1. Clear DTCs.
  2. Observe the scan tool Trans Range PABC display while selecting each gear position.
  3. Record Trans Range PABC status in each gear position.
  4. Compare the scan tool display with each gear position selected to the Transaxle Range Switch Valid Input Combinations table included on the Diagnostic Support page.

Does the scan tool display match the Transaxle Range Switch Valid Input Combinations table in each gear position?

--

Repair complete

Go to Step 2