GM Service Manual Online
For 1990-2009 cars only

Refer to

A/C Controls


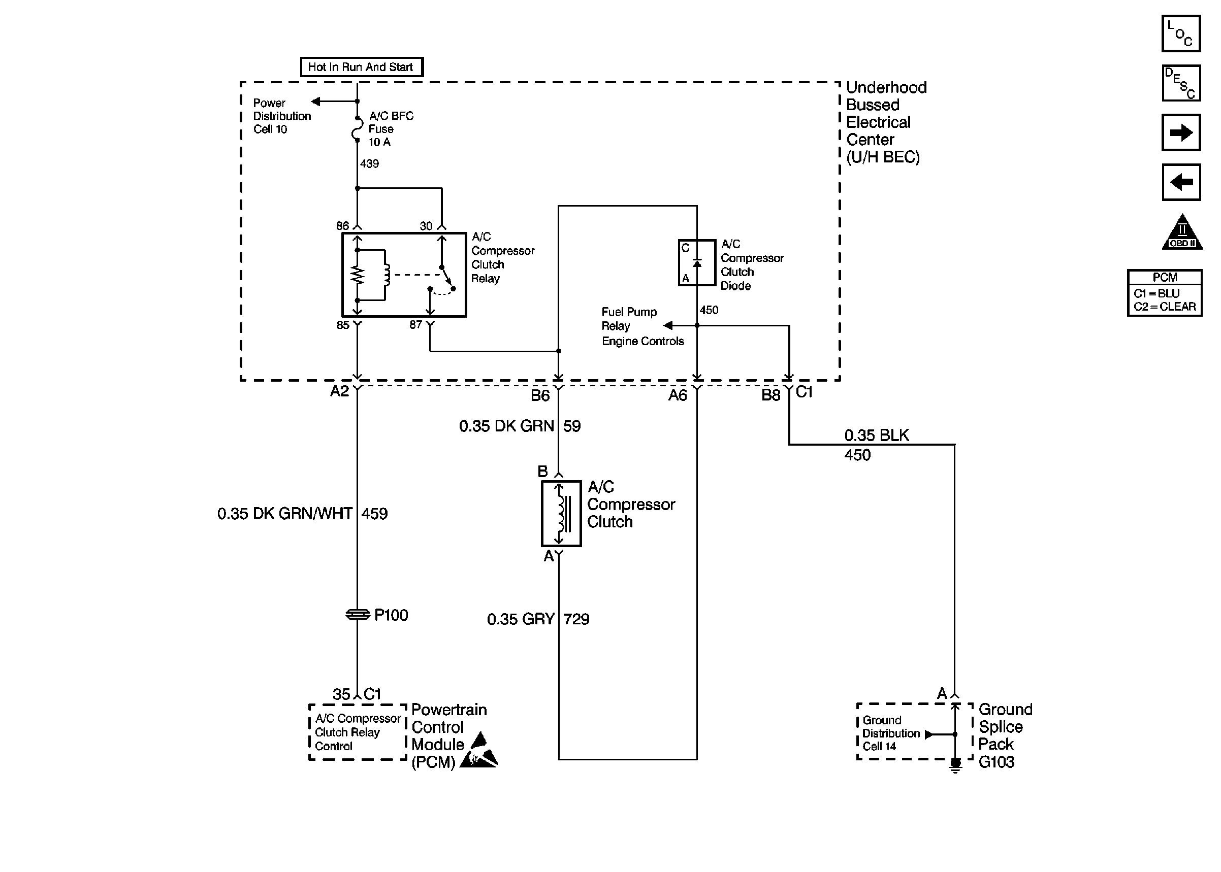
Object Number: 47184  Size: FS
Engine Controls Components
Information Sensors
Cooling Fan Controls
Transaxle Controls (Switches)
OBD II Symbol Description Notice
Handling ESD Sensitive Parts Notice
.

Circuit Description

Output Driver Modules (ODMs) are used by the PCM to turn on many of the current-driven devices that are needed to control various engine and Transaxle functions. Each ODM is capable of controlling up to 7 separate outputs by applying ground to the device which the PCM is commanding on .

Unlike the Quad Driver Modules (QDMs) used in prior model years, ODMs have the capability of diagnosing each output circuit individually. DTC P1654 set indicates an improper voltage level has been detected on A/C relay control circuit.

Conditions for Setting the DTC

    • Ignition is ON.
    • An improper voltage level has been detected on the A/C relay driver circuit.
    • Above conditions for at least 20 seconds.

Action Taken When the DTC Sets

    • The PCM will not illuminate the malfunction indicator lamp (MIL).
    • The PCM will store conditions which were present when the DTC set as Failure Records data only. This information will not be stored as Freeze Frame data.

Conditions for Clearing the MIL/DTC

    • A History DTC will clear after 40 consecutive warm-up cycles have occurred without a malfunction.
    • The DTC can be cleared by using the scan tool Clear Info function.

Diagnostic Aids

Check for the following conditions:

    • Poor connection at PCM. Inspect harness connectors for backed out terminals, improper mating, broken locks, improperly formed or damaged terminals, and poor terminal to wire connection.
    • Damaged harness. Inspect the wiring harness for damage. If the harness appears to be OK, disconnect the PCM, turn the ignition on and observe a voltmeter connected to the A/C relay driver circuit at the PCM harness connector while moving connectors and wiring harnesses related to the A/C relay. A change in voltage will indicate the location of the fault.

Reviewing the Fail Records vehicle mileage since the diagnostic test last failed may help determine how often the condition that caused the DTC to be set occurs. This may assist in diagnosing the condition.

Test Description

Number(s) below refer to the step number(s) on the Diagnostic Chart.

  1. Normally, ignition feed voltage present on the output driver circuit with the PCM disconnected and the ignition turned on .

  2. Checks for a shorted component or a short to battery positive voltage on the output driver circuit. Either condition would result in a measured current of over 1.5 amps. Also checks for a component that is going open while being operated, resulting in a measured current of 0 amps.

  3. Checks for a faulty A/C relay.

  4. This vehicle is equipped with a PCM which utilizes an Electrically Erasable Programmable Read Only Memory (EEPROM). When the PCM is being replaced, the new PCM must be programmed. Refer to Powertrain Control Module Replacement/Programming .

DTC P1654 - A/C Relay Control Circuit

Step

Action

Value(s)

Yes

No

1

Was the Powertrain On-Board Diagnostic System Check performed?

--

Go to Step 2

Go to Powertrain On Board Diagnostic (OBD) System Check

2

  1. Ignition on , disconnect the PCM.
  2. Ignition off .
  3. Using DVM (J 39200), measure voltage the A/C relay driver circuit at the PCM harness connector and ground.

Is voltage near the specified value?

B+

Go to Step 3

Go to Step 6

3

  1. Set up DVM to measure 10 amp range.
  2. Measure current between the A/C relay driver circuit and ground.
  3. Monitor the current reading on the DVM for at least 2 minutes.

Does the current reading remain between the specified values?

0.1 -1.5 amps

Go to Step 11

Go to Step 4

4

  1. Disconnect the A/C relay (leave the PCM disconnected).
  2. Using DVM, measure voltage between the A/C relay driver circuit and ground.

Is voltage at the specified value?

0V

Go to Step 14

Go to Step 5

5

Locate and repair short to voltage in the A/C relay driver circuit. Refer to Repair Procedures in Electrical Diagnosis .

Is action complete?

--

Go to Step 16

--

6

Check the ignition feed fuse for the A/C relay

Is the fuse blown?

--

Go to Step 7

Go to Step 8

7

  1. Locate and repair short to ground in ignition feed circuit for the A/C relay. Refer to Fuse Block Details in Electrical Diagnosis .
  2. Replace fuse.

Is action complete?

--

Go to Step 16

--

8

  1. Disconnect the A/C relay.
  2. Ignition on , measure voltage between the ignition feed circuit for the A/C relay and ground.

Is voltage near the specified value?

B+

Go to Step 9

Go to Step 13

9

  1. Check the A/C relay driver circuit for an open or a short to ground.
  2. If a problem is found, repair the A/C relay driver circuit.

Was a problem found?

--

Go to Step 16

Go to Step 10

10

  1. Check the output driver circuit and the ignition feed circuit for a poor connection at the A/C relay and at the PCM.
  2. If a problem is found, replace faulty terminal(s).

Was a problem found?

--

Go to Step 16

Go to Step 14

11

  1. Ignition off , reconnect the PCM and disconnect
  2. the A/C relay.
  3. Ignition on , connect a test light between the affected output driver circuit and the ignition feed circuit at the A/C relay harness connector.
  4. Using the scan tool outputs test function, cycle the A/C relay on and off .

Does the test light flash on and off ?

--

Go to Diagnostic Aids

Go to Step 12

12

  1. Check the A/C relay driver circuit for a poor connection at the PCM.
  2. If a problem is found, replace faulty terminal.

Was a problem found?

--

Go to Step 16

Go to Step 15

13

Locate and repair open in ignition feed circuit to the A/C relay. Refer to Repair Procedures in Electrical Diagnosis .

Is action complete?

--

Go to Step 16

--

14

Replace the A/C relay.

Is action complete?

--

Go to Step 16

--

15

Replace the PCM.

Important:  The replacement PCM must be programmed. Refer to Powertrain Control Module Replacement/Programming .

Is action complete?

--

Go to Step 16

--

16

  1. Ignition on , engine off , review and record scan tool Fail Records data.
  2. Clear DTCs.
  3. Operate vehicle within Fail Records conditions as noted.
  4. Using a scan tool, monitor SPECIFIC DTC info for DTC P1654.

Does scan tool indicate DTC P1654 failed this ignition?

--

Go to Step 2

Repair complete