GM Service Manual Online
For 1990-2009 cars only

Caution: Be careful when you handle a sensor. Do not strike or jolt a sensor. Before applying power to a sensor:

   • Remove any dirt, grease, etc. from the mounting surface.
   • Position the sensor horizontally on the mounting surface.
   • Point the arrow on the sensor toward the front of the vehicle.
   • Tighten all of the sensor fasteners and sensor bracket fasteners to the specified torque value.
Failure to follow the correct procedure could cause air bag deployment, personal injury, or unnecessary SIR system repairs.

Removal Procedure


    Object Number: 240179  Size: SH
  1. Disable the SIR system. Refer to Disabling the SIR System .
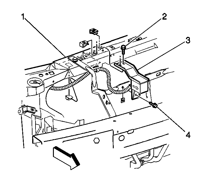
  2. Remove the Connector Position Assurance (CPA) from the inflatable restraint front end discriminating sensor harness connector.
  3. Remove the inflatable restraint front end discriminating sensor mounting fasteners (2) and (4).
  4. Remove the inflatable restraint front end discriminating sensor (3) from the vehicle.

Important: If the sensor mounting holes or fasteners are damaged to the extent that the sensor can no longer be properly mounted, use the following repair.

  1. Remove the stripped fastener and discard it.
  2. Chisel off the damaged weld nut and discard it.
  3. Condition the front end lower tie bar surface where the new weld nut is to be installed.
  4. Install new weld nut GM P/N 11514034 into position.
  5. Migweld the new weld nut to the front end lower tie bar surface in the correct location.
  6. Install sensor with new fastener GM P/N 11515926.

Installation Procedure


    Object Number: 240179  Size: SH
  1. Install the inflatable restraint front end discriminating sensor (3) to the vehicle.
  2. Notice: Use the correct fastener in the correct location. Replacement fasteners must be the correct part number for that application. Fasteners requiring replacement or fasteners requiring the use of thread locking compound or sealant are identified in the service procedure. Do not use paints, lubricants, or corrosion inhibitors on fasteners or fastener joint surfaces unless specified. These coatings affect fastener torque and joint clamping force and may damage the fastener. Use the correct tightening sequence and specifications when installing fasteners in order to avoid damage to parts and systems.

  3. Install the inflatable restraint front end discriminating sensor mounting fasteners (2) and (4).
  4. Tighten
    Tighten fastener to 10 N·m (89 lb in).

  5. Connect the inflatable restraint front end discriminating sensor harness connector to the sensor.
  6. Install the Connector Position Assurance (CPA) to the inflatable restraint front end discriminating sensor harness connector.
  7. Enable the SIR system. Refer to Enabling the SIR System .