GM Service Manual Online
For 1990-2009 cars only
Makes
🢒
Pontiac
🢒
1998
🢒
Grand Am
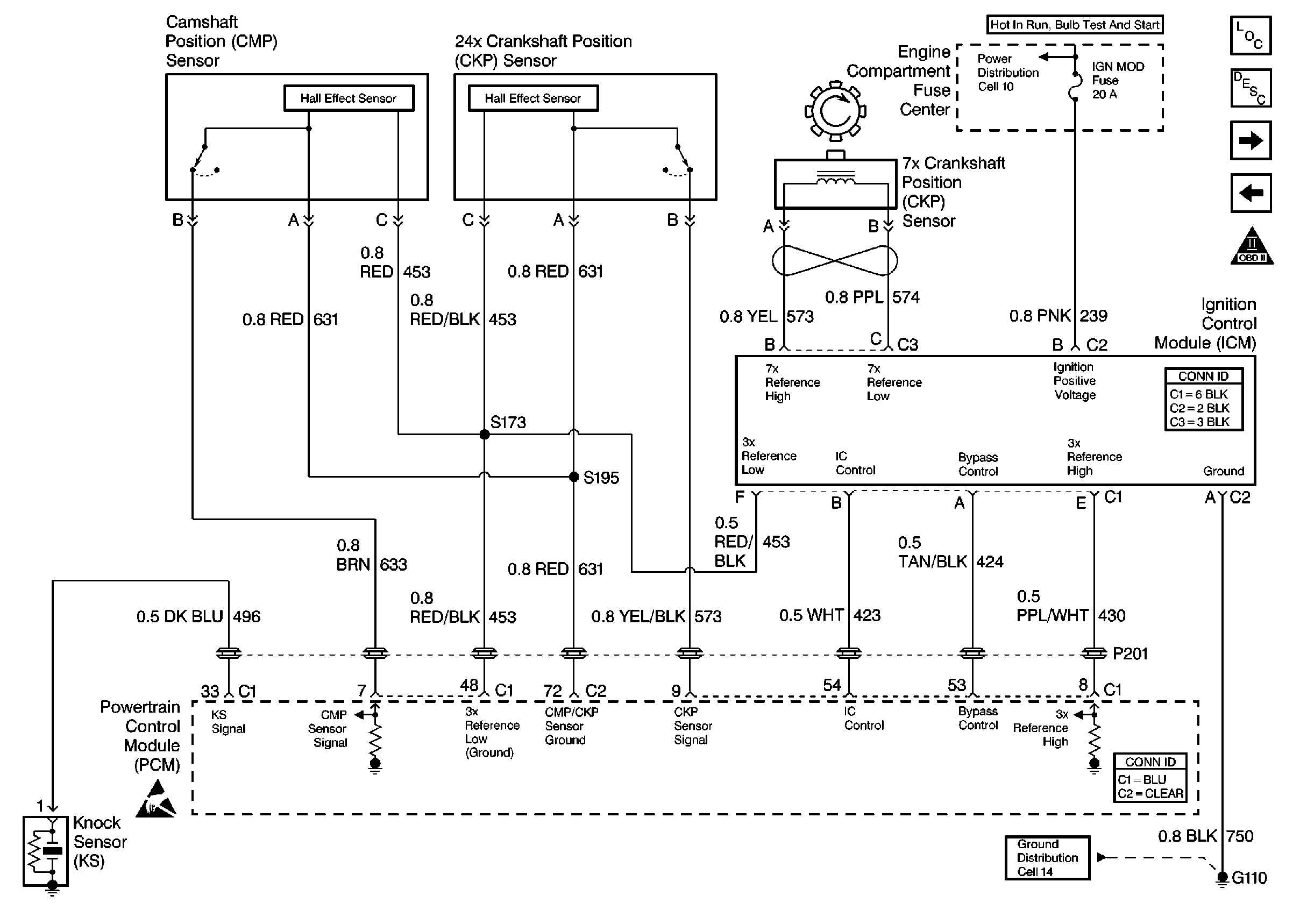
🢒 Ignition Controls
Ignition Controls
Ignition Controls
Engine Controls Components
Information Sensors/Switches Description
Fuel Controls
Power, Ground, MIL, and DLC
OBDII Symbol Description Notice
Handling Electrostatic Discharge Sensitive Parts Notice