GM Service Manual Online
For 1990-2009 cars only
Makes
🢒
Pontiac
🢒
1998
🢒
Grand Am
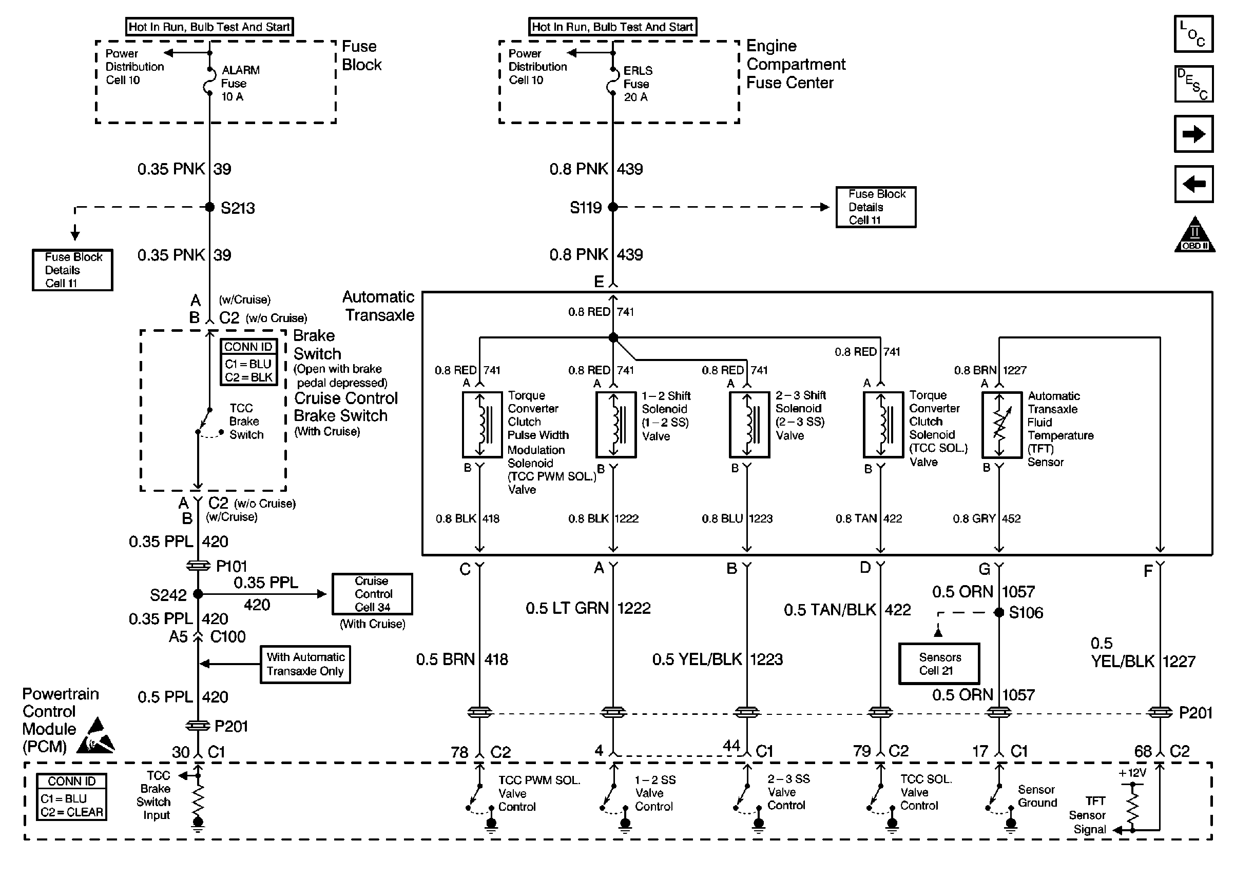
🢒 Transaxle Controls
Transaxle Controls
Transaxle Controls
Engine Controls Components
Information Sensors/Switches Description
A/C Controls
VSS and Cruise Control
OBDII Symbol Description Notice
Handling Electrostatic Discharge Sensitive Parts Notice