GM Service Manual Online
For 1990-2009 cars only

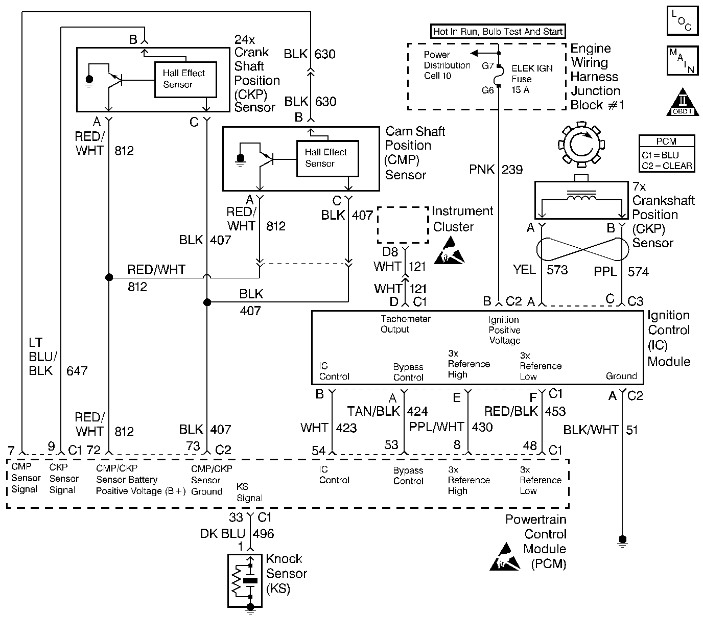
Object Number: 235478  Size: LF
Engine Controls Components
Ignition System, Knock Sensor
OBD II Symbol Description Notice
Handling ESD Sensitive Parts Notice
Handling ESD Sensitive Parts Notice

Circuit Description

The Ignition Control Module (ICM) sends signals that the PCM requires for fuel control and spark advance calculations. At the start of engine crank, the ICM controls spark advance (Bypass mode.) When the second 3X reference pulse is recognized by the PCM, the PCM applies 5 volts to the Bypass circuit, commanding the ICM to switch spark advance to PCM control (IC mode). If the PCM detects a short to voltage in the Bypass circuit, DTC P1362 will set. A short to ground in the IC circuit or Bypass circuit will cause both DTC P1361 and DTC P1362 to set. The engine will start and may run in Bypass mode timing.

Conditions for Running the DTC

The engine is running.

Conditions for Setting the DTC

The PCM detects a short to voltage in the Bypass circuit.

Action Taken When the DTC Sets

    • The PCM will illuminate the MIL during the second consecutive trip in which the diagnostic test has been run and failed.
    • The PCM will store conditions which were present when the DTC set as Freeze Frame and Fail Records data.

Conditions for Clearing the MIL/DTC

    • The PCM will turn the MIL off during the third consecutive trip in which the diagnostic has been run and passed.
    • The history DTC will clear after 40 consecutive warm-up cycles have occurred without a malfunction.
    • The DTC can be cleared by using the scan tool Clear Info function or by disconnecting the PCM battery feed.

Diagnostic Aids

Check for the following conditions:

    • Poor connection at the PCM.
        Inspect harness connectors for backed out terminals, improper mating, broken locks, improperly formed or damaged terminals, and poor terminal to wire connection.
    • Damaged harness.
        Inspect the wiring harness for damage. If the harness appears to be OK, disconnect the ICM, turn the ignition on and observe a digital multimeter connected between the IC circuit and B+ while moving connectors and wiring harnesses related to the ICM. A change in voltage will indicate the location of the malfunction.

Reviewing the Fail Records vehicle mileage since the diagnostic test last failed may help determine how often the condition that caused the DTC to be set occurs. This may assist in diagnosing the condition.

DTC P1362 - Bypass Circuit Shorted

Step

Action

Value(s)

Yes

No

1

Was the Powertrain On Board Diagnostic (OBD) System Check performed?

--

Go to Step 2

Go to the Powertrain On Board Diagnostic (OBD) System Check

2

Is DTC P1361 set also?

--

Go to Step 6

Go to Step 3

3

  1. Turn OFF the ignition switch.
  2. Disconnect the PCM.
  3. Turn ON the ignition switch.
  4. Probe the BYPASS circuit with a test light to ground.

Is the test light ON?

--

Go to Step 4

Go to Step 13

4

  1. Turn OFF the ignition switch.
  2. Leave the PCM disconnected.
  3. Disconnect the Ignition Control Module connector.
  4. Turn ON the ignition switch
  5. Probe the BYPASS circuit with a test light to ground.

Is the test light ON?

--

Go to Step 5

Go to Step 12

5

Locate and repair the short to voltage in the BYPASS circuit. Refer to Wiring Repairs in Wiring Systems.

Is action complete?

--

Go to Step 14

--

6

  1. Turn OFF the ignition switch.
  2. Disconnect the PCM.
  3. Disconnect the Ignition Control Module.
  4. Probe the IC circuit with a test light to B+.

Is the test light ON?

--

Go to Step 7

Go to Step 8

7

Locate and repair the short to ground in the IC circuit. Refer to Wiring Repairs in Wiring Systems.

Is action complete?

--

Go to Step 14

--

8

  1. Leave the ignition switch OFF.
  2. Leave the PCM disconnected.
  3. Leave the Ignition Control Module disconnected.
  4. Probe the BYPASS circuit with a test light to ground.

Is the test light ON?

--

Go to Step 9

Go to Step 10

9

Locate and repair the short to ground in the BYPASS circuit. Refer to Wiring Repairs in Wiring Systems.

Is action complete?

--

Go to Step 14

--

10

  1. Leave the ignition switch OFF.
  2. Leave the PCM disconnected.
  3. Leave the Ignition Control Module disconnected.
  4. Check for a short between the IC and BYPASS circuits.
  5. If a problem is found, repair as necessary. Refer to Wiring Repairs in Wiring Systems.

Was a problem found?

--

Go to Step 14

Go to Step 11

11

  1. Leave the ignition switch OFF.
  2. Reconnect the Ignition Control Module.
  3. Leave the PCM disconnected.
  4. Turn ON the ignition switch.
  5. Using J 39200 DMM, observe the resistance between the IC and Reference Low circuits while probing the BYPASS circuit with a test light to B+.

Does the resistance switch from below the first value to above the second value?

500 ohms

5000 ohms

Go to Step 13

Go to Step 12

12

Replace the Ignition Control Module. Refer to Ignition Control Module Replacement .

Is action complete?

--

Go to Step 14

--

13

Important: Replacement PCM must be reprogrammed. Refer to Powertrain Control Module Replacement/Programming .

Replace the PCM.

Is action complete?

--

Go to Step 14

--

14

  1. Review and record scan tool Fail Records data.
  2. Clear DTCs.
  3. Operate the vehicle within Fail Records conditions.
  4. Using the scan tool, monitor Specific DTC Info for DTC P1362.

Does the scan tool indicate DTC 1362 failed this ignition?

--

Go to Step 2

System OK