GM Service Manual Online
For 1990-2009 cars only
Makes
🢒
Pontiac
🢒
1999
🢒
Grand Am
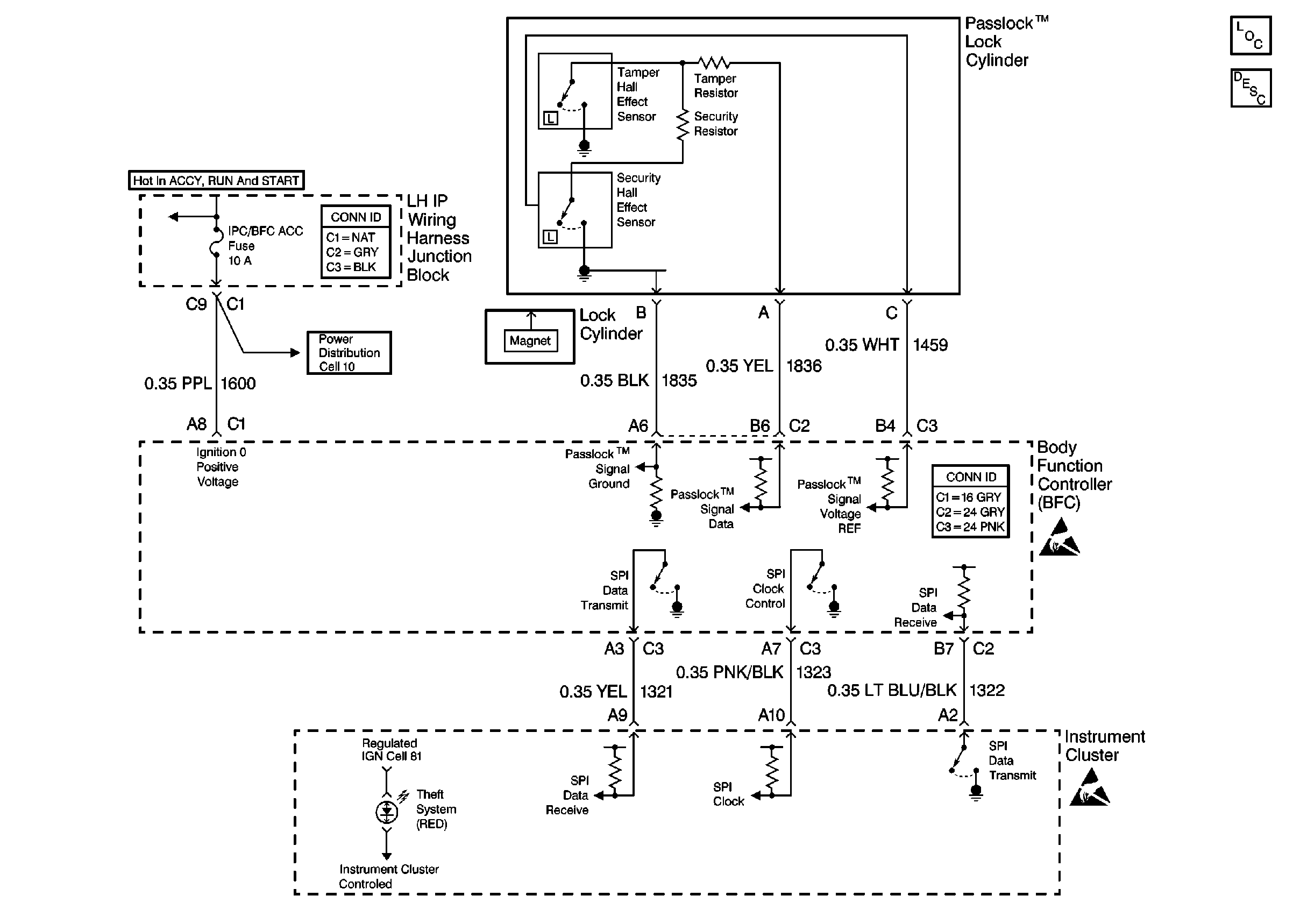
🢒 Cell 133: Passlock Cylinder and Instrument Cluster
Cell 133: Passlock Cylinder and Instrument Cluster
Cell 133: Passlock⢠Lock Cylinder and Instrument Cluster
Theft Deterrent System Components
Content Theft Deterrent (CTD) Circuit Description
Cell 133: Fuel Tank Module, Instrument Cluster and Passlock Cylinder
Handling ESD Sensitive Parts Notice
Handling ESD Sensitive Parts Notice
Power Distribution Schematics