GM Service Manual Online
For 1990-2009 cars only
Makes
🢒
Pontiac
🢒
1999
🢒
Grand Am
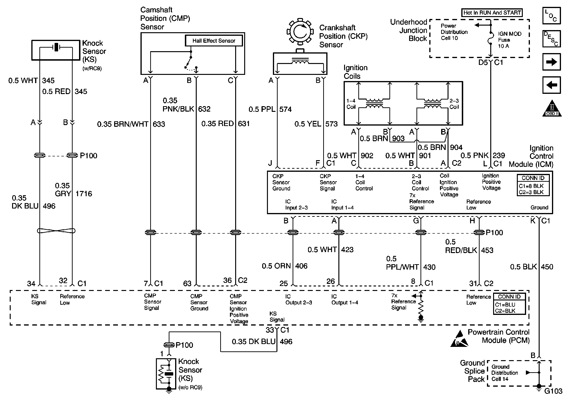
🢒 Cell 23: Ignition Controls
Cell 23: Ignition Controls
Cell 23: Ignition Controls
Engine Controls Components
Information Sensors/Switches Description
Cell 23: Fuel Controls
Cell 23: Power, Ground, MIL, and DLC
OBDII Symbol Description Notice
Handling Electrostatic Discharge Sensitive Parts Notice
Cell 10: IGN MOD, BU LMP/BTSI, PCM IGN, F/P INJR, A/C BFC, AUTO TRANS, ABS IGN Fuses
Engine Controls Connector End Views
Power and Grounding Connector End Views
Cell 14: G103 and G105